Capacimètre

Un capacimètre est un instrument de mesure qui permet principalement de connaître la capacité des condensateurs. L'unité de la capacité est le farad (F).
Des capacimètres sophistiqués permettent également de mesurer d'autres valeurs des condensateurs tels que le courant de fuite, l'angle de perte, la résistance série équivalente (ESR). et l'inductance série équivalente (ESL)[1],[2].
Le capacimètre relié à un autre composant qu'un condensateur permet aussi de connaître la capacité parasite de cet autre dipôle.
Capacimètre numérique simple
De nombreux multimètres numériques fabriqués depuis le début des années 2000 possèdent une fonction capacimètre[3]. Les mesures sont effectuées en soumettant le dipôle hors du circuit, à un signal variable périodique. La réponse électrique du dipôle est analysée par un microprocesseur pour en déduire sa capacité. Ces appareils ont une plage de mesure moyenne. En général du nanofarad jusqu’à quelques milliers de microfarads.



Ponts de mesure
Présentation
_Resistance-Capacitance-Comparator_Bridge%252C_Model_950A%252C_2_Vacuum_Tubes_(6X5_%2526_1629)%252C_Metal_Cabinet%252C_Made_In_USA%252C_Circa_1956_(32860427355).jpg)
Les montages en pont permettent de mesurer avec précision la capacité.
Cette méthode utilise les résistances et les condensateurs de référence présents dans le pont pour comparer des valeurs connues avec des valeurs inconnues. Le dipôle inconnu est inclus dans le pont puis est soumis à un signal alternatif périodique. La valeur est déterminée en faisant varier les valeurs des autres branches du pont pour l'équilibrer.
Grâce à l'utilisation de mesure 4 pointes et d'autres techniques ; ces instruments peuvent mesurer des condensateurs sur une plage allant des picofarads aux farads. Aujourd'hui, la plupart des capacimètres de ce type utilisés dans la production sont numérique et automatiques.
Si le pont peut également mesurer la résistance et l'inductance en série. C'est alors un RLC mètre.
Circuit équivalent du condensateur
Un condensateur peut être modélisé par un assemblage de plusieurs composants parfait de manière à représenter son comportement. Les valeurs et critères de mesure sont harmonisés au niveau international par la CEI 60384-1. Cette norme définit les valeurs électriques d'un condensateur à l'aide d'un circuit équivalent série[4].
- C est la capacité du condensateur, Cette valeur est donnée en farad.
- RInsul, ou RLeak ; la résistance d'isolement du diélectrique aussi appelée résistance de fuite. Elle est la résistance qui s'oppose au courant de fuite dans le condensateur. Cette valeur est donnée en ohms.
- RESR avec ESR pour Equivalent Series Resistance ; la résistance série équivalente, qui combine les pertes de conduction ohmique et d'inversion de polarité diélectrique du condensateur. Cette valeur est donnée en ohms.
- LESL avec ESL pour Equivalent Series Inductance ; l'inductance série équivalente, qui représente le comportement inductif parasite du composant. Cette valeur est donnée en henry.

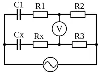
Pont résistance-capacité série

Dans ce pont ; le condensateur pur CX est placé en série de la résistance pure RX. Ce montage est plus efficace pour mesurer les capacités avec une importante résistance série équivalente[5].
Ci-dessous les relations qui déterminent la capacité et la résistance inconnues lorsque le circuit est équilibré. C'est-à-dire lorsque la tension du voltmètre V indique 0.
et
- .
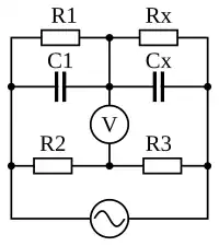
Pont résistance-capacité parallèle

Dans ce pont ; le condensateur pur CX est placé en parallèle de la résistance pure RX. Ce montage est plus efficace pour mesurer les capacités avec une faible résistance série équivalente[5].
Ci-dessous les relations qui déterminent la capacité et la résistance inconnues lorsque le circuit est équilibré. C'est-à-dire lorsque la tension du voltmètre V indique 0.
et
- .
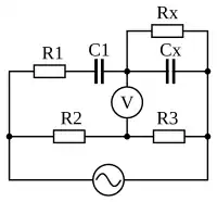
Pont de Wien

Le Pont de Wien, un hybride des deux ponts ci-dessus, permet de mesurer avec précision la capacité CX d'un composant et sa résistance RX[6].
Ci-dessous les relations qui déterminent la capacité et la résistance inconnues lorsque le circuit est équilibré. C'est-à-dire lorsque la tension du voltmètre V indique 0.
- et
Cette équation se simplifie si on choisit R1 = Rx et C1 = Cx, et il en résulte alors R2 = 2R3.
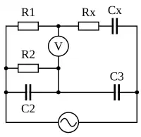
Pont de Schering

Dans le Pont de Schering, le condensateur pur CX est placé en série de la résistance pure RX sur la branche opposée à un assemblage parallèle d'une résistance et d'un condensateur variable. Ce montage est utilisé pour mesure les capacités d'éléments fonctionnant en haute tension et haute fréquence[7].
CX, RX et C3 forment la partie haute tension et R1, R2, C2 la partie basse tension. L'idée du pont de Schering est de modifier R2 et C2 jusqu'à ce que la tension aux bornes du voltmètre V soit nulle. R1 est parfois également variable, soit trois variables pour deux contraintes[8].
Ci-dessous les relations qui déterminent la capacité et la résistance inconnues lorsque le circuit est équilibré. C'est-à-dire lorsque la tension du voltmètre V indique 0. L'équation d'équilibre est indépendante de la fréquence.
et
Le pont de Schering est utilisé pour mesurer la tangente de perte tan(δ) d'une capacité ou d'une isolation. Celle-ci s'exprime :
Avec ω la pulsation (rad/s).
Notes et références
- ↑ An Zhou, Modèles de composants passifs et couplage électromagnétique pour filtres HF de puissance : optimisation du placement. Energie électrique., Lyon, Université Claude Bernard - Lyon I, , 182 p. (lire en ligne), p. 35
- ↑ (en) Nathan Valentine, Michael H. Azarian, Michael Pecht, Metallized film capacitors used for EMI filtering: A reliability review, (lire en ligne)
- ↑ (en) « How to Measure Capacitance with a Digital Multimeter », sur www.fluke.com (consulté le )
- ↑ (en) « IEC 60384-1:2021 », sur webstore.iec.ch (consulté le )
- 1 2 John G, The Measurement, Instrumentation and Sensors Handbook, IEEE Press, , 1re éd.
- ↑ (en) Frederick Emmons Terman, Radio Engineers' Handbook, McGraw-Hill Book Company, Inc., New York and London, (réimpr. 8), 1re éd., 1019 p. (ISBN 9780070636309), p. 905
- ↑ Huu Can Auteur du texte Nguyên, Équilibrage rapide et automatique d'un pont de Schering, (lire en ligne)
- ↑ (en) « Schering Bridge (Measurement of Capacitance) », sur MyClassBook, (consulté le )
Articles connexes
Liens externes
- Portail de la physique
- Portail de l’électricité et de l’électronique