Circuit intégré 7432

Circuit intégré 7432 (Motorola SN74LS32)
Die d'un 74F32

Le circuit intégré 7432 fait partie de la série des circuits intégrés 7400 utilisant la technique TTL.
Ce circuit est composé de quatre portes logiques indépendantes OU à deux entrées.

Brochage

Brochage des boîtiers DIP
(vue du dessus)

Table de vérité

Entrées Sortie
A B Y
0 0 0
0 1 1
1 0 1
1 1 1

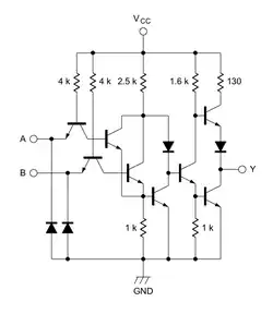
Schéma interne

Schéma d'une porte du circuit SN7432 (TTL standard) de Texas Instruments.
Schéma d'une porte du circuit SN74LS32 (TTL Low-power Schottky) de Texas Instruments.
Schéma d'une porte du circuit SN74S32 (TTL Schottky) de Texas Instruments.

Voir aussi

Références

Liens internes

  • icône décorative Portail de l’électricité et de l’électronique