Circuit intégré 7451

Le circuit intégré 7451[1],[2],[3] fait partie de la série des circuits intégrés 7400 utilisant la technologie TTL.
Ce circuit est composé de deux combinaisons de portes logiques ET-OU-NON à deux ou trois entrées.
Il effectue l'opération logique Y = A·B + C·D dans le cas des circuits 7451 (TTL standard), 74H51 (TTL High-speed) et 74S51 (TTL Schottky) et les opérations logiques 1Y = 1A·1B·1C + 1D·1E·1F et 2Y = 2A·2B + 2C·2D dans le cas des circuits 74L51 (TTL Low-power) et 74LS51 (TTL Low-power Schottky).
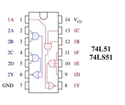
Brochage

(vue du dessus)
Les broches 11 et 12 sont inutilisées (non connectées en interne) dans le cas des circuits 7451, 74H51 et 74S51.
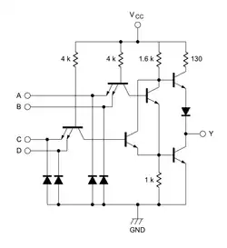
Schéma logique
Tables de vérité
- Table de vérité des 7451, 74H51 et 74S51 et de la seconde porte des 74L51 et 74LS51 :
| Entrées | Sortie | |||
|---|---|---|---|---|
| A | B | C | D | Y |
| 0 | x | 0 | x | 1 |
| 0 | x | x | 0 | 1 |
| x | x | 1 | 1 | 0 |
| x | 0 | 0 | x | 1 |
| x | 0 | x | 0 | 1 |
| 1 | 1 | x | x | 0 |
- Table de vérité de la première porte des 74L51 et 74LS51 :
| Entrées | Sortie | |||||
|---|---|---|---|---|---|---|
| 1A | 1B | 1C | 1D | 1E | 1F | 1Y |
| 0 | x | x | 0 | x | x | 1 |
| 0 | x | x | x | 0 | x | 1 |
| 0 | x | x | x | x | 0 | 1 |
| x | x | x | 1 | 1 | 1 | 0 |
| x | 0 | x | 0 | x | x | 1 |
| x | 0 | x | x | 0 | x | 1 |
| x | 0 | x | x | x | 0 | 1 |
| x | x | 0 | 0 | x | x | 1 |
| x | x | 0 | x | 0 | x | 1 |
| x | x | 0 | x | x | 0 | 1 |
| 1 | 1 | 1 | x | x | x | 0 |
| Notes : |
|---|
|
0 = niveau logique bas |
Tables de Karnaugh
- Table de Karnaugh des 7451, 74H51 et 74S51 et de la seconde porte des 74L51 et 74LS51 :
| Y | A B | ||||
|---|---|---|---|---|---|
| 00 | 01 | 11 | 10 | ||
| C D | 00 | 1 | 1 | 0 | 1 |
| 01 | 1 | 1 | 0 | 1 | |
| 11 | 0 | 0 | 0 | 0 | |
| 10 | 1 | 1 | 0 | 1 | |
- Table de Karnaugh de la première porte des 74L51 et 74LS51 :
| 1Y | 1A 1B 1C | ||||||||
|---|---|---|---|---|---|---|---|---|---|
| 000 | 001 | 011 | 010 | 110 | 111 | 101 | 100 | ||
| 1D 1E 1F | 000 | 1 | 1 | 1 | 1 | 1 | 0 | 1 | 1 |
| 001 | 1 | 1 | 1 | 1 | 1 | 0 | 1 | 1 | |
| 011 | 1 | 1 | 1 | 1 | 1 | 0 | 1 | 1 | |
| 010 | 1 | 1 | 1 | 1 | 1 | 0 | 1 | 1 | |
| 110 | 1 | 1 | 1 | 1 | 1 | 0 | 1 | 1 | |
| 111 | 0 | 0 | 0 | 0 | 0 | 0 | 0 | 0 | |
| 101 | 1 | 1 | 1 | 1 | 1 | 0 | 1 | 1 | |
| 100 | 1 | 1 | 1 | 1 | 1 | 0 | 1 | 1 | |
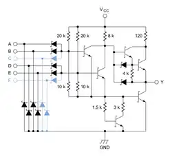
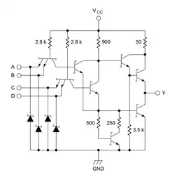
Schéma interne
(En grisé, les entrées supplémentaires de la 1ère porte)
Performances
Vitesse
En dépit de la fonction logique complexe qu'il réalise, chaque circuit ET-OU-NON présente la structure interne d'une porte TTL élémentaire unique. Il en résulte que les temps de propagation des signaux logiques entre les entrées et la sortie sont proches des minima réalisables dans chacune des séries TTL considérées.

| Circuit | tPLH (ns) | tPHL (ns) | Conditions RL / CL | ||
|---|---|---|---|---|---|
| typ. | max. | typ. | max. | ||
| SN54/7451 | 13 | 22 | 8 | 15 | 400 Ω / 15 pF |
| SN54/74H51 | 6,8 | 11 | 6,2 | 11 | 280 Ω / 25 pF |
| SN54L51 | 50 | 90 | 35 | 60 | 4 kΩ / 50 pF |
| SN54/74LS51 | 12 | 20 | 12,5 | 20 | 2 kΩ / 15 pF |
| SN54/74S51 | 3,5 | 5,5 | 3,5 | 5,5 | 280 Ω / 15 pF |
| 5 | – | 5,5 | – | 280 Ω / 50 pF | |
| À titre de comparaison : | |||||
| SN54/7400 | 11 | 22 | 7 | 15 | 400 Ω / 15 pF |
| SN54/74H00 | 5,9 | 10 | 6,2 | 10 | 280 Ω / 25 pF |
| SN54L00 | 35 | 60 | 31 | 60 | 4 kΩ / 50 pF |
| SN54/74LS00 | 9 | 15 | 10 | 15 | 2 kΩ / 15 pF |
| 54/74S00 | 3 | 4,5 | 3 | 5 | 280 Ω / 15 pF |
| 4,5 | – | 5 | – | 280 Ω / 50 pF | |
(D'après Texas Instruments[3].)
| Notes : |
|---|
|
Valeurs mesurées à TA = 25 °C (température ambiante) et VCC = 5 V |
Consommation de courant
| Circuit | ICCH | ICCL | Unité | ||
|---|---|---|---|---|---|
| typ. | max. | typ. | max. | ||
| SN54/7451 | 4 | 8 | 7,4 | 14 | mA |
| SN54/74H51 | 8,2 | 12,8 | 15,2 | 24 | mA |
| SN54L51 | 0,44 | 0,8 | 0,76 | 1,3 | mA |
| SN54/74LS51 | 0,8 | 1,6 | 1,4 | 2,8 | mA |
| SN54/74S51 | 8,2 | 17,8 | 13,6 | 22 | mA |
(D'après Texas Instruments[3].)
| Notes : |
|---|
|
ICCH : courant d'alimentation, sorties à l'état haut |
Références
- ↑ (en) Spécifications des circuits S5450/S5451/N7450/N7451, Signetics Digital 54/7400 Data Book, 1972
- ↑ (en) Spécifications des circuits SN54/7451, SN54/74S51 et SN54/74LS51, Texas Instruments, 1983 rev.1988
- 1 2 3 4 (en) The TTL Data Book Vol. 2 Texas Instruments 1985
Voir aussi
Liens internes
- Portail de l’électricité et de l’électronique




