Circuit intégré 7486

Circuit intégré 7486 (Motorola SN74LS86)
Die d'un SN74HC86

Le circuit intégré 7486 fait partie de la série des circuits intégrés 7400 utilisant la technique TTL.
Ce circuit est composé de quatre portes logiques indépendantes OU exclusif à deux entrées.

Brochage

Brochage des boîtiers DIP
(vue du dessus)

Table de vérité

Entrées Sortie
A B Y
0 0 0
0 1 1
1 0 1
1 1 0

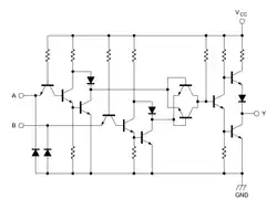
Schéma interne

Schéma d'une porte du circuit TTL standard 7486 (OU Exclusif) de Fairchild[1].
Diagramme logique d'une porte du circuit TTL standard 7486 (OU Exclusif) de Fairchild.

Références

  1. (en) TTL Data Book Fairchild 1972

Voir aussi

Liens internes

Liens externes

  • icône décorative Portail de l’électricité et de l’électronique