Convertisseur AC-AC
Un convertisseur AC-AC convertit une forme d'onde alternative (AC) en une autre forme d'onde AC, dont la tension et la fréquence de sortie peuvent être définies arbitrairement.
Catégorie

En se référant à la figure 1, les convertisseurs AC-AC peuvent être classés comme suit :
- Convertisseurs indirects AC-AC (ou AC-CC-AC) (c'est-à-dire avec redresseur, liaison CC et onduleur)[2], tels que ceux utilisés dans les variateur électronique de vitesse.
- Cycloconvertisseur
- Convertisseurs matriciels hybrides
- Convertisseurs matriciels (MC)
- Régulateur de tension
- Gradateur
Convertisseurs de liaison CC


Il existe deux types de convertisseurs avec liaison CC :
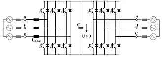
- Convertisseurs inverseurs de source de tension (VSI) (Fig. 2) : Dans les convertisseurs VSI, le redresseur est constitué d'un pont de diodes et la liaison CC est constituée d'un condensateur shunt.
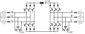
- Convertisseurs inverseurs de source de courant (CSI) (Fig. 3) : Dans les convertisseurs CSI, le redresseur est constitué d'un pont de dispositifs de commutation à commande de phase et la liaison CC est constituée d'une ou deux inductances en série entre une ou les deux branches de la connexion entre le redresseur et l'onduleur.
Toute opération de freinage dynamique requise pour le moteur peut être réalisée au moyen d'un hacheur de freinage à courant continu et d'une résistance shunt connectée au redresseur. Une autre solution consiste à prévoir un pont de thyristors antiparallèle dans la section du redresseur pour réinjecter l'énergie dans la ligne AC. Ces redresseurs à thyristors à commande de phase présentent toutefois une distorsion de ligne AC plus élevée et un facteur de puissance plus faible à faible charge que les redresseurs à diodes.
Un convertisseur AC-AC avec des courants d'entrée approximativement sinusoïdaux et un flux de puissance bidirectionnel peut être réalisé en couplant un redresseur à modulation de largeur d'impulsion (PWM) et un onduleur PWM au lien CC. La quantité de courant continu est ensuite appliquée à un élément de stockage d'énergie commun aux deux étages, qui est un condensateur C pour le circuit continu de tension ou une inductance L pour le circuit continu de courant. Le redresseur à modulation de largeur d'impulsion est commandé de manière à prélever un courant de ligne alternatif sinusoïdal, qui est en phase ou en opposition de phase (pour le retour d'énergie) avec la tension de phase de ligne alternative correspondante.
Grâce à l'élément de stockage du lien CC, les deux étages du convertisseur sont dans une large mesure découplés à des fins de contrôle. De plus, il existe une quantité d'entrée constante, indépendante de la ligne AC, pour l'étage du convertisseur PWM, ce qui entraîne une utilisation élevée de la capacité de puissance du convertisseur. D'autre part, l'élément de stockage d'énergie du lien continu a un volume physique relativement important, et lorsque des condensateurs électrolytiques sont utilisés, dans le cas d'un lien continu de tension, il y a potentiellement une durée de vie réduite du système.
Cycloconvertisseur
Un cycloconvertisseur construit une forme d'onde de sortie, à fréquence variable, approximativement sinusoïdale, en commutant des segments de la forme d'onde d'entrée vers la sortie ; il n'y a pas de liaison CC intermédiaire. Avec des éléments de commutation tels que les Redresseur commandé au silicium, la fréquence de sortie doit être inférieure à celle de l'entrée. De très grands cycloconvertisseurs (de l'ordre de 10 MW) sont fabriqués pour l'entraînement des compresseurs et des souffleries, ou pour des applications à vitesse variable telles que les fours à ciment.
Convertisseurs matriciels


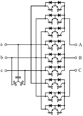
Afin d'obtenir une densité de puissance et une fiabilité plus élevées, il est logique d'envisager des convertisseurs matriciels qui réalisent une conversion AC-AC triphasée sans élément de stockage d'énergie intermédiaire. Les convertisseurs matriciels directs conventionnels (figure 4) effectuent la conversion de la tension et du courant en un seul étage.
Il existe une autre option de conversion indirecte de l'énergie en utilisant le convertisseur matriciel indirect (figure 5) ou le convertisseur matriciel épars qui a été inventé par le professeur Johann W. Kolar de l'ETH Zurich. Comme dans le cas des régulateurs VSI et CSI basés sur le lien DC (Fig. 2 et Fig. 3), des étages séparés sont prévus pour la conversion de la tension et du courant, mais le lien DC n'a pas d'élément de stockage intermédiaire. En général, l'utilisation de convertisseurs matriciels permet d'éliminer l'élément de stockage dans le circuit intermédiaire au prix d'un plus grand nombre de semi-conducteurs.
Les convertisseurs matriciels sont souvent considérés comme un concept d'avenir pour la technologie des variateurs de vitesse, mais malgré des recherches intensives au cours des décennies, ils n'ont jusqu'à présent connu qu'une faible pénétration industrielle. Cependant, invoquant la disponibilité récente de semi-conducteurs à faible coût et à haute performance, un grand fabricant de variateurs a, ces dernières années, activement promu les convertisseurs matriciels[11].
Notes et références
- ↑ J. W. Kolar, T. Friedli, F. Krismer, S. D. Round, “The Essence of Three-Phase AC/AC Converter Systems”, Proceedings of the 13th Power Electronics and Motion Control Conference (EPE-PEMC'08), Poznan, Poland, pp. 27 – 42, Sept. 1 - 3, 2008.
- ↑ M. Y. Lee, Three-level Neutral-point-clamped Matrix Converter Topology, University of Nottingham, (lire en ligne [archive du ]), p. 8
- ↑ I. Takahashi, Y. Itoh, “Electrolytic Capacitor-Less PWM Inverter“, in Proceedings of the IPEC’90, Tokyo, Japan, , pp. 131 – 138, April 2 – 6, 1990.
- ↑ K. Kuusela, M. Salo, H. Tuusa, “A Current Source PWM Converter Fed Permanent Magnet Synchronous Motor Drive with Adjustable DC-Link Current“, in Proceedings of the NORPIE’2000, Aalborg, Denmark, pp. 54 – 58, June 15 – 16, 2000.
- ↑ M. H. Bierhoff, F. W. Fuchs, “Pulse Width Modulation for Current Source Converters – A Detailed Concept,“ in Proceedings of the 32nd IEEE IECON’06, Paris, France, Nov. 7–10, 2006.
- ↑ L. Gyugyi, B. R. Pelly, “Static Power Frequency Changers - Theory, Performance, & Application“, New York: J. Wiley, 1976.
- ↑ W. I. Popow, “Der zwangskommutierte Direktumrichter mit sinusförmiger Ausgangsspannung,“ Elektrie 28, No. 4, pp. 194 – 196, 1974
- ↑ J. Holtz, U. Boelkens, “Direct Frequency Converter with Sinusoidal Line Currents for Speed-Variable AC Motors“, IEEE Transactions on Industry Electronics, Vol. 36, No. 4, pp. 475–479, 1989.
- ↑ K. Shinohara, Y. Minari, T. Irisa, “Analysis and Fundamental Characteristics of Induction Motor Driven by Voltage Source Inverter without DC Link Components (in Japanese)“, IEEJ Transactions, Vol. 109-D, No. 9, pp. 637 – 644, 1989.
- ↑ L. Wei, T. A. Lipo, “A Novel Matrix Converter Topology with Simple Commutation“, in Proceedings of the 36th IEEE IAS’01, Chicago, USA, vol. 3, pp. 1749–1754, Sept. 30 – Oct. 4, 2001.
- ↑ Mahesh Swamy et Kume, Tsuneo, « Present State and Futuristic Vision of Motor Drive Technology », www.powertransmission.com, (lire en ligne, consulté le )
- (en) Cet article est partiellement ou en totalité issu de l’article de Wikipédia en anglais intitulé « AC-to-AC converter » (voir la liste des auteurs).
- Portail de l’électricité et de l’électronique
- Portail de l’énergie