Courant continu haute tension

Convertisseurs à thyristors sur le pôle 2 de la ligne Inter-Island en Nouvelle-Zélande.
Symbole d'un convertisseur AC/DC (redresseur triphasé).

Le courant continu haute tension (CCHT), en anglais High Voltage Direct Current (HVDC), est une technologie d'électronique de puissance[1] utilisée pour le transport de l'électricité en courant continu haute tension. Son utilisation est minoritaire par rapport au transport électrique à courant alternatif (AC) traditionnel de nos réseaux électriques. Son principal intérêt est de permettre le transport d'électricité sur de longues distances ; le courant continu cause moins de pertes dans ce cas. Par ailleurs, c'est l'unique possibilité pour transporter de l'électricité dans des câbles enterrés ou sous-marins sur des distances supérieures à environ 100 km. En effet, la puissance réactive produite par le caractère capacitif du câble, s'il est alimenté par du courant alternatif, finit par empêcher le transport de la puissance active, qui est recherchée. En courant continu, aucune puissance réactive n'est produite dans le câble. D'autres avantages de la technologie HVDC peuvent également justifier son choix sur des liaisons plus courtes : facilité de réglage, influence sur la stabilité et possibilité de régler la puissance transitée notamment.

Une station en courant continu haute tension peut permettre de connecter entre eux deux réseaux alternatifs non synchrones, par exemple n'ayant pas la même fréquence (liaisons au Japon entre des iles à 50 Hz et d'autres à 60 Hz) ou ayant des réglages de fréquence indépendants[2]. Cela permet d'échanger de l'énergie entre des réseaux sans les connecter directement et donc en évitant la propagation des instabilités d'un réseau à l'autre. De manière plus générale, la stabilité des réseaux est améliorée, le flux d'énergie s'interrompant si une instabilité ou un défaut est détecté d'un côté de la liaison, qui ne se propage donc pas. Au-delà de ce point, les liaisons HVDC permettent un net gain en termes de stabilité. Par exemple les liaisons HVDC VSC permettent de stabiliser le réseau, entre autres en fournissant juste la quantité d'énergie réactive dont a besoin le réseau pour avoir un profil de tension stable.

La technologie HVDC est apparue dans les années 1930. Elle a été développée par ASEA en Suède et en Allemagne. La première ligne HVDC a été construite en Union soviétique en 1951 entre Moscou et Kachira. Une autre ligne a ensuite été construite en 1954 entre l'île de Gotland et la Suède continentale, à une tension de 100 kV et avec une puissance de 20 MW[3].

Il existe deux grandes familles technologiques de connexions à courant continu :

  • l'une fonctionne en source de courant, utilisant des thyristors, appelée « Line-commutated converters » (LCC), « convertisseurs commutés par la ligne » ;
  • l'autre fonctionne en source de tension, utilisant des IGBT développés dans les années 1990 et appelées « Voltage-source converters » (VSC), « convertisseurs source de tension ».

Les premières servent au transport de grande ou très grande puissance, jusqu'à 7 600 MW[4], avec des tensions allant jusqu'à ±800 kV, sur de grandes distances, jusqu'à 2 500 km[5]. La seconde, plus réglable, plus compacte, ne nécessitant pas un réseau « fort[6] », est particulièrement adaptée au transport d'électricité provenant des éoliennes en mer ou au transport d'électricité par câble au polyéthylène réticulé (XLPE), donc sans huile minérale. Elle a cependant une puissance maximale limitée à GW par bipole en 2012[7].

Courant continu et courant alternatif

Dans les années 1880 eut lieu la guerre des courants entre les partisans d'un réseau à courant continu comme Thomas Edison et ceux d'un réseau à courant alternatif comme Nikola Tesla et George Westinghouse. Le courant continu survécut 10 ans ; mais rapidement le développement des transformateurs de puissance, nécessaires pour élever la tension et ainsi limiter les pertes, conduisit à la généralisation des réseaux en courant alternatif[8].

Ainsi dans les réseaux actuels, la puissance électrique est produite en courant alternatif, transportée, distribuée et consommée très majoritairement en courant alternatif. Toutefois, dans certains cas l'usage du courant continu est avantageux : il rend possible la connexion de réseaux asynchrones, il est utilisé quand la distance est trop importante pour avoir une liaison aérienne en courant alternatif stable et/ou économique, pour transporter de grandes puissances, pour les lignes sous-marines, pour augmenter la puissance sans augmenter la puissance de court circuit ou pour améliorer les performances du réseau en courant alternatif grâce à la commandabilité des stations HVDC[9],[10].

Ce n'est qu'avec le développement de l'électronique de puissance avec notamment l'invention des diodes à vapeur de mercure que l'utilisation de courant continu à haute tension est devenue possible. Cette invention fut suivie par celle des thyristors à base de semi-conducteurs dans les années 1970. Les insulated-gate bipolar transistor (IGBT) n'apparurent que plus tard[11].

Les lignes de transport en courant continu sont de plus en plus répandues, le rythme des projets augmentant ces dernières années[10].

Applications

Liaisons entre grande centrale électrique et charge distante

Le barrage des Trois-Gorges est relié à Changzhou, Guangdong et Shanghai en HVDC[12]

La technologie HVDC LCC offre de grands avantages pour le transport d'une grande puissance depuis une centrale électrique vers une charge éloignée. À la différence des lignes AC, les lignes HVDC n'ont pas besoin de compensation sur de longues distances, la stabilité de la centrale n'est pas menacée[13], les pertes en ligne sont également très réduites.

La réduction des pertes est en particulier liée au fait que la résistance en courant continu des lignes est plus faible qu'en courant alternatif (absence d'effet de peau), mais surtout au fait que seule la puissance active est transportée en courant continu. Les pertes Joule dues au transport de la puissance réactive n'existent pas en courant continu, le courant est donc seulement limité par les capacités thermiques des conducteurs[13]. Inversement le courant continu haute tension implique des pertes supplémentaires dans les stations de conversion. En dehors de toute considération technique, le choix économique d'utiliser ou pas du courant continu pour une liaison de grande longueur est lié en particulier à l'équilibre entre trois paramètres [14],[15]:

  • le coût supplémentaire des stations de conversion ;
  • les pertes de ces stations de conversion ;
  • les pertes en ligne.

Il en résulte donc une longueur de ligne au-delà de laquelle un projet de ligne à courant continu est rentable. On estime en général cette longueur à 500 km environ[15].

Les exemples les plus marquants sont les connexions entre barrages, barrage des Trois-Gorges, barrages du Tibet ou Itaipu, et centre de charge : côte chinoise, Sud-est brésilien. De très hautes tensions sont utilisées à cette fin : ± 500, 600 ou 800 kV. La facilité de commande des HVDC est également un avantage majeur pour gérer de telles puissances[10],[16].

Liaisons sous-marines et à câbles

Consommation en puissance réactive Q par kilomètre de ligne aérienne 380 kV, de câble souterrain et pour un GIL en fonction de la puissance apparente transportée S et à 50 Hz[17]. Une ligne en courant continu ne consomme pas de puissance réactive
Modèle en Pi d'une ligne électrique, les câbles ont des capacités grandes

Par ailleurs, le HVDC est particulièrement adapté pour transporter de l'énergie électrique par câble, sous-marin entre autres. Au-delà d'une certaine distance, 60 à 80 km environ pour des liaisons souterraines ou sous-marines, l'importance du courant capacitif rend peu intéressant le transport d'électricité en courant alternatif. Les câbles AC ont en effet un comportement capacitif vis-à-vis de la terre. Leurs charges et décharges finissent par consommer l'intégralité du courant disponible. Autrement dit la puissance transportée par le câble devient intégralement réactive. Afin de réduire cet effet capacitif, on installe dans les liaisons classiques en courant alternatif des réactances de compensation, ce qui est coûteux. Ce phénomène n'apparaît pour le courant continu que lors de la mise sous tension ou d'inversion de polarité (pour le VSC, il n'y a même pas d'inversion de polarité). En régime permanent, le courant étant continu, la capacité parasite du câble ne se charge ou décharge pas. Il n'y a donc aucune limite théorique existante, en matière de distance, pour l'HVDC. Ainsi le projet NorNed entre la Norvège et les Pays-Bas comporte deux câbles de 580 km chacun[18],[10],[19].

L'utilisation de câble en polyéthylène réticulé n'est possible que pour les VSC, l'inversion de polarité les endommageant. Ces câbles ont l'avantage de ne pas contenir d'huile, ce qui présente un avantage sur le plan écologique. La technologie VSC est donc souvent associée aux câbles[20].

Connexions de réseaux non synchrones

Voir partie Tête-bêche

HVDC et énergies renouvelables

La plate-forme Alpha Ventus est connectée en courant alternatif, elle a servi de modèle aux plateformes HVDC offshore

Le thème des lignes HVDC revient régulièrement dans les débats sur les énergies renouvelables, pour plusieurs raisons. Tout d'abord, comme vu dans le précédent chapitre, les câbles à courant continu sont les seules solutions pour transporter de l'électricité sous l'eau sur de longues distances. Elles sont donc utilisées pour raccorder les parcs éoliens éloignés des côtes [21]. La technologie VSC est utilisée car elle nécessite moins d'espace, est en première approche indépendante de la puissance de court-circuit du réseau, et peut ainsi alimenter une source passive ou évacuer l'énergie provenant d'une centrale fonctionnant par intermittence[22],[10],[23]. Les premiers projets du genre ont été construits dans la mer du Nord avec la plateforme BorWin Alpha, d'autres projets commandés par TenneT sont en construction dans le même secteur[24].

Connexions sous-marines HVDC en Europe (à l'exception des lignes de faible puissance pour les plates-formes et des lignes de service). Légende :
- existant,
- projet approuvé,
- options à l'étude
(non à jour).

D'autre part, les énergies renouvelables modifient la typologie des flux sur les réseaux. Ceux-ci fluctuent désormais plus fréquemment, avec des amplitudes de variation plus marquées, et couvrent des distances plus grandes. Le réseau de transport existant a été conçu pour transporter la puissance depuis des centrales électriques de forte puissance[25] vers les centres de consommation. Les sources d'énergie renouvelable se trouvant rarement au même endroit que les centrales de forte puissance, le réseau doit être renforcé là où sont connectées les nouvelles centrales. Par ailleurs les énergies renouvelables fluctuant, il devient important de pouvoir transporter l'électricité sur de plus grandes distances, ainsi en Allemagne les éoliennes sont surtout situées dans le nord du pays tandis que les panneaux photovoltaïques se trouvent majoritairement dans le sud, selon que la météo est ensoleillée ou venteuse l'électricité doit être convoyée d'une extrémité à l'autre du pays. Ainsi le gouvernement allemand a programmé le renforcement de son réseau électrique sur l'axe nord - sud avec la construction de 4 à 5 lignes utilisant la technologie HVDC VSC d'ici (à compléter) pour une puissance totale comprise entre 10 et 28 GW selon le scénario retenu. Ces lignes vont emprunter autant que possible les corridors d'infrastructure déjà existants, toutefois de nouveaux corridors d'une longueur comprise entre 3 500 et 4 700 km doivent être construits. Des lignes AC doivent être transformées en ligne HVDC. Au total l'investissement prévu, HVDC et renforcement du réseau AC, s'élève entre 19 et 27 milliards d'euros, dans ce total de 5 à 12 milliards concernent les installations HVDC[26].

Euro-Supergrid avec connexions EU-MENA : schéma d’une infrastructure possible pour un approvisionnement de puissance entre l’Europe et le Moyen-Orient/ Afrique du Nord.

La population toujours moins encline à accepter le passage de lignes à haute tension dans leur voisinage et les lignes en courant continu étant particulièrement bien adaptées au transport électrique par câble, la probabilité de voir une grande partie du renforcement se faire en câble et en courant continu est élevée. De plus, les lignes à courant continu permettent de piloter le flux d'énergie ce qui est particulièrement utile dans un réseau électrique gagnant en complexité.

Dans le cadre d'une utilisation importante des énergies renouvelables, un renforcement à plus grande échelle est souhaitable, les ressources en énergie renouvelable des différentes régions ou pays n'étant pas les mêmes à un moment donné. Des projets de super-réseaux[anglais 1] sont donc à l'étude, particulièrement au niveau européen, afin de lisser la production[27]. Ces projets sont subventionnés par la commission européenne depuis janvier 2009, afin d'améliorer les interconnexions entre pays européens. Des projets de liaisons à travers la mer Méditerranée ont également été étudiés dans le cadre d'un programme de grande envergure : le projet Desertec de la Trans-Mediterranean Renewable Energy Cooperation[28].

Histoire

Systèmes électromécaniques

Schéma de principe d'un système de transmission HVDC deThury
Pylône électrique du bipôle Baltic Cable en Suède

La première liaison électrique à longue distance construite en 1882 entre Miesbach et Munich utilisait le courant continu à une tension de 2,5 kV[11]. Une méthode pour le transport de courant continu haute tension fut ensuite développée par l'ingénieur suisse René Thury[29] puis mise en application en 1889 en Italie par la société Acquedotto De Ferrari-Galliera. Son idée consistait à connecter en série des moteurs et des générateurs à courant continu pour accroître la tension. La ligne était alimentée par un courant constant, avec une tension de kV par machine, certaines machines ayant deux induits afin de réduire la tension appliquée à chacun[30]. Finalement, ce système était capable de transmettre 630 kW à une tension de 14 kV continue sur une distance de 120 km[31],[32]. Il fut en service jusqu'en 1913[33].

Un autre projet précurseur fut la ligne Lyon-Moûtiers capable de transmettre 8 600 kW de puissance hydroélectrique sur une distance de 200 km, dont 10 sous terre. Le système utilisait 8 générateurs connectés en série avec deux induits par générateur. Au total, il y avait une tension de 150 kV entre les pôles. Elle fut en fonctionnement de 1906 à 1936[33],[34],[11]. D'autres systèmes de Thury fonctionnèrent dans les années 1930 avec des tensions allant jusqu'à 100 kV, mais les machines tournantes demandaient beaucoup de maintenance et avaient un mauvais rendement. D'autres systèmes électromécaniques furent testés durant la première moitié du XXe siècle sans succès commercial[35]. Kimbark rapporte que ces systèmes avaient un taux de disponibilité d'environ 70 %, ce qui est certes acceptable mais loin des standards de qualité actuels[36].

Une méthode fut imaginée pour diminuer la tension du courant continu haute tension en bout de ligne en utilisant des batteries connectées en série. Elles étaient ensuite connectées en parallèle pour alimenter le réseau de distribution[37]. Mais à cause de la capacité limitée des batteries, la difficulté du passage série/parallèle, ainsi que les pertes énergétiques causées par leurs charges et décharges menèrent à l'échec les deux expériences commerciales qui furent tentées.

Diodes à vapeur de mercure

Les diodes à vapeur de mercure sont inventées en 1901[38]. Elles sont tout d'abord utilisées pour redresser la tension aux bornes de machines électriques industrielles. L'usage des diodes à vapeur de mercure dans les réseaux électriques, pensé en 1914 est développé entre les années 1920 et 1940[39]. Des diodes avec thyratron ont également été conçues[40]. Les États pionniers dans le domaine sont ceux possédant de longues lignes électriques : les États-Unis, l'URSS et la Suède[38]. En 1932, General Electric teste une ligne à courant continu de 12 kV à diodes à vapeur de mercure. Elle permet d'alimenter une charge à 60 Hz à Mechanicville alors que l'électricité est produite à 40 Hz. En 1941, une liaison de 60 MW, ±200 kV sur une distance de 115 km, l'Elbe-Projekt, est conçue pour alimenter Berlin. Elle doit utiliser des diodes à vapeur de mercure. Toutefois la chute du régime en 1945 empêche l'achèvement des plans[41]. Pour justifier les fonds alloués au projet en pleine guerre, ses concepteurs argumentent qu'un câble souterrain est moins sensible aux bombardements qu'une ligne aérienne. L'Union soviétique met la main sur l'équipement à la fin de la guerre et le construit entre Moscou et Kachira[42]. Cette liaison, ainsi que la ligne construite par ASEA entre l'île de Gotland et la Suède marquent les véritables débuts de la technologie HVDC.

Les travaux du docteur Uno Lamm en Suède dans le domaine, font qu'il est souvent considéré comme étant le père de l'HVDC[38]. L'IEEE a d'ailleurs baptisé de son nom la récompense pour une avancée technologique importante dans le domaine de l'HVDC[43],[40].

Nelson River 1 au Manitoba au Canada est la dernière station HVDC à avoir été mise en service avec cette technologie en 1972[44].

Depuis, toutes les stations utilisant cette technologie ont été soit fermées, soit rénovées, les diodes à vapeur de mercure étant remplacées par des systèmes à semi-conducteurs. La dernière liaison à en avoir en service est la ligne HVDC Inter-Island en Nouvelle-Zélande, qui relie comme son nom l'indique les deux îles entre elles. Elle n'a d'abord gardé qu'un pôle avec cette technologie[45], puis en a arrêté l'exploitation le en même temps que les nouveaux convertisseurs à thyristors étaient mis en service[46].

Les projets suivants ont utilisé cette technique[47],[48] :

Station de Nelson River avec une ligne de 150 kV et 1 800 A utilisant des valves à diodes à vapeur de mercure

Valves à thyristors

Depuis 1977, tous les systèmes HVDC ont été construits avec des composants à état solide, dans la plupart des cas des thyristors. Comme les diodes à vapeur de mercure, les thyristors ont besoin d'un circuit extérieur, le réseau de courant alternatif, pour être commutés, ils font donc partie de la famille des LCC et ont les mêmes restrictions[50].

Le développement de cette technologie commence vers la fin des années 1960. La première liaison construite est la station de la Eel River au Canada[48]. Elle a été mise en service en 1972 et General Electric en est le maître d'œuvre[51].

En 2012, des valves à thyristors ont été utilisées sur plus de 100 projets, d'autres étant toujours en cours de planification[52].

Convertisseurs en source de tension (VSC)

Technologie apparue dans les années 1980 pour piloter les moteurs électriques, la première application HVDC date de 1997, avec le projet expérimental Hellsjön–Grängesberg, en Suède[53].

Les développements dans le domaine des semiconducteurs, et en particulier des IGBT, ont permis de rendre les petites liaisons en courant continu plus abordables. ABB, Siemens et Alstom sont présents sur le marché en 2012. Les convertisseurs en source de tension sont apparus en 1997[54].

Les premières installations utilisaient la modulation de largeur d'impulsion sur des convertisseurs à 2 étages, concrètement la tension vaut alors alternativement +V et -V, la modulation de largeur d'impulsion permettant d'obtenir une fondamentale sinusoidale[55]. Toutefois des filtres doivent être construits pour éliminer les harmoniques, ils prennent beaucoup de place, environ la moitié de la surface de la station, et restent coûteux[56].

Depuis, Siemens a lancé en 2010 une technologie dite « Modular Multi-Level Converter » (MMC), convertisseurs à modules multi-étages, qui permet de reproduire fidèlement un sinus sans utilisation de filtres[57]. ABB a depuis lancé une technologie similaire dite en « cascade », acronyme CTLVSC-HVDC. Alstom quant à lui est en train de lancer une technologie « hybride » entre LCC et VSC appelée « Hybrid », acronyme HML-VSC-HVDC[58].

Autre technologie

Une technologie mettant en série des capacités entre les transformateurs et les valves a été conçue par ABB pour permettre l'usage d'HVDC dans les réseaux faibles. Nommée « Capacitor-Commutated Converter » (CCC)[59], elle a quasiment perdu tout intérêt depuis l'émergence des VSC.

Convertisseurs

Généralités

En plus de permettre le transport de puissance électriques, les HVDC ont l'utilité de stabiliser le réseau lors d'événements transitoires. Par ailleurs les lignes à courant continu ne propagent pas les défauts : si un court-circuit ou une coupure courant a lieu d'un côté de la ligne, la connexion est interrompue automatiquement, n'affectant pas l'autre côté[10],[60].

Un des défauts des lignes HVDC, que ce soit LCC ou VSC, est de ne pas avoir autant de capacité de surcharge temporaire que les lignes AC[61].

Convertisseurs commutés par les lignes (LCC)

Exemple de station HVDC, ici Haywards en Nouvelle-Zélande

La très grande majorité des systèmes HVDC en opération sont commutés par les lignes. Comme leur nom l'indique, ces convertisseurs dépendent du réseau auquel ils sont connectés pour effectuer leurs commutations[62]. Ils sont constitués d'éléments qui ne peuvent qu'être rendus passants par le circuit de commande, leur blocage ne pouvant provenir que des conditions extérieures, comme les diodes à vapeur de mercure ou les thyristors[48].

Les convertisseurs LCC nécessitent un circuit extérieur pour forcer le courant à zéro et ainsi permettre d'éteindre le système. On dit qu'ils ont besoin d'un réseau suffisamment fort. Sinon, des échecs de commutation se produisent, le courant ne passe pas d'une branche du pont à l'autre, la tension de sortie n'est alors pas sinusoïdale. D'où leur nom de convertisseurs commutés par ligne[anglais 2] (LCC). Cette caractéristique rend la connexion de la ligne à une charge passive, sans générateur, impossible. Cela implique qu'il est difficile de redémarrer un réseau[anglais 3] grâce à une LCC[63],[64]. Dans le même ordre d'idées, une liaison LCC doit transporter une puissance minimale, typiquement d'environ 10 % de la puissance nominale, pour éviter des échecs dans les commutations[22].

Dans la technologie LCC, le courant continu ne change pas de direction. Il traverse des bobines de forte inductance, appelées « bobines de lissage », qui le maintiennent à un niveau quasiment constant. Sa valeur est déterminée par la chute de tension entre les deux stations et par la résistance de la ligne, simple loi d'Ohm. Les stations peuvent être modélisées côté AC par des sources de courant, on parle ainsi de convertisseur source de courant pour désigner cette technologie[62].

La direction du courant étant toujours la même, la direction du flux de puissance est inversée en inversant la tension continue aux deux stations. Certains systèmes HVDC utilisent pleinement cette bidirectionnalité, typiquement dans le cas des interconnexions comme entre la France et l'Angleterre[65]. D'autres sont avant tout conçus pour exporter l'énergie produite par une centrale électrique tel que le barrage d'Itaipu au Brésil qui est relié à la côte du pays par une ligne à courant continu, une direction peut alors être optimisée au détriment de l'autre[66].

Comme détaillé dans la partie sur les filtres, les LCC ont le défaut de consommer de la puissance réactive. Cela a toutefois un effet secondaire intéressant : les courants de court-circuit étant quasiment purement réactif (les lignes aériennes étant principalement inductives) et les LCC ne pouvant produire de puissance réactive, les stations LCC ne contribuent pas à l'alimentation du défaut. Exprimé autrement, les LCC n'augmentent pas la puissance de court-circuit du réseau[67].

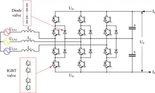
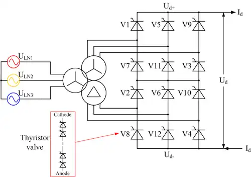
Pont à 6 impulsions

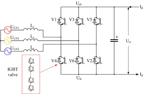
Le système est constitué de ponts de diodes triphasés, ou pont à 6 impulsions, qu'on peut représenter avec seulement six éléments de commutation, appelés « valve » en anglais et en français, chacune reliant une phase du système alternatif à une phase du système continu[68]. À chaque instant, deux valves doivent être passantes, une en haut du pont et une bas, reliant chacune une phase AC différente à l'une des deux lignes DC. Deux phases AC sont donc connectées en série aux lignes DC, la tension DC est par conséquent égale à la somme de deux phases AC à tout moment. Par exemple lorsque les valves V1 et V2 sont passantes, la tension continue est égale à la tension de la phase 1 plus celle de la phase 3[69].

À cause de l'inductance des lignes AC, le passage d'une valve à une autre, d'une phase à une autre, la commutation n'est pas instantanée. Lors de la commutation, il y a superposition[anglais 4] : deux valves conduisent simultanément. Par exemple, si les valves V1 et V2 sont passantes et que la valve V3 est amorcée, le chemin du courant doit passer de la valve V1 à la valve V3, et pendant un court instant les deux conduisent[62].

Pendant cet instant, la tension continue est égale à la moyenne de la tension des phases 1 et 2 moins celle de la phase 3. L'angle de superposition µ s'accroit avec le courant transporté par l'installation. Avec α l'angle de retard à l'ouverture des thyristors, typiquement α + µ a une valeur comprise entre 13 et 18° à pleine puissance[10].

Pont de Graetz triphasé à base de thyristors, monté en redresseur.
Explication du processus de commutation. Quand les valves 1 et 2 sont passantes, la tension continue dépend de 2 des trois tensions alternatives. Pendant la superposition, la tension continue est formée des trois tensions alternatives.

Pendant la superposition, la tension continue est plus faible qu'en son absence, elle forme une sorte de dent caractéristique. En conséquence la tension continue décroît en moyenne lorsque la période de superposition croît, autrement dit la tension continue moyenne décroît quand le courant transporté croît[69].

Tension et courant sortant d'un pont de Graetz triphasé pour un angle de superposition de 20° et α = 20°
Illustration de l'équation ci-contre

La valeur de la tension continue au bornes d'un redresseur à pont de Graetz à 6 impulsions est donnée par[70],[71] :

Où:

VLLpeak est la valeur crête de la tension alternative sortant des transformateurs connectés aux convertisseurs.
Vdi, 0 est la valeur maximale de la tension continue.
α est l'angle de retard à l'ouverture des thyristors
Lc est l'inductance de commutation des lignes AC par phase.
Xc est l'impédance de commutation des lignes AC par phase.
Idc est le courant continu
f est la fréquence du réseau alternatif, 50 ou 60 Hz selon les régions du monde.

L'angle de retard α étant l'intervalle entre le moment où la tension aux bornes d'une valve devient positive, moment où une diode deviendrait passante, et le moment où le thyristor est amorcé et devient passant[62],[72]. L'équation précédente montre clairement que quand l'angle de retard augmente, la tension continue diminue. Au-delà de 90° elle devient négative, cela marque la limite entre le fonctionnement en redresseur et le fonctionnement en onduleur[73]. L'équation pour l'onduleur est identique en remplaçant α par γ[74]. Au plus le réseau est fort, au plus Lc est faible, ainsi on assume en général que Lc, redresseur est plus faible que Lc, onduleur, la pente de la courbe côté onduleur est donc plus grande[75].

Dans une LCC, le réglage de l'angle de retard constitue la seule méthode de commande rapide des convertisseurs. Il permet de commander la valeur de la tension continue de chaque côté de la ligne, commandant en même temps la chute de tension et donc la puissance transférée. La puissance transférée par une LCC est égale à[9]:

Où:

Vredresseur est la tension continue côté redresseur
Vonduleur est la tension continue côté onduleur
Rligne est la résistance de la ligne continue
Tension et courant aux bornes d'un onduleur avec γ =20° et µ=20°

À la station de sortie, fonctionnant en onduleur, l'angle de retard idéal est de 180°, toutefois cette valeur ne peut être atteinte pour deux raisons. Tout d'abord à cause des phénomènes de superposition, ensuite à cause de l'angle d'extinction γ. Cet angle modélise le fait que les valves ne retrouvent pas instantanément leur capacité isolante après avoir été passantes. Cet angle est lié au temps de « turn-off », noté tq des thyristors et vaut typiquement 15°. La relation entre α, γ et µ est la suivante[9] : (en degrés)

Dans cette technologie, la station qui fonctionne en redresseur a un angle de retard proche de 0, celle qui fonctionne en onduleur un angle proche de 180°, la différence de tension est alors maximale, le transfert d'énergie maximalisé. Toutefois à cause des temps de commutation des valves et des marges de sécurité, les angles ne peuvent être exactement 0 et 180°, ils sont dans les faits plus proche de 13 et entre 160 et 165°[74]. La valeur maximale de l'angle α est aussi appelée « butée onduleur ». α ne peut pas être exactement égal à zéro afin de garder une tension positive suffisante dans les thyristors et ainsi éviter une erreur de commutation[76].

Si le gestionnaire du réseau souhaite inverser le sens du transfert de puissance, dans le cas d'un LCC, il doit procéder à une inversion de polarité, c'est-à-dire inverser la polarité de la tension des lignes alors que le courant ne change pas de sens[76],[77].

Pont à 12 impulsions

L'arrangement à 6 impulsions a le défaut de ne commuter que tous les 60°, ce qui produit une tension continue peu régulière, contenant donc de nombreuses harmoniques. Pour pallier ce problème, deux ponts de diodes triphasés sont montés en série côté DC, on a alors 12 valves[62]. Le système triphasé est alors dédoublé avant d'entrer dans les transformateurs. Un banc de transformateur est monté en étoile, l'autre en triangle, cela permet d'introduire un déphasage de 30° entre les deux systèmes. La commutation a alors lieux tous les 30°, ce qui réduit le contenu harmonique[78]. Cette technologie est standard depuis les années 1970[79].

Convertisseur HVDC à 12 impulsions utilisant des valves à vapeur de mercure avec des disjoncteurs permettant de court-circuiter un pont à 6 impulsions
Convertisseur HVDC à 12 impulsions utilisant des thyristors

Valves à vapeur de mercure

Un certain nombre d'adaptations ont été nécessaires pour faire évoluer la technologie des redresseurs pour moteurs électrique à valves à vapeur de mercure au transport d'électricité, notamment au niveau de la tension de l'anode. Les fortes tensions aux bornes des valves créant des risques d'arcs électriques[80].

Les très longues colonnes d'anodes utilisées pour la haute tension sont le facteur limitant le courant qui peut être transporté de manière sûre. Ainsi la plupart des installations HVDC utilisaient plusieurs colonnes d'anodes, souvent 4, connectées en parallèle pour chaque valve[40].

Chaque bras du pont de Graetz triphasé était traditionnellement constitué d'une valve, cependant 2 projets construits en Union soviétique utilisaient 2 voire 3 valves en série sans connexion en parallèle de colonnes d'anodes[49].

L'ancienne technologie à diode à vapeur de mercure demandait une maintenance importante. Afin d'éviter de devoir couper la ligne à chaque fois, des disjoncteurs permettaient de faire fonctionner la station avec seulement 6 valves[78],[81].

Ces valves avaient une tension maximale de 150 kV et un courant 1 800 A. Ces caractéristiques ont été atteintes sur le dernier projet réalisé dans cette technologie : la station de Nelson River au Canada. Elle utilisait 6 colonnes d'anodes par valve et a été complétée en 1977[82],[50].

Valves à thyristors

Généralités
Redresseur entre les réseaux d'Hydro One et d'Hydro-Québec au poste Outaouais de TransÉnergie à L'Ange Gardien, Québec

Un thyristor est un composant à état solide similaire à une diode à la différence près que sa fermeture est commandée par une borne supplémentaire : la gâchette[9]. Les thyristors, individuellement, ne peuvent bloquer une tension que de quelques kV, les valves sont donc constituées d'un grand nombre de thyristors en série. Des capacités et des résistances sont également insérées dans les valves pour assurer une répartition homogène de la tension entre les thyristors : ensemble ils forment un « thyristor level »[83].

Afin d'amorcer les thyristors, la commande d'amorçage doit être transmise de manière simultanée à un grand nombre de composants situés à des potentiels différents[78]. La liaison doit donc être isolée électriquement. Deux méthodes sont utilisées : optique (à base de fibres) et magnétique. La technologie optique pouvant amorcer directement ou indirectement les thyristors. Dans la méthode indirecte, l'électronique de commande situé à basse tension envoie une information à l'électronique sous haute tension, qui fournit la puissance nécessaire à l'amorçage de la tension aux bornes du thyristor. La méthode directe par contre utilise l'énergie de l'impulsion optique pour amorcer le thyristor à amorçage lumineux[84].

Commande
Exemple de structure de commande de pôle d'un LCC[9]
Stratégie de commande

La commande de la station HVDC doit assurer le transfert de puissance sans mettre en danger le réseau alternatif. Il doit ainsi à la fois commander la puissance réactive envoyée dans le réseau AC, la tension AC qui lui est liée et le courant. Dans le cas d'une LCC, les deux degrés de liberté sont les angles de retard α et γ réglant respectivement le redresseur et l'onduleur[85],[86].

Cette possibilité de contrôler la puissance qui transite par les lignes HVDC est un grand avantage face aux lignes AC[22], pour lesquelles la puissance transitée est subie en fonction des lois de Kirchhoff.

Figure 1 : Le redresseur a une caractéristique de commande lui imposant un angle α minimum et un courant constant (courbe bleu). L'onduleur a une caractéristique de commande lui imposant un angle d'extinction minimum et un courant constant (courbe rouge). P est le point de fonctionnement de l'installation. Le redresseur commande alors le courant, l'onduleur la tension. La marge de courant entre les deux consignes de courant permet le bon fonctionnement du poste.

Idéalement l'installation pourrait être commandée en courant constant uniquement, toutefois la tension côté courant alternatif doit être maintenue à un niveau approximativement constant cela doit être pris en compte dans la stratégie de commande. La valeur de la tension continue n'a pas d'influence sur le réseau alternatif, elle peut donc être choisie librement. Une tension élevée limite le courant à puissance constante, cela limite les pertes en ligne. Toutefois, il faut conserver une marge pour éviter les surtensions en cas de défaut[87].

Dans le détail : afin de faire transiter le maximum de puissance et de réduire le courant la tension au redresseur doit être constante et aussi grande que possible, α est donc petit, le courant ne doit pas dépasser sa valeur maximale, ensuite l'angle d'extinction γ doit également être choisi petit pour limiter la consommation d'énergie réactive et rendre le système moins vulnérable à une chute de tension côté onduleur[75].

Gestion des défauts

Dans le réseau, la génération d'électricité est assurée par des machines synchrones. Les défauts sur les lignes, les ouvertures et fermetures de sélecteur, les pannes de certains équipements peuvent faire osciller la puissance active des générateurs, concrètement les axes des générateurs se mettent à accélérer, d'autres à décélérer. Autrement dit, l'angle de transport se met à osciller. La capacité du réseau à retrouver son synchronisme, est appelée stabilité dynamique[88]. Les HVDC permettent d'améliorer la stabilité dynamique d'un réseau en limitant les fluctuations de puissances actives entre stations. Les résonances sous-synchrones sont également atténuées[89],[90].

Les LCC sont vulnérables aux défauts côté AC, ces derniers provoquent en effet des échecs dans la commutation des valves ce qui provoque un effondrement de la tension continue. Un réseau suffisamment fort limite le problème[91],[92].

Protection

Comme sur un poste électrique à courant alternatif des protections servent à détecter un comportement anormal de l'installation et à donner tout d'abord l'alarme et, si l'anormalité se poursuit, l'ordre aux disjoncteurs de s'ouvrir pour couper le courant avant que l'équipement du poste ne soit endommagé. Les circuits destinés à la protection sont donc redondants et séparés des circuits destinés à la commande. Le poste lui-même est divisé en plusieurs zones de protection qui se superposent systématiquement afin d'assurer la protection de tous les équipements électriques. Côté AC, les systèmes de protection sont similaires à ceux rencontrés dans les postes AC : protections différentielles, protections à maximum de courant, protection de distance pour les lignes... Côté DC, les deux premières protections sont utilisées pour les convertisseurs, les jeux de barres et les filtres. Des protections contre la surtension sont également employées pour les convertisseurs[93]. La protection des lignes à courant continu est différente de celle des lignes en courant alternatif : des protections front d'onde[anglais 5] permettent de détecter un changement brutal dans le courant, et ainsi les courts-circuits, une mesure du changement de la tension permet de définir laquelle des deux lignes est touchée, et ainsi de ne déconnecter que le pôle affecté, autrement dit d'avoir une bonne sélectivité. Cette protection permet aussi de déterminer la distance entre le défaut et le poste électrique[94],[95].

En cas de défaut, l'angle de retard du redresseur est augmenté fortement pour atteindre une valeur d'environ 120 à 135°, en même temps l'angle d'extinction de l'onduleur est augmenté vers 80° pour assurer qu'il garde la même polarité. Si la liaison est fortement capacitive, un câble typiquement, cette inversion de polarité ne peut pas toujours être évitée. Par ailleurs, les convertisseurs des LCC doivent être protégés contre les échecs de commutation par un mécanisme de commande adapté. Des courts-circuits internes à l'installation peuvent également avoir lieu[96]. En règle générale, l'allumage des thyristors est bloqué en cas de défaut, si malgré cela la faute n'est pas éteinte, les disjoncteurs côté AC ouvrent le circuit[97].

Fiabilité

La fiabilité d'une ligne HVDC pour une configuration avec le même niveau de redondance est comparable à celle d'une ligne AC. Ainsi pour un bipôle, les statistiques donnent une disponibilité de 97,1 % à 100 % de la puissance nominale, alors que ce taux est de 97,2 % pour la haute tension alternative[98].

Convertisseurs en source de tension (VSC)

Les thyristors ont besoin d'une source de puissance extérieure, d'un réseau AC fort, pour être commutés. Par conséquent, la technologie LCC ne peut alimenter une charge passive, elle a besoin d'un générateur électrique tournant pour pouvoir fonctionner[64]. La technologie VSC par contre ne nécessite pas de réseau fort, elle peut ainsi alimenter une source passive ou évacuer l'énergie provenant d'une centrale fonctionnant par intermittence, par exemple les éoliennes en mer[99].

Il est possible de commander la fermeture des thyristors mais pas leur ouverture, il n'y a donc qu'un degré de liberté : leur angle de retard[62], cela limite fortement le champ de possibilités. Les IGBT au contraire peuvent être à fois ouverts et fermés, on peut donc les commander indépendamment de la tension de la ligne, on parle de convertisseurs auto-commutés[anglais 6]. La tension des lignes en courant continu est alors maintenue constante par des capacités, leurs polarités sont également fixes. On parle donc de technologie « source de tension » (« voltage sourced converter », VSC). Les IGBT peuvent être ouverts et fermés plusieurs fois par cycle afin de diminuer le contenu harmonique du courant, qui est de fait très faible. Un pont de 12 valves n'est plus nécessaire, les VSC utilisent des ponts à 6 valves. La construction des transformateurs s'en trouve simplifiée[100],[101]. Ces deux angles de liberté permettent de régler à la fois la puissance active et réactive[102].

Le fait que les VSC produisent moins d'harmoniques permet de réduire la quantité de filtres nécessaires, en résulte un gain de place important. C'est particulièrement intéressant dans le cas des plateformes en mer. L'absence d'inversion de polarité, l'isolation des composants électriques comme les transformateurs et surtout les câbles, permettant notamment l'usage des câbles en polyéthylène extrudé[10]. Cette tension constante rend aussi la construction de ligne multi-terminaux plus simple. Comme les LCC, les VSC n'ont par contre que très peu de capacité de surcharge temporaire[61].

Un défaut des VSC, enfin du moins ceux n'étant pas en pont en H, en comparaison des LCC, est d'augmenter sensiblement la puissance de court-circuit du réseau comme une ligne AC classique. En effet, les VSC peuvent produire de la puissance réactive, ils alimentent donc les défauts. Une étude parle d'une augmentation relative du courant de court-circuit allant de 6 à 13 % en fonction du mode d'opération d'installation au moment du défaut[103].

Différentes configuration VSC sont possibles[100].

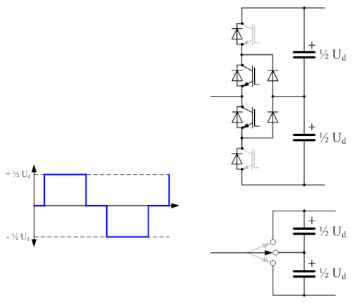
Convertisseurs à deux niveaux

La technologie utilisée pour les premiers projets, du projet à Hellsjön[54] en 1997 aux projets en 2012, comportaient 2 niveaux de convertisseurs. La variante la plus simple de VSC[104]. Ils reprennent les fondamentaux de la technologie LCC. Les thyristors y sont remplacés par des IGBT, auxquels sont ajoutés des diodes en parallèle afin de les protéger. La bobine de lissage, utilisée pour rendre constant le courant, est remplacée par des capacités de lissage, maintenant constante la tension. La tension côté AC n'a que deux valeurs, pour cette raison on parle de technologie à 2 niveaux. Pour recréer une tension "alternative" avec seulement deux niveaux de tension, une modulation de la largeur d'impulsion est utilisée. Il faut toutefois des filtres pour éliminer les harmoniques[55].

Quand la valve du haut est fermée, la ligne AC est reliée à la ligne DC positive, la tension alternative devient alors égale à +½ Ud, si on prend pour 0 le milieu du convertisseurs connecté à la terre. De la même manière, quand la valve du bas est fermée, la ligne AC est reliée à la ligne DC négative, la tension alternative devient alors égale à -½ Ud. Les deux valves d'une même phase ne doivent jamais être fermées simultanément, dans ce cas la capacité de lissage se déchargerait de manière imprévisible (en fonction de la tension AC au moment de l'événement), causant d'importants dommages dans les convertisseurs[55].

Convertisseurs HVDC à 2 niveaux
Principe de fonctionnement d'un convertisseur à 2 niveaux
Une méthode pour réaliser une modulation de largeur d'impulsion, quand le signal (la sinusoïdale rouge) est comparé avec un signal triangle (bleu). Quand il est supérieur le signal modulé (magenta) est mis au niveau haut, dans le cas contraire au niveau bas

La forme la plus simple de signal de sortie qui peut être produite avec un convertisseur à 2 niveaux est un signal créneau. Toutefois, la distorsion par rapport à un signal sinusoïdal est alors inacceptable, le niveau d'harmoniques est trop élevé. Pour résoudre ce problème, une modulation de largeur d'impulsion[anglais 7] est appliquée au signal de sortie. Cela a cependant le désavantage d'obliger les IGBT à commuter très régulièrement, environ 20 fois par cycle, ce qui résulte en de fortes pertes « de commutation » dans les valves[105]. D'autres stratégies de modulations sont également possible pour les HVDC[106]. Cela rend le rendement global d'un convertisseur à deux niveaux moins bon que celui d'un LCC. Ainsi une station LCC de 1 000 MW a typiquement des pertes d'environ 0,75 % à pleine puissance, alors que pour un VSC deux niveaux elles s'élèvent à 0,9 voire 1,75 %[107].

Un autre désavantage de cette configuration est que des centaines d'IGBT doivent être connectés en série pour produire une haute tension et doivent être commutés simultanément dans chaque valve[55].

Convertisseurs à trois niveaux

Par la suite des systèmes à trois niveaux ont été construits, afin d'améliorer le contenu harmonique de la tension délivrée. Le principe est très similaire aux convertisseurs à deux niveaux, un niveau de tension nulle étant ajouté. La tension peut donc prendre trois valeurs : +½ Ud, 0, -½ Ud[108].

Une configuration utilisée dite en diode de redressement [anglais 8] dans laquelle chaque station contient 4 valves à IGBT, chacune ayant une tension égale à la moitié de la tension de ligne, auxquelles viennent s'ajouter 2 diodes. Les deux capacités de lissage sont branchées en série, les diodes étant branchées entre le point neutre entre les capacités et la première valve et la troisième (voir schéma). Pour obtenir une tension positive, les deux valves à IGBT du haut sont fermées, pour avoir une tension négative, les deux du bas sont fermées, la tension nulle quant à elle est obtenue en fermant les deux valves du milieu. Dans ce dernier cas, les diodes permettent de conduire le courant entre la partie DC et la partie AC[108].

Convertisseurs HVDC à 3 niveaux à clamping diodes
Principe de fonctionnement d'un convertisseur à 3 niveaux

Une variante consiste à remplacer les diodes par des IGBT, le point neutre est alors actif, commandable. Cette solution a été utilisée dans le projet Murraylink en Australie[109] et le projet Cross Sound aux États-Unis[110]. La modeste amélioration dans le contenu harmonique se paie toutefois dans cette technologie par une forte augmentation de la complexité et donc du prix[108]. De plus cette configuration semblait difficilement adaptable pour des tensions supérieures au +/-150 kV utilisées dans les deux projets.

Une dernière solution, utilisée pour la commande des moteurs électrique, mais jamais pour les HVDC, consiste à remplacer les diodes par une capacité au potentiel non fixé entre le premier et le troisième quartier. Le fonctionnement reste similaire. Aussi bien la technologie à diode que celle à capacité peuvent être étendues à un plus grand nombre de niveaux, 5 par exemple, mais la complexité augmente de manière démesurée[108]. De tels circuits n'ont jamais été testés pour les HVDC.

Convertisseurs multi-niveaux (MMC)

Proposée tout d'abord par Marquardt (en 2003)[111], testée de manière commerciale sur le projet Transbay dans la baie de San Francisco par Siemens à la fin de la décennie[112], la technologie modulaire multi-niveaux (MMC)[anglais 9] se standardise pour les liaisons HVDC à base de VSC.

Convertisseurs modulaire multi-niveaux triphasé
Operating Principe de fonctionnement d'un convertisseur modulaire multi-niveaux constitué de 4 sous-module par valve

Tout comme les convertisseurs à 2 niveaux, les MMC sont constitués de 6 valves, reliant chacune une ligne AC à une ligne DC différentes. Toutefois alors que pour un montage à 2 niveaux, chaque valve peut être modélisée par un unique interrupteur constitué de nombreux IGBT en série, dans le cas du MMC chaque module peut être commandé indépendamment et se comporte comme une source de tension. Chaque valve consiste en l'empilement de nombreux sous-module comprenant un condensateur. Dans le cas du pont 2 quadrants[anglais 10], montage utilisé par Siemens, chaque sous-module contient 2 IGBT connectés en série, ainsi qu'un condensateur (voir image)[112]. En fonction de la commande des IGBT, le condensateur peut être soit insérer dans le circuit ou by-passé. Chaque sous-module est donc une source de tension valant 0 ou Usm (avec Usm la tension au borne de la capacité). Quand les valves sont composées d'un grand nombre de sous-modules, celles-ci peuvent reproduire la forme de tension souhaitée (discrétisée par rapport au nombre de sous-modules), dans le cas d'une station HVDC connectée au réseau courant alternatif haute tension (ou HVAC pour high voltage alternating current) une sinusoïde avec un faible contenu harmonique[113].

Valve MMC dans les différentes configurations possibles

Le MMC est différent des autres types de convertisseurs, dans le sens où le courant traverse en permanence les 6 valves, les notions de valve ouverte ou fermée n'a donc pas de sens. Le courant continu se divise de manière égale entre les 3 phases tandis que le courant alternatif entre les deux valves haute et basse[112]. Ainsi le courant circulant dans les valves est donc égal à une combinaison du courant alternatif et continu en régime permanent[23] :

Valves du haut:

Valves du bas:

Typiquement les MMC utilisés dans les liaisons HVDC à forte puissance sont composés de centaines de sous-modules par valves (400 pour les stations INELFE permettant 401 niveaux de tension [114]). Les performances au niveau des harmoniques est excellente, aucun filtre n'est requis. En outre, la modulation en largeur d'impulsion n'étant pas requise et les commutations étant donc plus lentes, les pertes de puissance sont plus faibles que dans un convertisseur 2 niveaux. Elles représentent environ 1 % par station[115]. Enfin, les IGBT ne devant pas tous être commutés simultanément, l'amorçage de ceux-ci n'est pas si complexe que sur un montage à 2 niveaux[113].

Au niveau des désavantages, la commande est beaucoup plus complexe que sur un 2 niveaux. Il faut équilibrer la tension entre chaque capacité, ce qui est difficile et nécessite une importante puissance de calcul informatique ainsi qu'une grande vitesse de communication entre la commande centrale et les sous-modules. La puissance de calcul exigée est donc très importante[116]. En outre, les sous-modules eux-mêmes sont relativement volumineux[117]. Un MMC prend plus d'espace qu'un convertisseur 2 niveaux, cela doit cependant être mis au regard de l'économie des filtres[113].

En 2012, la seule connexion opérationnelle est celle de Trans Bay et a une puissance de 400 MW, toutefois des stations de puissances plus importantes ont depuis été réalisée, comme INELFE Baixas - Santa Llogaia, l'interconnexion France-Espagne, est constituée de 2 liaisons en parallèle d'une puissance de 1 000 MW chacun et d'une tension de +/- 320 kV[118].

Les limites actuelles des VSC sont liées à celle des câbles en polyéthylène extrudé, qui proposent à l'heure actuelle une tension de ±320 kV et plus récemment ±525 kV[119], mais également par la montée en courant et tension des IGBT[116].

Variantes de convertisseurs multi-niveaux

Une variante du MMC, proposée par ABB, appelé 2 niveaux en cascade[anglais 11] est très similaire à la différence de la manière dont sont agencés les sous-modules entre eux. Les pas du signal en escalier sont alors plus larges et moins nombreux en comparaison du MMC conventionnel. En pratique, la différence est infime, la tension alternative contient à peine plus d'harmoniques[120],[115].

Sous module MMC 4 quadrants

Une autre solution consiste à travailler en 4 quadrants au lieu de 2, autrement dit un pont en H[anglais 12] est construit avec 4 IGBT[121]. Cela permet d'insérer la capacité du sous-module à la polarité souhaitée. Cela permet, en cas de court-circuit DC, de bloquer le courant de défaut de manière extrêmement rapide, ce que les autres MMC ne peuvent pas faire[100],[23]. Alstom annonce ainsi disposer de la technologie pour interrompre le courant en 2,5 ms au lieu des 100 ms environ que mettent les disjoncteurs à courant alternatif qui sont utilisés dans les stations à 2 quadrants à cet effet[122]. La tension continue peut également avoir les deux polarités, comme dans un LCC, donnant la possibilité de créer un hybride LCC/VSC[56]. Le principal inconvénient est que deux fois plus d'IGBT sont requis par rapport à dans une configuration équivalente MMC et que les pertes sont accrues significativement[23].

Pour cette dernière raison les constructeurs de lignes HVDC tentent de contourner le problème : Alstom compte n'avoir qu'une partie de ses convertisseurs construits en pont en H, le reste restant à 2 quadrants ; Rainer Marquardt, proche de Siemens, propose d'ajouter un IGBT tous les deux sous-modules afin de réorienter les capacités pour interrompre le courant continu ; ABB enfin propose de construire des disjoncteurs HVDC, qui ont peu de pertes, en série avec les stations à 2 quadrants afin d'interrompre le courant[122].

VSC hybride

D'autres types de convertisseurs ont été imaginés combinant les propriétés des convertisseurs 2 niveaux et multi-niveaux. Ce VSC « hybride »[anglais 13], promu par Alstom, tente de combiner les faibles pertes et le faible contenu harmonique des MMC avec un design plus compact et une meilleure contrôlabilité avec une meilleure répartition de la tension entre les sous-modules en régime transitoire. Le principe consiste à commander la forme de la tension grâce à des convertisseurs multi-niveaux de taille plus faible que dans un MMC et de diriger le courant grâce aux valves faites de thyristors ou d'IGBT comme dans un convertisseur à niveaux. Ce type de convertisseurs n'en est cependant qu'au stade de la recherche[123],[124],[23].

Commande des VSC

Principe de régulation de la puissance active grâce à l'angle de transport
Principe de régulation de la puissance réactive grâce à l'amplitude des tensions

Un VSC possède deux degrés de liberté, le déphasage entre tension DC et tension AC, ainsi que l'amplitude de la tension DC qui est pour un, convertisseur à deux niveaux, équivalent au degré de modulation. La tension alternative est contrôlée à l'aide de l'amplitude de la tension DC, la puissance à l'aide du déphasage. Les formules de la puissance active et réactives sont les mêmes qu'en courant alternatif[102] :

où P est la puissance active, V1 et V2 les tensions aux extrémités des lignes, X l'impédance de la ligne et l'angle de transport, le déphasage entre V1 et V2.

Les VSC ont des commandes pour gérer la puissance active, réactive, la tension continue, le courant et la fréquence[125]. Les VSC ont l'avantage d'améliorer la stabilité du réseau grâce à leur commandes indépendantes de la puissance active et réactive[92]. Non seulement, comme les LCC, ils peuvent stabiliser les oscillations de puissance, mais également limiter les creux de tension[126]. Cette très grande commandabilité est un avantage majeur pour les VSC[99].

Protection des VSC

En cas de court-circuit côté DC, dans un premier temps les capacités se déchargent à travers les diodes de roue-libre.
Dans un second temps, le court-circuit est alimenté par le réseau, le courant passe dans deux branches du pont.

La protection des VSC est similaire à celle des LCC à l'exception de la gestion des courts-circuits côté tension continue. En effet s'ils ne sont pas vulnérables aux défauts côté AC comme les LCC, les VSC, non connectés en pont en H, sont vulnérables aux courts-circuits côté DC. L'absence de bobine de lissage a pour effet que l'inductance de la ligne à courant continu est très faible. Le taux de montée du courant est donc très élevé en cas de défaut. Dans ce cas les IGBT se bloquent, les capacités des convertisseurs se déchargent tout d'abord dans les diodes de roue-libre, le courant est alors très élevé, contrairement aux IGBT elles doivent donc être dimensionnées pour résister à cette charge. Il est à noter que dans le cas d'un convertisseur à 2 niveaux, ces capacités sont importantes et au nombre de 2, dans le cas d'un convertisseur multi-niveaux, elles sont nombreuses, connectées en série et de plus faibles valeurs, la capacité totale est donc plus faible. Dans un second temps, le réseau AC alimente le défaut toujours à travers les diodes de roue libre avant que les disjoncteurs n'agissent[127],[92],[128],[129].

Autres composants principaux

Transformateurs

Transformateur HVDC

Transformateurs pour convertisseurs à thyristors

Les transformateurs de puissances ont plusieurs utilités dans une station HVDC : fournir une isolation galvanique entre le côté AC et DC, limiter l'influence d'un changement de la tension côté AC à l'aide de son changeur de prises, limiter le courant de court-circuit, fournir un déphasage de 30° entre les ponts d'impulsion[9].

Les transformateurs connectés entre les lignes à courant alternatif et les convertisseurs utilisant des thyristors des stations HVDC ont des caractéristiques très différentes des transformateurs de puissance ordinaires. Les lignes à courant continu transportant de grandes puissances, les transformateurs HVDC sont également de fortes puissances. Pour permettre leur transport, ils sont en général monophasés. Ils comportent 2 ou 3 enroulements, le premier est connecté au réseau à courant alternatif, le ou les autres aux convertisseurs. Afin de limiter la production d'harmoniques, un banc de transformateur est connecté en triangle, l'autre en étoile, un déphasage de 30° est ainsi obtenu entre les deux. Dans le cas des transformateurs à 3 enroulements, l'un est connecté en étoile, l'autre en triangle. Un seul design de transformateur est nécessaire pour l'ensemble de la station. Si des transformateurs à deux enroulements sont utilisés deux designs sont nécessaires : l'un pour le banc en étoile, l'autre pour celui en triangle[130].

Au-delà de cette construction particulière, les transformateurs HVDC ont une isolation conçue de manière différente d'un transformateur ordinaire. Une tension continue se superpose en effet à la tension alternative dans les enroulements. De plus, lors d'un changement de direction du flux d'énergie dans la liaison HVDC, la polarité de sa tension est inversée. Le champ continu dans l'isolation est donc inversé, les contraintes également. La phase transitoire est particulièrement contraignante pour l'isolation[130],[131].

Les tensions continues créent un courant continu dans les enroulements causant également un surplus de nuisance sonore pour ces transformateurs[132].

En outre, la grande quantité d'harmoniques contenues dans le courant vient saturer et chauffer le circuit magnétique, qui doit être dimensionné en conséquence[130].

Enfin une haute résistance au court-circuit est nécessaire[130].

Transformateurs pour VSC

Dans le cas de la technologie VSC, les transformateurs sont beaucoup plus classiques. Avec des convertisseurs à IGBT multi-niveaux, des transformateurs standards peuvent être utilisés sans contrainte spécifique de tenue au courant continu ou aux courants harmoniques [133].

Filtres

Puissance réactive

Pour les LCC
Consommation de puissance réactive d'une LCC en fonction de la puissance active avec et sans filtres

Un désavantage majeur des lignes HVDC LCC est leur consommation en puissance réactive. Le courant alternatif entrant dans la station ayant toujours un retard sur la tension, la station se comporte comme une inductance et consomme de la puissance réactive quel que soit le sens des échanges de puissance active. Cette consommation croît avec la puissance active transportée, elle est comprise entre 50 et 60 % de la puissance active[134]. Elle monte si les angles de retard des convertisseurs sont grands ou si la tension des lignes continues est réduite[9].

Si la ligne HVDC est connectée proche d'une centrale électrique, celle-ci peut fournir une partie ou la totalité de la puissance réactive nécessaire. Dans le cas contraire, la construction de bancs de condensateurs est requise. Ils sont en général connectés entre la ligne en courant alternatif et le sol, mais une possibilité existe de les alimenter par un enroulement tertiaire des transformateurs afin d'abaisser leur tension opérationnelle[135].

Un excès de puissance réactive conduisant à une surtension, la totalité des bancs de condensateurs ne doit pas toujours être connectée, en particulier en cas de faible charge. Pour remédier à ce problème, les bancs de condensateurs sont divisés en étages, généralement 3 ou 4, pouvant être connectés selon les besoins[9],[136].

Les bancs de condensateurs sont également associés en général à des inductances et des résistances afin de leur permettre de filtrer les harmoniques en plus de leur rôle de production de puissance réactive[9].

Pour les VSC

Les VSC quant à eux peuvent produire ou consommer de la puissance réactive à la demande, le déphasage et l'amplitude de la tension sortant des convertisseurs pouvant être commandés indépendamment[137]. Aucun banc de condensateur pour la production de puissance réactive n'est requis[138].

Bobine de lissage

Les bobines de lissage sont de grosses inductances placées aux extrémités de la ligne en tension continue dans le cas des convertisseurs LCC qui permettent de limiter les variations du courant continu. Elles limitent également le courant de court-circuit et ralentissent sa montée. En outre, quand elles sont placées côté haute tension, elles protègent les thyristors de la foudre en augmentant les constantes de temps des effets transitoires. Le placement côté haute tension augmente leur besoin en isolation diélectrique, un positionnement côté basse tension, économise par contre de l'isolation diélectrique au niveau de la bobine mais oblige d'isoler plus fortement les convertisseurs ce qui en limite l'intérêt[139]. En pratique elles sont placées côté haute tension, sauf pour les lignes ±800 kV où l'inductance est divisée entre deux bobines : l'une en haute tension et l'autre en basse tension[140],[141]. Par ailleurs, elles permettent de choisir la fréquence de résonance du circuit en tension continue de manière qu'elle soit différente des multiples de la fréquence du réseau alternatif[9].

Dans le cas d'une station en tête-bêche, la très faible probabilité d'un court-circuit côté DC et l'absence d'interférence DC permettent de réduire la taille des bobines de lissage voire de s'en passer complètement[139],[9].

Concrètement, elles se présentent sous la forme de grosses bobines sans circuit magnétique, et isolées par l'air. En effet, elles doivent limiter le courant de court-circuit, il faut donc éviter qu'elles ne saturent. L'absence de circuit magnétique assure une courbe magnétique linéaire[139].

Filtrage des harmoniques

Pour les LCC

La configuration la plus simple pour un convertisseur HVDC LCC est le pont à 6 impulsions. Ce montage produit un haut niveau d'harmoniques et peut être modélisé par une source de courant produisant des harmoniques d'ordre 6n±1 dans le réseau de courant alternatif. Par ailleurs des harmoniques de tension d'ordre 6n se superposent à la tension continue[142].

Le montage en pont à 12 impulsions a un meilleur comportement vis-à-vis des harmoniques. Il ne produit plus que des courants d'ordre 12n±1 côté AC et des tensions d'ordre 12n côté DC[9].

Dans les stations les premières harmoniques sont toujours filtrées, 11e et 13e côté AC, 12e côté DC, le filtrage des suivantes dépend de la situation. Parfois la 3e et 5e harmoniques doivent également être filtrées à cause des dissymétries entre phases[9].

Le dimensionnement des filtres côté AC est complexe et demande une forte puissance informatique. En effet, en plus de s'assurer que la tension a un niveau acceptable de distorsion, le concepteur doit vérifier que les filtres ne résonnent pas avec d'autres composants du réseau électrique en courant alternatif. Une bonne connaissance des « impédances harmoniques » du réseau est donc nécessaire[143],[144].

Les filtres côté courant continu sont seulement nécessaires dans le cas des lignes aériennes. La déformation de la courbe de tension n'est pas un problème en soi, aucun consommateur n'étant connecté directement à la ligne HVDC, l'objectif des filtres dans ce cas là est d'éviter la pollution électromagnétique qui pourrait notamment affecter les lignes téléphoniques environnantes[145]. Les liaisons téléphoniques devenant numériques, par exemple avec des fibres optiques, et donc insensibles aux perturbations, le besoin en filtrage côté DC diminue[146].

Pour le même niveau de redondance 2 conducteurs en HVDC équivalent à deux lignes triphasées.
Pour les VSC

La tension des convertisseurs à 2 niveaux utilisant une modulation de largeur d'impulsion doit être filtrée, toutefois moins que la tension des LCC. Les harmoniques sont à plus hautes fréquences, ce qui permet de construire des filtres plus petits[147]. Les fréquences typiques des modulations est de 1 à kHz[148]. Les MMC n'ont besoin d'aucun filtrage[138].

Lignes et câbles

Lignes aériennes

Les lignes aériennes en courant continu ont les mêmes éléments constitutifs de base que celles en courant alternatif : les poteaux treillis, les chaînes d’isolateurs, les conducteurs de ligne et les accessoires mécaniques ; néanmoins les caractéristiques techniques de projet de chaque composant sont spécifiques pour les applications en tension continue à cause des différentes capacités de tenue diélectrique sous contraintes différentes. Le champ étant toujours dans la même direction, il y a une accumulation de la pollution superficielle sur les isolateurs plus importante que dans le cas des lignes AC[149].

Un autre avantage est le gain en place, pour avoir un même niveau de redondance 2 faisceaux de conducteurs HVDC remplacent 2 systèmes triphasés, soit 6 faisceaux de conducteurs. Pour le projet trois-gorges, ABB déclare qu'en lieu et place de 5 pylônes électriques AC, 2 en DC suffisent pour transporter 3 000 MW[150]. Par ailleurs l'absence d'effet de peau, combiné à l'absence de transport de la puissance réactive, permet de mieux utiliser l'intégralité du conducteur et donc de réduire son diamètre[151],[13].

Câbles

Les câbles en polyéthylène réticulé représentent l'avenir des câbles pour liaisons HVDC

En 2012, les câbles utilisés pour les liaisons en courant continu sont soit au papier imprégné ou gainés de polyéthylène réticulé, "Pr" en abrégé français ou XLPE en acronyme anglais. Les câbles à huile fluide ne sont pas adaptés aux longues distances, plus de 50 km. N'ayant, de plus, que peu d'avantages face aux câbles extrudés, ces derniers les ont supplantés[152]. Ceux au papier imprégné sont majoritaires dans les liaisons existantes et peuvent atteindre jusqu'à 450 kV[153]. Ceux au XLPE les remplacent progressivement pour les convertisseurs VSC. Pour les LCC, jusqu'à récemment, les inversions de polarité les endommageaient, mais des recherches semblent avoir levé cet obstacle[152],[154]. Leur tension commerciale est actuellement limitée à 320 kV, mais elle devrait augmenter dans un futur proche[152],[155].

Disjoncteurs HVDC

Voir dans la partie configuration.

Configurations

Monopôle

Schéma bloc d'un système monopôle à retour par la terre

La configuration la plus simple, consiste à n'avoir qu'un pôle, on parle de monopôle. Deux possibilités existent pour faire circuler le courant de retour entre les stations. La première consiste à connecter une borne des redresseurs et de l'onduleur à la terre. L'autre borne est connectée à la ligne de transport. La seconde consiste à connecter le retour à l'aide d'un conducteur. On parle alors de retour métallique[156],[9].

Monopôle et retour par la terre

Dans le cas d'un retour par la terre, le courant circule à travers la terre (dans les couches profondes idéalement) entre les électrodes des deux stations[9]. Cette solution a quelques conséquences environnementales, bénignes certes (voir partie sur les conséquences environnementales).

Monopôle à retour métallique

Ces effets indésirables peuvent être annulés par l'utilisation d'un retour métallique. Comme l'une des stations est connectée à la terre, l'isolation électrique n'a pas besoin d'être dimensionnée pour la tension de la ligne de transport. Le retour métallique n'est donc pas aussi coûteux qu'une ligne de transmission. La décision de faire un retour métallique ou non est prise en fonction de paramètres économiques, techniques et environnementaux[157],[9].

La plupart des monopôles sont conçus afin de pouvoir être transformés en bipôles par la suite[9], les pylônes électriques sont alors dimensionnés pour porter deux conducteurs même si seulement un est requis. On peut faire alors le choix de n'en utiliser qu'un ou de les utiliser en parallèle.

Monopôle symétrique

Une troisième possibilité est de répartir la tension totale envisagée sur deux lignes, l'une présentant un potentiel positif égal à la moitié de la tension totale, et l'autre ayant un potentiel négatif égal à la moitié de la tension totale. On est exactement dans le même cas de figure que pour un bipôle sans conducteur au neutre. Cette configuration est appelée monopole symétrique. Les convertisseurs sont mis à la terre à travers une forte impédance, aucun courant n'est censé traverser la terre. Cette configuration n'est pas habituelle pour les LCC, à l'exception de NorNed par exemple[18], elle est par contre très courante pour les VSC si des câbles sont utilisés[158].

Bipôle

Schéma bloc d'un système bipolaire, disposant d'un retour à la terre

Dans un schéma bipolaire, deux conducteurs sont utilisés, l'un avec une tension positive, l'autre négative. Cette option est plus coûteuse qu'un monopole[159].

  • En condition normale, le courant traversant la terre est négligeable, tout comme dans le cas d'un monopôle à retour métallique. Cela réduit les pertes par la terre et les effets sur l'environnement.
  • Si un défaut quelconque se produit sur l'un des deux pôles, l'autre peut continuer d'opérer avec un retour par la terre ou même parfois un retour métallique si les disjoncteurs adéquats sont prévus. Le transport perd donc dans ce cas seulement la moitié de sa puissance[160].
  • Chaque pôle ne transportant que la moitié de la puissance, les conducteurs peuvent être dimensionnés plus petit que pour la même puissance en monopôle.
  • Les deux conducteurs ne doivent pas forcément être sur le même pylône. Cela peut réduire le risque de perte de la totalité de la puissance en cas de défaut.
  • Les puissances maximales transmises à l'aide d'un bipôle sont plus importantes qu'avec un monopôle.
Deux lignes HVDC dans le Dakota du Nord

En plus des deux lignes de transport, un retour métallique peut être installé entre les neutres des deux stations rendant le courant traversant la terre parfaitement nul[159].

Parfois le bipôle peut être conçu de manière à pouvoir fonctionner comme deux monopôles en parallèle[9].

Pour les liaisons 800 kV, des schémas en 24 impulsions par pôle sont privilégiés, 2 ponts de 400 kV sont montés en série par pôle. En effet, le transport et la conception des transformateurs et des valves deviendraient très problématique pour un pôle en un seul bloc de 800 kV[161].

Tête-bêche

Une station « back to back » en anglais, littéralement dos-à-dos, en français tête-bêche, est une installation HVDC dont les deux stations sont « collées », souvent construites dans le même bâtiment, la longueur de la ligne de transport est donc négligeable. Ces stations sont utilisées principalement pour connecter des réseaux asynchrones, qu'ils soient de fréquences différentes, par exemple au Japon où la moitié du pays utilise une fréquence de 50 Hz et l'autre 60, des stations tête-bêche font la jonction, par exemple aussi en Amérique du Sud et en Arabie saoudite, ou qu'ils soient à la même fréquence mais non synchrones comme entre la Russie et la Finlande. Dans le passé, le bloc de l'est et le bloc de l'ouest avaient la même fréquence mais n'étaient pas synchrone ; ainsi la RFA et la RDA étaient reliées électriquement par des convertisseurs[162]. Pour la même raison, des interconnexions tête-bêche relient aussi le réseau électrique du Québec et les réseaux voisins de l'interconnexion de l'Est, en Amérique du Nord[163].

Ces stations peuvent également connecter des systèmes ayant des nombres de phases différents comme dans des sous-stations de traction.

La ligne étant courte, la tension DC est choisie beaucoup plus basse que dans le cas des stations normales, cela permet de réduire la taille des composants, leur isolation diélectrique ne devant pas être aussi importante. En conséquence, leur ampacité est en général grande[9].

Système multi-terminaux et réseau maillé en tension continue

Réseau maillé en tension continue ne contenant pas de disjoncteurs HVDC (les carrés rouge représentent les postes de conversion HVDC)
Réseau maillé en tension continue avec contenant des disjoncteurs HVDC (les carrés noirs représentent les disjoncteurs HVDC)

La quasi-totalité des lignes HVDC en service comportent deux stations[164]. Pourtant un réseau maillé en courant continu permettrait de diminuer le nombre de stations nécessaires par rapport à des systèmes point-à-point et ainsi le coût et les pertes du réseau. En outre, en comparaison d'un réseau en courant alternatif, un réseau en courant continu serait totalement contrôlable, ce qui est un avantage substantiel[92].

Le terme multi-terminaux, sous-entend plus de 2 stations. Les terminaux peuvent être connectés en série, en parallèle ou en hybride (mélange des deux). Le montage parallèle est utilisé pour les stations de forte puissance, tandis que le série est réservée pour les plus petites stations. Le plus grand multi-terminal actuel est la ligne Québec-Nouvelle-Angleterre, mise en service en 1992, a une puissance de GW[165]. Un autre exemple est la ligne Italie-Corse-Sardaigne[166].

Les multi-terminaux sont difficiles à réaliser en LCC car en inversant la polarité de la ligne l'ensemble du système est affecté. Seule une station peut commander la tension[164]. Les VSC, qui n'inversent pas leur polarité mais seulement leur courant, semblent plus adaptés et plus facile à commander[167].

Par ailleurs, le principal obstacle à la construction d'un véritable réseau maillé, à la manière du réseau en courant alternatif, en HVDC était jusqu'en 2012 l'absence de disjoncteurs pour courant continu suffisamment rapide et économique pour les protéger des court-circuit. En effet, en l'absence de disjoncteur côté DC, en cas de court-circuit, le courant doit être interrompu à la station HVDC[168]. Si pour un point-à-point cela ne change rien : la liaison entre les deux stations est perdue, pour un réseau maillé cela implique que toutes les stations se retrouvent sans tension en cas de défaut[169]. Cela est inacceptable. Des disjoncteurs DC dans le réseau doivent permettre de n'ouvrir que la ligne défectueuse tout en maintenant sous tension les lignes saines[170]. Ci-contre, une figure montre un réseau maillé en tension continue avec et sans disjoncteurs HVDC. Sans il faut trois fois plus de poste de conversion HVDC, ce qui augmente les pertes. Par ailleurs, avec les disjoncteurs HVDC un poste peut passer de receveur à émetteur d'énergie, ou inversement, sans qu'un autre poste ne doivent changer son état, cela facilite la commande du réseau[171].

Disjoncteurs HVDC

Les disjoncteurs HVDC sont complexes à construire. La difficulté réside dans le fait que le courant continu ne passe pas par zéro. Or les disjoncteurs AC utilisent justement ce passage par zéro du courant pour interrompre l'arc électrique qui se forme entre ses contacts. Une solution est d'introduire un circuit résonant type RLC pour forcer le courant à zéro. Des disjoncteurs de ce type existent en petit nombre dans les installations HVDC actuelles. Ils sont situés côté neutre. Ils portent les noms suivant : disjoncteur de transfert du retour métallique (metal return transfer breaker, MRTB), disjoncteur de transfert du retour par la terre (ground return transfer breaker, GRTB). On trouve également des sectionneurs en courant continu : metallic return switch (MRS), neutral bus switch (NBS), neutral bus ground switch (NBGS), high-speed bypass switch (HSBS). Les disjoncteur de transfert du retour métallique et par la terre ont tous deux la même fonction : dans une installation HVDC en bipôle lors de la défaillance d'un pôle, le courant du pôle sain ne peut plus revenir par l'intermédiaire de la ligne de l'autre pôle. Il passe alors soit par une ligne appelée « retour métallique » ou directement par la terre par l'intermédiaire d'électrode. Autrement dit la configuration passe de bipôle à monopole. Lorsque le pôle défaillant est réparé, il faut renvoyer le courant dans la ligne (ou câble) haute tension. La terre ayant une faible impédance, il faut forcer ce transfert. Un disjoncteur HVDC est donc utilisé pour interrompre le passage du courant par la terre. L'idée est la même pour le retour métallique, même si la différence entre les impédances est moins importante dans ce cas. Dans tous les cas des disjoncteurs à circuit oscillant sont utilisés[171],[172].

Cependant les disjoncteurs à circuit oscillant ne sont pas assez rapides pour protéger efficacement le système des courts-circuits côté haute tension[164],[170]. Des disjoncteurs HVDC construits simplement avec des semiconducteurs sont possibles, mais entraînent de fortes pertes, ce qui n'est pas acceptable pour les réseaux de transport d'énergie[171]. En 2011, ABB a annoncé avoir construit un prototype de disjoncteurs HVDC hybrides permettant d'interrompre le courant continu côté haute tension de manière économique. L'objectif d'ABB est d'interrompre le courant sur des lignes ayant une tension de 320 kV[173].

Autres configurations

En 2004, un brevet[174] présente la transformation des lignes à haute tension AC en HVDC. Deux des trois lignes deviennent des conducteurs pour des lignes DC + et - montées sur un bipôle, la troisième ligne est utilisée pour un monopôle dont les valves peuvent être connectées dans les deux sens (deux fois plus de valves sont utilisées, montées de manière anti-parallèle). Le monopôle apporte son courant périodiquement d'un pôle à l'autre et inverse sa polarité régulièrement, toutes les quelques minutes. Les conducteurs connectés au bipôle utilisent alternativement 137 % et 37 % de leur capacité thermique, tandis que le conducteur du monopôle l'utilise toujours complètement. En moyenne efficace, tous les conducteurs sont alors chargés à 100 %. La capacité des lignes est donc pleinement utilisée. Par ailleurs, un fort courant peut circuler même par faible charge dans les conducteurs du bipôle afin d'enlever la glace se déposant sur les conducteurs en hiver[175].

Cette technologie appelé tripôle n'est pas en opération en 2012. Des lignes AC en Inde ont cependant été transformées pour accueillir de l'HVDC sur la ligne Sileru-Barsoor.

Dans le cas d'extension comme sur Cross-Skagerrak, deux pôles sont mis en parallèle tandis qu'un troisième pôle est monté avec une polarité inverse et une tension plus élevée[176].

Coût

La brochure du CIGRÉ visant, à comparer les différentes technologies HVDC aux AC, rassemble un certain nombre de chiffres indicatifs du coût d'une station et d'une ligne de transmission HVDC[177].

Coût par station (en millions d'euros)
Puissance (MW)HVACLCC-HVDCVSC-HVDC
500164051
10002890110
150040120153
Coût des lignes de transport (en millions d'euros par kilomètre)
Puissance (MW)HVACHVDC
CâbleLignes aériennesCâbleLignes aériennes
5000,920,350,80,26
10001,670,331,60,25
15001,670,452,40,34

La même brochure prend l'exemple d'une ligne aérienne d'une longueur de 190 km. Dans cet exemple le prix initial est entre 2,6 et 3,2 fois plus cher pour une ligne HVDC qu'une ligne HVAC. Les pertes étant également supérieures en HVDC. L'intérêt peut toutefois résider dans les autres avantages de cette technologie. Dans le cas d'une construction en câble sur cette distance la distinction LCC et VSC n'a que peu d'influence sur le prix[178].

Installations existantes

Installations remarquables

NomPaysCâble
souterrain
ou sous-marin
(km)
Ligne
aérienne
(km)
Tension
(kV)
Puissance
(MW)
Année
inauguration
ConvertisseurRemarques
Miesbach-MunichAllemagne5720,00251882AucunPremière ligne électrique haute tension
HVDC Rivière Gorzente - GêneItalie ? ?6 ?1889ThuryMachine de Thury
Lyon-MoûtiersFrance10190±75301906ThuryPremière ligne HVDC en France
Moscou-KashiraURSS100±100301951MercPremière ligne à soupapes au mercure
HVDC GotlandSuède98±100201954Merc

Premier câble avec des soupapes au mercure

Cross-ChannelFrance-Angleterre64±1001601961MercPremière ligne sous la Manche
Volgograd-DonbassURSS475±4007501964MercNiveau de tension
Eel RiverCanadaB2B±803201972ThyrPremière installation à thyristors
Cahora BassaMozambique, Afrique du Sud1456±53319201979ThyrPremier HVDC avec une tension au-delà de 500 kV
Inga-ShabaZaïre1700±5005601982ThyrLongtemps la plus longue ligne HVDC
Itaipu 1Brésil785±60031501984ThyrPremière ligne à 600 kV
IFA 2000France - Angleterre72±27020001986Thyr
Réseau multiterminal à courant continuCanada - États-Unis51600±45022501991ThyrMultiterminal
Liaison CC Italie-Corse-SardaigneFrance - Italie118304±2003001992ThyrSchéma multiterminal
Gotland HVDC lightSuède100±60501999IGBTPremière installation commerciale à IGBT
NorNedNorvège - Pays-Bas580±4507002008ThyrPlus long câble sous-marin actuel
BorWin1Allemagne200+1504002009IGBTPremière plateforme maritime éolienne
Trans Bay CableÉtats-Unis882004002010IGBTPremier VSC multi-niveaux
Yunnan - GuangdongChine1400±80050002010ThyrPremière ligne 800 kV
Xiangjiaba - ShanghaiChine1980±80064002010ThyrPlus grande puissance nominale à sa construction
Jinping - SunanChine2090±80072002013ThyrPlus grande puissance nominale
Rio MadeiraBrésil2350±60031502014ThyrPlus longue ligne aérienne
INELFE Baixas - Santa Llogaia France-Espagne 65 ±320 2*1000 2015 IGBT Première liaison VSC de plus de 1 000 MW

La station en tête bèche de Tres Amigas à Clovis au Nouveau-Mexique doit relier les 2 réseaux synchrones majeurs et un mineur américains à l'aide d'un mélange de technologie HVDC et de câble supraconducteur à haute température doit permettre à terme de transporter la puissance de 30 GW[179],[180].

Conséquences environnementales

Les lignes HVDC ont une influence, relativement bénigne, sur l'environnement[181]. Les effets indésirables possibles sont d'ordre : visuel, sonore, perte d'huile, perte de SF6, risque d'incendie, pollution électromagnétique, corrosion des installations à proximité, harmoniques dans le réseau en courant alternatif et hydrolyse de l'eau. La plupart peuvent être réduits de manière efficace[182].

Les stations et surtout les lignes aériennes ont un impact visuel non négligeable. Les premières peuvent être construites dans des bâtiments, ce qui les rend nettement plus discrètes, notamment en paysage urbain. Les secondes, même si moins de lignes sont nécessaires en comparaison d'un système AC, peuvent être regroupées dans des corridors déjà existants ou être remplacées par des câbles enterrés[182],[183]. De plus, les équipements électriques sont bruyants, en particulier les transformateurs et filtres. Une conception adaptée, voire la construction de barrières anti-bruit ou de bâtiments autour des installations peuvent limiter les nuisances[184]. Les lignes, avec l'effet corona, causent également des nuisances sonores, mais aucune solution globale n'existe[185]. Les pertes d'huile et de SF6 sont exceptionnelles et jugulées respectivement par des réceptacles pour l'huile et des systèmes de surveillance pour le gaz. Le risque d'incendie est réduit par la construction de murs anti-feu autour des transformateurs, les éléments les plus inflammables de la station[186]. Le matériel électrique crée une certaine pollution électromagnétique, que ce soit un champ électrique, magnétique ou des charges corona. Le blindage des valves et des éléments sensibles permettant de les limiter, les niveaux rencontrés dans les installations sont très en deçà des normes. Les compas des navires peuvent cependant être perturbés. Les stations HVDC émettent également des harmoniques dans le réseau (voir Filtres), dans le cas des LCC et des VSC à 2 niveaux, des filtres les limitent. Pour les VSC multi-niveaux ces harmoniques sont négligeables. Par contre, les convertisseurs VSC à 2 niveaux étant opérés à haute fréquence, ils peuvent créer de la pollution électromagnétique[187],[188],[189].

Les retours par la terre ont également un effet sur l'environnement. Le fait qu'ils réduisent les pertes électriques doit être vu comme un avantage[190]. Par contre ils peuvent causer divers problèmes[146] :

  • De la corrosion des longs objets métalliques se trouvant entre les électrodes. Typiquement si un pipeline ou un rail se trouve entre les électrodes, le courant l'empruntera.
  • Dans le cas d'électrode marine, l'électrolyse de l'eau aux environs de l'électrode peut produire du chlore et/ou modifier les propriétés chimiques de l'eau.
  • La circulation du courant peut affecter les compas des navires.

Des solutions existent pour réduire ces effets. Il ainsi est possible de poser une protection cathodique sur les pipelines, ce qui est relativement peu coûteux[190]. Une étude géologique du sol étudiant le comportement des courants telluriques permet de s'assurer du bon passage du courant entre les stations[191].

À cause de ces désavantages, le retour par la terre est de plus en plus rare dans les projets HVDC. Le Cigré affirme néanmoins en 2012 que, si la mise à la terre est correctement réalisée, aucune conséquence sur la flore et la faune environnante n'a pu être détectée jusqu'à présent[192].

Évolutions futures

Le besoin de connecter des centrales électriques toujours plus éloignées des centres de consommation pousse les concepteurs à développer des niveaux de tension toujours plus élevés. En Chine, la région du Sinkiang en particulier contient d'importantes ressources énergétiques, éolienne et charbon, que le gouvernement chinois veut exploiter. Ainsi ABB et Siemens ont annoncé tour à tour en 2012 développer et avoir testé des transformateurs destinés à des stations HVDC d'une tension de +/-1 100 kV[193]. Le gestionnaire du réseau électrique chinois State Grid Corporation est à la pointe de la recherche. Ces lignes atteindraient des puissances aux alentours de 10 GW[194],[195].

Un autre axe de développement est l'amélioration de la technologie VSC, elle devrait devenir intéressante dans le futur pour transporter de grandes puissances[196]. Le développement de câbles électriques en polyéthylène atteignant des tensions plus élevées est également un objectif majeur de recherche[116]. Enfin l'utilisation de semiconducteurs à plus large bande que celui du silicium, comme le carbure de silicium ou le nitrure de gallium permettrait selon les études à la fois d'obtenir des composants ayant une plus haute tension et des pertes réduites qu'avec l'actuel silicium[197].

Fabricants

ABB, anciennement ASEA pour la partie HVDC, revendique avoir achevé 74 projets et en avoir 20 en cours. Parmi eux, 6 VSC sont terminés, 7 en cours. 3 CCC ont été construits. En 800 kV, 1 projet a été achevé, 2 sont en progression[198]. Son centre de compétence et de fabrication se situe à Ludvika en Suède. Ses VSC sont commercialisés sous la marque « HVDC Light », ses LCC sous la dénomination « Classic »[198].

Siemens revendique avoir terminé 36 projets et en avoir 15 en cours[199]. Parmi eux 1 VSC complété, 5 sont en cours de construction[200]. Pour le 800 kV, 3 installations ont été terminées, une est en cours de construction[201]. Les principaux sites et usines concernant l'HVDC de Siemens sont situés à Nuremberg et Erlangen en Allemagne[202]. Ses VSC sont commercialisés sous la marque « HVDC Plus », ses LCC sous la dénomination « Classic » comme ABB[138].

La division Grid d'Alstom, devenu un temps Areva T&D, a une expérience de 31 projets achevés et 3 en cours, dont 1 en 800 kV[203],[204],[205]. Il compte livrer son premier VSC en 2014 en Suède et un back to back aux États-Unis[206]. Ses usines et centre de recherche concernant l'HVDC se trouve à Stafford au Royaume-Uni[207]. Ses VSC sont commercialisés sous la marque « MaxSine », ses LCC sont dénommés simplement HVDC[208].

General Electric avait réalisé 10 projets HVDC avant de se retirer du marché à la fin des années 1980[209].

Toshiba, parfois associé à Hitachi et Mitsubishi, a conduit 8 projets HVDC[210].

Le gestionnaire de réseau chinois SGCC prend une part importante à la réalisation des lignes HVDC dans le pays. Certains composants, typiquement les transformateurs de conversion et les valves, sont certes livrés par Siemens ou ABB, mais des fournisseurs locaux, comme XD Group[211], fournissent le reste[212],[213].

Normes applicables

Articles connexes

  • FACTS, qui reprennent grandement les technologies utilisées dans les lignes HVDC.

Références

  1. Cependant les premières installations étaient électromécaniques, voir plus bas la partie sur le système Thury
  2. Voir par exemple l'article sur le GKK Etzenricht qui reliait le réseau de l’Europe de l'Ouest avec celui de l'Europe de l'Est
  3. (en) G. Hingorani Narain, « High-voltage DC transmission: a power electronics workhorse », IEEE Spectrum magazine, (lire en ligne, consulté le ).
  4. Capacité en surcharge continue, mise en service prévue courant 2013, (en) « Projet Jinping-Sunan, ABB » (consulté le ).
  5. (en) « Projet Rio Madeira, ABB » (consulté le ).
  6. Un réseau fort est un réseau ayant une puissance de court-circuit élevée, celle-ci croissant avec la puissance totale des centrales électriques connectées à ce réseau.
  7. Le projet Inelfe entre la France et l'Espagne se compose de 2 bipôles, chacun de 1000 MW.
  8. (en) « An Introduction to High Voltage Direct Current (HVDC) Subsea Cables Systems », sur Europacable (consulté le )
  9. 1 2 3 4 5 6 7 8 9 10 11 12 13 14 15 16 17 18 19 (en) « HVDC for beginners and beyond » [archive du ], sur Alstom (consulté le )
  10. 1 2 3 4 5 6 7 8 (en) M. P. Bahrman, HVDC Transmission Overview, IEEE, (lire en ligne)
  11. 1 2 3 Arrillaga 1998, p. 1
  12. (en)« HVDC des trois-gorges », sur ABB (consulté le )
  13. 1 2 3 Arrillaga 1998, p. 258
  14. (en) « FAQ sur les HVDC », sur ABB (consulté le )
  15. 1 2 Arrillaga 1998, p. 265
  16. Arrillaga 1998, p. 182
  17. « présentation transport énergie électrique à jicable » (consulté le )
  18. 1 2 (en) « Projet NorNed, ABB » (consulté le )
  19. « présentation câble HVDC » [archive du ] (consulté le )
  20. Cigré 269 2005, p. 62
  21. Cigré 492 2012, p. 57
  22. 1 2 3 Cigré 492 2012, p. 17
  23. 1 2 3 4 5 (en) Jakob Glasdam, Jesper Hjerrild, Łukasz Hubert Kocewiak et Claus Leth Bak, Review on Multi-Level Voltage Source Converter Based HVDC Technologies for Grid Connection of Large Offshore Wind Farms (lire en ligne)
  24. (en) « Grid connection BorWin1 », sur TenneT (consulté le )
  25. Nucléaire dans le cas de la France, mais ce modèle de réseau n'est pas particulier à ce pays.
  26. (de) « Plan de développement du réseau allemand » [archive du ], (consulté le ), en particulier page 105-109
  27. (en) Gregor Czisch, Low Cost but Totally Renewable Electricity Supply for a Huge Supply Area – a European/Trans-European Example – : 2008 Claverton Energy conference, University of Kassel, (lire en ligne)
  28. (en) « projet Desertec et HVDC » [archive du ] (consulté le )
  29. (en) Donald Beaty, Standard Handbook for Electrical Engineers 11th Ed, McGraw Hill,
  30. 2 Induits sur le même arbre comme sur les locomotives CC 6500 de laSNCF
  31. (en) « ACW's Insulator Info – Book Reference Info – History of Electrical Systems and Cables » (consulté le )
  32. (en) R. M. Black, The History of Electric Wires and Cables, Londres, Peter Perigrinus, , 290 p. (ISBN 0-86341-001-4), p. 94–96
  33. 1 2 (en) Alfred Still, Overhead Electric Power Transmission, McGraw Hill, , p. 145
  34. (en) R.M. Black, The History of Electric Wires and Cable, Londres, Peter Peregrinus, , 290 p. (ISBN 0-86341-001-4, lire en ligne), p. 95
  35. (en) « Shaping the Tools of Competitive Power » (version du sur Internet Archive)
  36. Kimbark 1971, p. 3-4
  37. Thomas P. Hughes, Networks of Power
  38. 1 2 3 Arrillaga 1998, p. 2
  39. (en) H. Rissik, Mercury-Arc Current Converters, Pitman, , chap. IX
  40. 1 2 3 (en) O. Peake, The History of High Voltage Direct Current Transmission, 3rd Australasian Engineering Heritage Conference, (lire en ligne)
  41. (en) « HVDC Transmission » (version du sur Internet Archive)
  42. (en) « IEEE History Center » [archive du ] (consulté le )
  43. (en) « Liste des détenteurs d'un Uno Lamm award » [archive du ] (consulté le )
  44. (en) T.C.J Cogle, « The Nelson River Project – Manitoba Hydro exploits sub-arctic hydro power resources », Electrical Review,
  45. (en) Helen Reilly, Connecting the Country : New Zealand's National Grid 1886–2007, Wellington, Steele Roberts, , 376 p. (ISBN 978-1-877448-40-9)
  46. (en) « Pole 1 decommissioned » (consulté le )
  47. (en) Compendium of HVDC schemes troughout the world, Cigré, coll. « Brochure », (lire en ligne), chap. 003
  48. 1 2 3 Arrillaga 1998, p. 86
  49. 1 2 3 (en) A.M. Nekrasov et A.V. Posse, « Work done in the Soviet Union on High-Voltage Long-Distance DC power transmission », A.I.E.E. Transactions, vol. 78, no 3A, , p. 515-521
  50. 1 2 « List of IEEE Milestones », sur IEEE Global History Network, IEEE (consulté le )
  51. (en) « Liste exhaustives des projets HVDC mis en service avant mars 2012 » (consulté le )
  52. voir section fabricants
  53. (en) « Projet Hällsjön, ABB » [archive du ] (consulté le )
  54. 1 2 (en) G. Asplund, K. Svensson, H. Jiang, J. Lindberg et R. Pålsson, DC transmission based on voltage source converters, Paris, Cigré, , chap. 14-302
  55. 1 2 3 4 Cigré 269 2005, p. 23-33
  56. 1 2 Cigré 492 2012, p. 20
  57. (en) « Projet Transbay, Siemens » (consulté le )
  58. Cigré 492 2012, p. 20, 28 et 31
  59. (en) « Capacitor Commutated Converters for HVDC Systems » (consulté le )
  60. (en) « A "firewall" against disturbances in high-voltage grids », sur ABB (consulté le )
  61. 1 2 Cigré 492 2012, p. 48
  62. 1 2 3 4 5 6 Arrillaga 1998, p. 10-55
  63. Par exemple des éoliennes en mer ne peuvent être reliés à la côte grâce à une LCC, sans diesel, l'échange ne pourrait redémarrer
  64. 1 2 Cigré 492 2012, p. 13
  65. (en) B.A. Rowe, F.G. Goodrich et I.R. Herbert, Commissioning the Cross Channel h.v.d.c. link, vol. 3, GEC Review, , chap. 2
  66. (en) A. Praça, H. Arakari, S.R. Alves, K. Eriksson, J. Graham et G. Biledt, Itaipu HVDC Transmission System - 10 years operational experience, ABB, (lire en ligne)
  67. (en) « On the Short Circuit Current Contribution of HVDC Light » [archive du ], sur ABB (consulté le )
  68. Kimbark 1971, p. 71–128
  69. 1 2 Arrillaga 1998, p. 13-32
  70. Williams 1992, p. 287–291
  71. Arrillaga 1998, p. 26
  72. Kimbark 1971, p. 75
  73. Mohan, Undeland et Robbins 1995, p. 148-150
  74. 1 2 Arrillaga 1998, p. 28
  75. 1 2 (en) « HVDC controls » (consulté le )
  76. 1 2 Arrillaga 1998, p. 116
  77. (en) « Method and arrangement to reverse the power flow of a direct current power transmission system » (consulté le )
  78. 1 2 3 Arrillaga 1998, p. 159-199
  79. Cigré 492 2012, p. 12
  80. Cory 1965, chapitre 3
  81. T.E. Calverley, A. Gavrilovic, F.H. Last et C.W. Mott, The Kingsnorth-Beddington-Willesden DC Link, Paris, Cigré, , chap. 43-04
  82. (en) T.C.J Cogle, « The Nelson River Project - Manitoba Hydro exploits sub-arctic hydro power resources », Electrical Review,
  83. Arrillaga 1998, p. 163
  84. (en) « High Voltage Direct Current Transmission – Proven Technology for Power Exchange » (consulté le )
  85. Arrillaga 1998, p. 100-128
  86. Cigré 492 2012, p. 16
  87. Arrillaga 1998, p. 111
  88. Song et Johns 1999, p. 19
  89. Arrillaga 1998, p. 136
  90. Arrillaga 1998, p. 140
  91. Arrillaga 1998, p. 155
  92. 1 2 3 4 (en) Christian M. Franck, « HVDC Circuit Breakers: A Review Identifying Future Research Needs », Transactions on power delivery, IEEE, (lire en ligne [archive du ], consulté le )
  93. (en) « Win-TDC The State-of-the-Art Control and Protection System séparation pole et station control for HVDC Applications from Siemens » [archive du ] (consulté le )
  94. (en) « Introduction of wave front protection in Tian-Guang HVDC transmission system » (consulté le )
  95. (en) « Natural frequency based protection and fault location for VSC-HVDC transmission lines » (consulté le )
  96. Arrillaga 1998, p. 218
  97. Arrillaga 1998, p. 211-225
  98. (en) K. Lindén, B. Jacobson, M.H.J. Bollen et J. Lundquist, Reliability study methodology for HVDC grids, Paris, Cigré, , « B4_108 »
  99. 1 2 Cigré 492 2012, p. 40
  100. 1 2 3 (en) « Présentation sur les VSC avec de nombreuses illustrations des différentes configurations » [archive du ], sur Alstom (consulté le )
  101. Cigré 269, p. 39
  102. 1 2 Cigré 492 2012, p. 23
  103. (en) Tamiru Woldeyesus Shire, VSC-HVDC based Network Reinforcement, Delft, Delft University of Technology, (lire en ligne)
  104. Mohan, Undeland et Robbins 1995, p. 225-236
  105. Williams 1992, p. 359–371
  106. (en) Components Testing of VSC System for HVDC Applications, CIGRÉ, coll. « brochure », (lire en ligne), chap. 447
  107. Cigré 492, p. 59
  108. 1 2 3 4 Cigré 269 2005, p. 35
  109. (en) I. Mattsson, B.D. Railing, B. Williams, G. Moreau, C.D. Clarke, A. Ericsson et J.J. Miller, Murraylink – the longest underground HVDC cable in the world, Paris, Cigré, (lire en ligne), « B4-103 »
  110. (en) B.D. Railing, J.J. Miller, P. Steckley, G. Moreau, P. Bard, L. Ronström et J. Lindberg, Cross Sound Cable project – second generation VSC technology for HVDC, Paris, Cigré, (lire en ligne), « B4-102 »
  111. (en) A. Lesnicar et R. Marquardt, An innovative modular multi-level converter topology for a wide power range, Bologne, IEEE, coll. « POwer Tech Conference »,
  112. 1 2 3 (en) T. Westerweller, K. Friedrich, U. Armonies, A. Orini, D. Parquet et S. Wehn, Trans Bay cable – world's first HVDC system using multilevel voltage-sourced converter,, Paris, CIGRÉ, (lire en ligne), « B4-101 »
  113. 1 2 3 Cigré 269 2005, p. 42
  114. (en) Sebastien Dennetiere, « Modeling of Modular Multilevel Converters for the France-Spain link », IPST2013, , p. 7 (lire en ligne)
  115. 1 2 (en) B. Jacobson, P. Karlsson, G. Asplund, L. Harnefors et T. Jonsson, VSC - HVDC transmission with cascaded two-level converters, Paris, Cigré, (lire en ligne), « B4-110 »
  116. 1 2 3 Cigré 492 2012, p. 36
  117. (en) C.C. Davidson et D.R. Trainer, Innovative concepts for hybrid multi-level converters for HVDC power transmission, Londres, IET, coll. « 9th International Conference on AC and DC Power Transmission »,
  118. « INELFE interconnector » (consulté le )
  119. (en) « Nexans successfully qualifies a 525 kV HVDC underground cable system to German TSO standards », sur www.nexans.com (consulté le )
  120. Cigré 492 2012, p. 31
  121. (en) N.M. MacLeod, A.C. Lancaster et C.D.M. Oate`, The development of a Power Electronic Building Block for use in Voltage Source Converters for HVDC transmission applications, Bergen, Norvège, CIGRÉ,
  122. 1 2 (en) 1Peter Fairley, « Germany Takes the Lead in HVDC », sur ieee, (consulté le )
  123. (en) D.R. Trainer, C.C. Davidson, C.D.M. Oates, N.M. Macleod, Critchley<prénom5=D.R. et R.W. Crookes, A New Hybrid Voltage-Sourced Converter for HVDC Power Transmission, Paris, Cigré, (lire en ligne), « B4-111 »
  124. Cigré 492 2012, p. 28
  125. Cigré 269 2005, p. 65
  126. Cigré 269 2005, p. 70
  127. (en) Jin Yang, John E. Fletcher et John O’Reilly, Short-Circuit and Ground Fault Analysis and Location in VSC-Based DC Network Cables, IEEE, (lire en ligne)
  128. (en) Groupe de travail B4, Technical guidelines for first HVDC grids : A European study group based on an initiative of the German commission for electrical, electronic & information technologies, Paris, CIGRÉ, (lire en ligne), chap. 307
  129. Cigré 269 2005, p. 44-47
  130. 1 2 3 4 Heathcote 2007, p. 681-690
  131. (en) Groupe de travail B4.51, Study of Converter Transients Imposed on the HVDC Converter Transformers, t. 609, CIGRÉ, coll. « brochure », , p. 52
  132. (en) E. Reiplinger, Noise level in large transformers due to DC injection in networks, Siemens AG, (lire en ligne)
  133. (en) « Documentation Siemens sur les VSC » (consulté le )
  134. Arrillaga 1998, p. 31
  135. figure 22 de la norme IEEE C37.91, version 2008
  136. Arrillaga 1998, p. 133
  137. Cigré 492 2012, p. 21
  138. 1 2 3 (en) « Présentation de la technologie HVDC Plus », sur Siemens (consulté le )
  139. 1 2 3 Arrillaga 1998, p. 181
  140. (en) « Insulation coordination for UHVDC 800 kV » (consulté le )
  141. (en) « Converter Station Design of the ±800 kV UHVDC Project Yunnan-Guangdong » (consulté le )
  142. Arrillaga 1998, p. 56
  143. (en) groupe de travail B4, Guide to the specification and design evaluation of AC filters for HVDC systems, Cigré, coll. « Brochure », , chap. 139
  144. Arrillaga 1998, p. 60
  145. (en) groupe de travail B4, DC side harmonics and filtering in HVDC transmission systems, Cigré, coll. « Brochure », , chap. 92
  146. 1 2 Cigré 508 2012, p. 43
  147. Cigré 492 2012, p. 54
  148. Cigré 492 2012, p. 22
  149. « rapport 2008 sur la liaison France-Espagne » [archive du ] (consulté le )
  150. (en) « Moins de lignes en DC », sur ABB (consulté le )
  151. (en) « High Voltage Direct Current Transmission » (consulté le )
  152. 1 2 3 (en) « An Introduction to High Voltage Direct Current (HVDC) Underground Cables » (consulté le )
  153. (en) « THE NORNED HVDC CABLE LINK A power transmission highway between Norway and the Netherlands », sur ABB (consulté le )
  154. (en) HVDC XLPE cable systems applicable for higher temperature and polarity reversal operation, Versailles, Jicable, (lire en ligne)
  155. (en) « Development of a 500-kV DC XLPE Cable System », Furukawa Review, no 25, (lire en ligne, consulté le )
  156. Arrillaga 1998, p. 85
  157. (en) « Projet Basslink » [archive du ] (consulté le )
  158. Cigré 492 2012, p. 24
  159. 1 2 Arrillaga 1998, p. 84
  160. Cigré 492 2012, p. 15
  161. (en) « Presentation sur le 800 kV par Areva » (consulté le )
  162. Arrillaga 1998, p. 94-95
  163. (en) Gilles Trudel, Jean-Pierre Gingras et Jean-Robert Pierre, « Designing a Reliable Power System: Hydro-Québec’s Integrated Approach », Proceedings of the IEEE, vol. 93, no 5, , p. 907-917 (DOI 10.1109/JPROC.2005.846332, lire en ligne)
  164. 1 2 3 (en) Michael Häusler, Multiterminal HVDC for High Power Transmission in Europe, (lire en ligne)
  165. (en) « ABB HVDC Transmission Québec – New England » (consulté le )
  166. (en) V.C. Billon, J.P. Taisne, V. Arcidiacono et F. Mazzoldi, « The Corsican tapping: from design to commissioning tests of the third terminal of the Sardinia-Corsica-Italy HVDC », IEEE Transactions, vol. 4, no 1, , p. 794-799
  167. (en) Temesgen Mulugeta Haileselassie, Control of Multi-terminal VSC-HVDC Systems, Norvegian university of science and technology, (lire en ligne)
  168. Côté AC pour les VSC à demi-pont en H, côté DC pour ceux en pont en H
  169. (en) « Electricity Ten Year Statement Appendix E – Technology Sheets » [archive du ] (consulté le )
  170. 1 2 (en) Charles H. Flurscheim, Power Circuit Breaker Theory and Design, Edition of electrical engineer, (lire en ligne), p. 409-417
  171. 1 2 3 (en) Christian M. Franck, « HVDC Circuit Breakers:A Review Identifying Future Research Needs », Transactions on power delivery, Zurich, IEEE, vol. 26, no 2, (lire en ligne [archive du ], consulté le )
  172. (en) « DC High speed switches » [archive du ] (consulté le )
  173. (en) Jürgen HÄFNER et Björn Jacobson, Proactive Hybrid HVDC Breakers : A key innovation for reliable HVDC grids, Bologne, Cigré, (lire en ligne)
  174. (en) « Current modulation of direct current transmission lines » (consulté le )
  175. (en) L. O. Barthold, Technical and Economic Aspects of Tripole HVDC (lire en ligne)
  176. (en) « Configuration de Cross-Skagerrak » (consulté le )
  177. Cigré 492 2012, p. 56
  178. Cigré 492 2012, p. 85-90
  179. (en) « US grids to become ‘three friends’ » (consulté le )
  180. (en) « Superconductors to Wire a Smarter Grid » (consulté le )
  181. Cigré 508 2012, p. 12
  182. 1 2 Cigré 508 2012, p. 14
  183. Cigré 508 2012, p. 26
  184. Cigré 508 2012, p. 15
  185. Cigré 508 2012, p. 28
  186. Cigré 508 2012, p. 21
  187. Cigré 508 2012, p. 29
  188. Arrillaga 1998, p. 266-270
  189. Cigré 269 2005, p. 94
  190. 1 2 Cigré 508 2012, p. 48
  191. Cigré 508 2012, p. 54
  192. Cigré 508 2012, p. 51
  193. (en) « Test par ABB de transformateurs 1100 kV » (consulté le )
  194. (en) « Développement du 1100 kV en Chine » [archive du ] (consulté le )
  195. (en) Liu Zehong, Gao Liying, Wang Zuli, Yu Jun, Zhang Jin et Lu Licheng, R&D progress of ±1100kV UHVDC technology, Paris, Cigré, , « B4_201 »
  196. Cigré 492 2012, p. 105
  197. Cigré 269 2005, p. 128
  198. 1 2 (en) « Liste des projets références d'ABB » (consulté le )
  199. (en) « HVDC Classic, references » (consulté le )
  200. (en) « HVDC Plus, references » (consulté le )
  201. (en) « UHVDC Siemens, references » (consulté le )
  202. La conception se fait à Erlangen, les transformateurs et valves sont construits à Nuremberg
  203. (en) « Liste projets Alstom, non à jour » (consulté le )
  204. « Alstom va fournir les postes de conversion pour une liaison UHVDC 800 kV en Inde » (consulté le )
  205. (en) « Liste de projets Areva T&D en 2007 » [archive du ] (consulté le )
  206. (en) N. M. Kirby, N. M. Macleod, D. Stidham et M. Reynolds, HVDC and Power Electronic Systems forOverhead Line and Insulated Cable Applications, San francisco, Cigré (lire en ligne), « B4-12 »
  207. « Alstom remporte un contrat de 240 millions d'euros en Suède pour une liaison haute tension à courant continu (HVDC) » (consulté le )
  208. (en) « Différentes marques d'Alstom » (consulté le )
  209. (en) « GE Energy, FACTS » (consulté le )
  210. (en) « Liste exhaustive de tous les projets HVDC complétés » (consulté le )
  211. (en) « Catalogue de matériel DC du XD Group » [archive du ] (consulté le )
  212. (en) « Nuozhadu-Guangdong et Xiluodu-Guangdong » (consulté le )
  213. (en) « Jinping-Sunan », sur ABB (consulté le )

Traduction

  1. « Super grid »
  2. « line-commutated converters »
  3. « black-start »
  4. « overlap »
  5. « Wavefront »
  6. « self-commutated converters »
  7. « Pulse-width modulation » (PWM)
  8. « diode-clamped »
  9. « Modular Multi-Level Converter » (MMC)
  10. « half-bridge »
  11. « Cascaded Two Level » (CTL)
  12. « full-bridge »
  13. « hybrid HVDC »

Bibliographie

Principale

  • (en) Jos Arrillaga, High Voltage Direct Current Transmission, Institution of Electrical Engineers, (ISBN 0-85296-941-4)
  • (en) E.W. Kimbark, Direct current transmission, vol. 1, Wiley Interscience,
  • (en) B.J. Cory, C. Adamson, J.D. Ainsworth, L.L. Freris, B. Funke, L.A. Harris et J.H.M. Sykes, High voltage direct current convertors and systems, Macdonald & Co,
  • (en) B.W. Williams, Power Electronics : devices, drivers and applications, Macmillan Press, , 542 p. (ISBN 0-333-57351-X)
  • (en) N. Mohan, T.M. Undeland et W.P. Robbins, Power Electronics : converters, applications and design, John Wiley & Sons, (ISBN 0-471-58408-8)
  • (en) HVDC Environmental Planning Guidelines, Cigré, coll. « Brochure », , chap. 508
  • (en) Groupe de travail B4.46, Voltage Source Converter (VSC) HVDC for Power Transmission – Economic Aspects and Comparison with other AC and DC Technologies, Cigré, coll. « Brochure », , chap. 492
  • (en) Groupe de travail B4.37, VSC TRANSMISSION, Cigré, coll. « Brochure », , chap. 269
  • (en) Yuong Hua Song et Allan T. Johns, Flexible AC transmission systems, Londres, institution of electrical engineers, (ISBN 0-85296-771-3, lire en ligne)

Pour approfondir

  • (en) Martin J. Heathcote, J&P Transformer Book, Oxford, Elsevier, (ISBN 978-0-7506-8164-3, lire en ligne)Document utilisé pour la rédaction de l’article

Liens externes

  • icône décorative Portail de l’électricité et de l’électronique
  • icône décorative Portail de l’énergie