Dessin technique

| Partie de |
Art du dessin (d), technical communication (en), communication visuelle |
|---|---|
| Pratiqué par |

.jpg)
Le dessin technique — dit aussi dessin industriel — est un langage graphique figuratif pour la représentation graphique, la communication technique, la conception et l'analyse systémique de produits mécaniques, électroniques ou mécatroniques.
Il est utilisé principalement en génie mécanique, mécanique industrielle, génie électrique (bureau d'études, bureau des méthodes), en génie civil (architecture) ainsi qu'en électronique, construction de mobilier pour la représentation des différentes composantes et de leur structure.
Il s'agit d'un ensemble de conventions normalisées pour représenter des objets (produits) et constructions (structures, édifices) ; ces conventions assurent que le produit ou la construction représentée est tel qu'imaginé par le concepteur.
Les différents types de dessin technique
Différents types de dessins techniques existent :
- le dessin préliminaire :
- le croquis, généralement à main levée,
- l'esquisse ou ébauche,
- l'épure,
- le schéma : principe de fonctionnement ou de procédé,
- le schéma cinématique
- le schéma de principe
- le schéma de construction
- le schéma de procédé et d'instrumentation PID (Process and Instrumentation Diagram),
- le schéma de procédé des flux PFD (Process Flow Diagram),
- le dessin technique détaillé :
- le dessin d'ensemble,
- le dessin de définition,
- le dessin en vue éclatée,
- le dessin en perspective
- le livrable de Génie Civil :
- l'avant projet sommaire (APS),
- l'avant projet détaillé (APD),
- le plan d'installation générale,
- le dessin d'architecture
- le Tel Que Construit (TQC).
Les logiciels de Dessin assisté par ordinateur (DAO), de Conception assistée par ordinateur (CAO) et plus particulièrement de Conception et fabrication assistées par ordinateur (CFAO) impliquent des outils de calcul puissants pour la modélisation de produits et pilotage de machines-outils pour leur fabrication, mais également la modélisation d'édifices architecturés ou d'installations industrielles. Ils permettent une édition cohérente et précise des dessins techniques (plans) pour la bonne réalisation des projets. Cependant, la cotation fonctionnelle des dessins techniques est toujours à vérifier. L'opérateur (le dessinateur industriel, le projeteur) doit être en mesure de concevoir dans les règles de l'art, d'interpréter et corriger les données d'entrée et de sortie le cas échéant.
Le dessin technique nécessite une connaissance aiguë des conventions normalisées suivant le lieu et le secteur et d'activité, la nature des produits à élaborer, la sécurité et l'environnement des constructions à concevoir. Il peut également contribuer aux analyses de faisabilités, aux analyses de risques et de défaillances, mais aussi à la détermination des coûts de production ou de construction.
Il est un des modes de communication entre le concepteur et le fabricant (constructeur), ce qui en l'espèce, laisse peu de place à l'erreur et doit donc toujours faire l'objet d'un contrôle préalable par une tierce personne, avant d'être validé et exploité "bon pour exécution". Le dessinateur en est l'interprète privilégié sous la responsabilité d'un ingénieur ou d'un architecte.

Le dessin, une simple représentation ?


Le dessin technique répond à deux besoins essentiels du processus de conception technique : formaliser les idées pour valider des concepts, et communiquer[1],[2]. La représentation par le dessin ne doit donc pas se limiter à une simple description de formes.
Même si la perspective constitue un modèle général suffisant pour donner un ordre d'idée, c'est un vecteur peu efficace de données géométriques. De plus, elle peut contribuer à de mauvaises interprétations (voir les travaux de Maurits Cornelis Escher qui a su jouer de cette insuffisance). En effet la projection sur une feuille en deux dimensions d'un objet à trois dimensions n'est pas une transformation bijective. Il n'est pas possible, sur une perspective de relever systématiquement la valeur d'un angle : aucun angle n'est droit sur un cube représenté en perspective, et parfois deux angles droits apparaissent avec des valeurs différentes.
L'idée forte du dessin technique est la suppression arbitraire d'une dimension, ce qui permet de faire apparaître en vraie grandeur les deux autres. Du coup, au moins deux vues différentes seront nécessaires pour prétendre tenir l'ensemble des caractéristiques géométriques de l'objet représenté.
La perspective cavalière s'inscrit en quelque sorte à mi-chemin entre la perspective naturelle (conique) et la projection plane (comme la perspective isométrique).
Les schémas électriques, ou de circuits hydrauliques font partie des dessins techniques. Dans ce cas, le souci est de représenter l'organisation des composants techniques. De même les organigrammes peuvent être apparentés au dessin technique.
Histoire
Il s'agit d'un langage de description dont on possède des exemples anciens pour le bâtiment depuis les carnets de Villard de Honnecourt jusqu'aux cours de Girard Desargues[3] et de Jacques Aleaume[réf. nécessaire]. Il prend un tour technique et quantitatif avec les pratiques des ingénieurs des fortifications français (lignes de niveau, coupes, lignes de pente). Une première formalisation : la géométrie descriptive, est effectuée à l’École royale du génie de Mézières par Gaspard Monge à la fin du XVIIIe siècle[4]. Gardée secrète jusqu'aux guerres révolutionnaires[5], elle est diffusée par le cours de J.-N. Hachette au début du XIXe siècle.
En 1848, les frères Armengaud donnent une nouvelle impulsion au dessin technique avec leur Nouveau cours raisonné de dessin industriel. Le livre des frères Armengaud, presque immédiatement traduit en anglais, contribua à diffuser les standards du dessin technique en France comme dans tout le monde anglophone : ses principaux partisans en Angleterre furent Robert Scott Burn et William S. Binns. Selon Romans[6], la version anglaise (The practical draughtsman's book of industrial design) fut certainement l'ouvrage le plus répandu sur la question ; il ne cessa d'être imité dans les décennies suivantes[6].
Aux États-Unis, le principal représentant du dessin industriel fut Walter Smith (1836 - 1886), qui exerça une forte influence sur ce qui allait devenir le design[7].
Conventions du dessin technique
Le dessin technique doit être compris par tous. Pour cela, il doit y avoir quelques règles de présentation conventionnelles qui font l'objet de normes officielles, en France par l'AFNOR (voir Liste de normes NF), au Canada par l'ACNOR et en Suisse les normes VSM (éditées par le bureau des normes suisse des constructeurs de machines).
Correspondance des vues


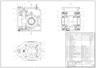
L'objet est souvent représenté selon plusieurs vues dont la disposition relative respecte certaines conventions. Tout objet technique présente des directions principales évidentes. En découlent six directions de vue particulières : de face, d'arrière, de dessus, de dessous, de gauche, de droite. Ce principe de projection s'appuie sur les techniques de la géométrie descriptive.
On peut utiliser deux conventions pour placer les vues en correspondance, toutes deux ayant la vue de face comme référence :
- la convention européenne (ou projection européenne) : la vue de dessus est placée sous la vue de face, la vue de droite, à gauche de la vue de face... Ce qui revient, entre deux vues, à faire « rouler » la pièce au-dessus du plan sur lequel elle est censée être posée.
- la convention américaine (ou projection américaine) : on place la vue de dessus au-dessus de la vue de face, la vue de gauche à sa gauche… Ce qui revient à faire rouler la pièce en dessous du plan.
La convention utilisée est représentée par un cône tronqué ainsi que sa projection placé dans le cartouche.
Les deux représentations se justifient ainsi :
- la convention européenne correspond à la logique des projections : ce qui est vu « de droite » (depuis la droite) se projette à gauche, et donc se dessine à gauche, etc.
- La convention américaine privilégie l'aspect pratique : les détails à gauche dans la vue de face voisinent avec leurs représentations dans la vue de gauche (cela permet la proximité des cotations).
Chaque vue ne peut représenter l'objet que suivant deux dimensions. Deux vues adjacentes en correspondance ont donc une direction principale en commun. Dans cette direction un même détail est représenté en vis-à-vis : par exemple le bas de la pièce doit être à la même hauteur sur les vues de face et de droite. La hauteur de la pièce peut indifféremment être relevée dans les deux vues.
Dans un souci de clarté, on lui associera quelques vues supplémentaires (souvent une ou deux) pour effacer toute ambiguïté. Par exemple :
- une pièce de révolution peut être entièrement définie dans une vue axiale. En effet sa symétrie de révolution lui confère une géométrie à deux dimensions identiques.
- une pièce parallélépipédique sans trop de trous sera complètement définie sous deux vues.
- pour une automobile, la vue de face est… la vue de côté, qui définit le mieux la ligne.
Selon la convention européenne, on aura donc, en règle générale, sur une feuille A4 placée verticalement, la vue de face dans la partie supérieure gauche de la feuille, la vue de dessus sous la vue de face, et la vue de gauche dans la partie supérieure droite de la feuille, laissant la partie inférieure droite pour le cartouche et les textes. Les vues de gauche et de dessus sont alignées sur la vue de face, mais on ne laisse pas subsister les lignes de rappel.
Enfin il faut privilégier les vues en coupe pour la définition des formes cachées, les traits forts étant plus facile à interpréter, et les hachures localisant mieux les pleins de matière.
L'échelle
Conformément aux normes, l'objet de conception dans le dessin peut être réalisé en taille réelle, réduit ou agrandi. Le rapport des dimensions linéaires d'un objet dans le dessin à leur taille réelle est appelé une échelle. En Russie, il s'agit du GOST 2.302-68 Unified System for Design Documentation (ESKD). L'échelle [10] Selon ce GOST, les échelles suivantes doivent être utilisées dans la conception :
Échelles de réduction 1: 2; 1 : 2,5 ; 1 : 4 ; 1 : 5 ; 1:10 ; 1:15 ; 1:20 ; 1:25 ; 1:40 ; 1:50 ; 1:75 ; 1:100; 1 : 200 ; 1 : 400 ; 1 : 500 ; 1 : 800 ; 1 : 1000
Valeur naturelle 1 : 1
Échelles de grossissement 2 : 1 ; 2,5 : 1 ; 4 : 1 ; 5 : 1 ; 10 : 1 ; 20 : 1 ; 40 : 1 ; 50 : 1 ; 100 : 1.
Lors de la conception de plans directeurs pour de grands objets, il est permis d'utiliser une échelle de 1: 2000; 1 : 5000 ; 1 : 10000 ; 1 : 20 000 ; 1 : 25000 ; 1 : 50 000.
Les traits
L'utilisation des différents traits suit la norme NF E 04-520 ISO 128. On utilise globalement trois épaisseurs de trait : fort (ou épais, ou gras) ép. 0,5 à 0,7 mm, fin ép. 0,25 à 0,35 mm et très fin ép. 0,15 à 0,2 mm. Le trait peut être plein (ou continu), interrompu (ou discontinu : petit traits de même longueur) ou mixte (en alternance, trait long, trait court). Ce procédé permet de contraster le dessin, d'en distinguer les géométries visibles de celles qui sont cachées, de matérialiser les axes de constructions et d'usinages, d'indiquer les coupes.
En mécanique, les traits forts et continus (ép. 0,5 à 0,7 mm) définissent les géométries visibles, les traits fins et discontinus (ép. 0,25 à 0,35 mm) définissent les géométries cachées, les traits mixtes très fins (ép. 0,15 à 0,2 mm) définissent les axes. En installation générale industrielle, les traits fins et continus (0,35 à 0,5 mm) définissent les géométries visibles, les traits fins et discontinus (ép. 0,20 mm) définissent les géométries cachées, les traits mixtes très fins (ép. 0,15) définissent les axes.
En règle générale les épaisseurs sont à gérer en fonction de l'échelle du dessin afin de ne pas en surcharger la lecture.
Organisation de la feuille

Pour les formats A1 et A3, seules les feuilles positionnées à l'horizontale sont autorisées. La marge est de 10 mm sauf celle de gauche qui doit être de 20 mm.
La feuille comprend en général plusieurs vues réparties de manière équilibrée.
Pour le rangement, la feuille est pliée de sorte que :
- elle puisse tenir dans une pochette prévue pour le format A4 ;
- le cartouche se trouve toujours au même endroit.
Le cartouche étant toujours visible, il est ainsi aisé d'identifier rapidement le document sans avoir à le déplier.
Formats de la feuille
En Europe, on utilise les formats de la norme ISO 216 :
- format ISO A0 = 1 189 × 841 mm
- format ISO A1 = 841 × 594 mm
- format ISO A2 = 594 × 420 mm
- format ISO A3 = 420 × 297 mm
- format ISO A4 = 297 × 210 mm
Cartouche
Un cartouche est une zone d'information et un ensemble de données destinées à l'archivage du document. Il est défini par la norme ISO 7200[8].
Il comporte, entre autres :
- le nom de la pièce,
- l'échelle appliquée,
- le nom du dessinateur ou de la société et leurs coordonnées,
- le mode de projection (européen ou américain),
- la date de dernière modification et son indice,
- le format du plan,
- le numéro de la pièce dessinée.
Traditionnellement le cartouche est un rectangle placé en bas et à droite de la feuille, celui-ci étant placé verticalement pour les formats « pairs » (A4, A2, A0) et horizontalement pour les autres (autrement dit la dimension multiple de 210 est placée horizontalement). L'origine de cette tradition est liée au rangement des « plans », pliés au format A4 et empilés dans des rayonnages d'armoire. Après pliage, quel que soit le format utilisé, le cartouche apparaissait placé en bas, et permettait d'accéder aux informations directement en soulevant simplement celui qui la recouvrait (placé en haut, pour être lu, il obligerait à tirer tout le document hors de la pile).

Ce type de rangement n'est plus guère pratiqué (car les pliages peuvent la cacher), les grands tiroirs extra-plats, les dossiers suspendus à ouverture latérale ou supérieure, ont vu les cartouches se déplacer en fonction de leur facilité d'accès, et leur place est devenue une « norme maison », selon le type de rangement utilisé dans l'entreprise.
L'apparition de l'ordinateur et du DAO, la quasi-disparition des archives-papier rend le problème de l'accès aux informations très secondaire : l'ordinateur va chercher à la même vitesse le cartouche, fichier parmi les fichiers, où qu'il soit, éventuellement hors du dessin lui-même.
Le texte
Le texte suit la norme NF E 04-505 ISO3098.
Pour qu'un dessin papier soit lisible assez aisément, des hauteurs de caractères ont été définies comme suit :
- Titre H = 7 mm
- Sous-Titre H = 5 mm
- Texte gros H = 3,5 mm
- Texte normal H = 2,5 mm
H est la hauteur nominale, qui correspond à la hauteur des capitales (entre autres). Cette appellation n'est pas utilisée en typographie et correspond à l'œil plus le jambage ou plus la hampe — en dessin technique, hampe et jambage ont la même taille. L'épaisseur du trait est d'un 10e de la hauteur.
Une annotation, en dessin technique, est communément appelé redlining. En effet, les ajouts sur papier sont habituellement effectués en rouge[réf. souhaitée].
Représentations codifiées
Vues en coupe



Une vue en coupe permet de faire apparaître certains détails qui seraient sinon cachés à un observateur extérieur. C'est en quelque sorte une vue écorchée. La lecture des traits pleins en est nettement plus aisée. On pratique alors un hachurage des zones où la matière a été tronquée, marquant ainsi un contraste entre les pleins et les creux. Dans un plan d'ensemble, par convention, la pièce centrale (qui n'a rien à cacher) n'est pas coupée.
Pour un dessin de définition, indépendamment du matériau, les hachures, parallèles et régulières, sont en trait continu faisant un angle de 45° ou 30° par rapport aux directions principales de la pièce.
Pour un dessin d'ensemble, les hachures se distinguent par un motif associé à un type de matériaux et plus généralement à une propriété physique ou technique. Sur chaque vue, une même pièce doit avoir le même motif (orientation et fréquence). Il faut alterner si possible l'orientation des hachures entre deux pièces conjointes. On distingue :
- métal ferreux (fer, acier, fonte) ; ces matériaux sont employés pour la majorité des pièces ;
- alliages d'aluminium, dits légers, pour les pièces dont on souhaite minimiser la masse ;
- alliages de cuivre, utilisé pour les pièces de friction ;
- matières plastiques polymère (par exemple joint) : deux réseaux croisés de hachures à trait fin continu faisant 45° l'un par rapport à l'autre ;
- bois ;
- les pièces de petite taille seront parfois grisées, voire noircies quand elles sont vraiment trop petites (contours presque jointifs).
Par convention, on ne coupe jamais les pièces pleines de révolution (arbre, vis, clavette, rivets) ni les nervures : une coupe n'apporte aucune information et alourdit le dessin, donc nuit à sa lisibilité.
Vues en coupe particulières
Pour simplifier les représentations et alléger le dessin, on utilise des représentations particulières :
- coupe à plans parallèles et coupes à plans sécants : on coupe la pièce selon divers plans afin de montrer tous les détails particulier sur une même vue ;
- demie coupe-demie vue : pour les pièces symétriques, on représente une moitié de la pièce en coupe, et l'autre moitié en vue extérieure ;
- section : on représente une fine tranche de la pièce, on ne voit pas ce qui est derrière le plan de coupe ; ce procédé est en général utilisé pour une pièce ayant un profil continu sur une portion (par exemple rainure de clavette sur un arbre) ; la section peut être représentée à côté du dessin — section sortie — ou bien à l'endroit où l'on effectue la section — section rabattue.
Fonctions technologiques
- filetage : voir l'article Tige filetée > Représentation en dessin industriel
- taraudage : voir l'article Trou taraudé > Représentation en dessin industriel
- engrenages et cannelures.
Cotation
Les principes généraux de la cotation sont définis par la norme ISO 129-1
Techniques de dessin
Le dessin technique se pratique sur des tables munies d'un pantographe : ce dispositif maintient deux règles (disposées à angle droit) dans une direction constante, ce qui aide à la construction des parallèles (correspondance des vues). Sur certaines tables, on peut modifier l'orientation de cette équerre à l'aide d'un vernier, pour l'exécution des hachures par exemple.
Il existe de nombreux logiciels de dessin assisté par ordinateur (DAO) orientés construction mécanique, métallique ou architecture, comme Allplan, ArchiCAD, AutoCAD, GstarCAD, Cadkey, Cadwork, etc. Par ailleurs CATIA développé par Dassault Systèmes, est un logiciel pour la conception en 3D et en 2D. Outre l'aide à la gestion informatique (archivage), ils proposent un ensemble d'outils graphiques et des bibliothèques de composants normalisés (vis, roulements…) ou de constructeurs spécifiques (vérins, organes de construction…) permettant un réel gain de temps. L'utilisation de ces logiciels nécessite cependant la connaissance des règles du dessin technique puisqu'ici la souris remplace simplement le crayon, un trait restant un trait.
Les logiciels de conception assistée par ordinateur (CAO) ont ouvert une porte vers la conception intégrée : CATIA, SolidWorks, Autodesk Inventor, Solid Edge, PTC Creo, TopSolid etc. Aussi orientés « métier », ils permettent la création d'objets par assemblage virtuel de 'fonctions' volumiques élémentaires (cylindre, parallélépipède…) ou technologiques (perçages, nervures, plis de tôle…). Ils sont souvent associés à des logiciels annexes permettant la simulation de fonctionnement (TellWATCH étant la référence horlogère), les calculs par éléments finis (qui permettent de déterminer les endroits de « fatigue » des différentes pièces), les calculs de vérification de comportement ou l'édition d'une image de synthèse en rendu réaliste. L'édition du plan est alors automatique, et les dernières versions permettent déjà, pour des pièces parfois complexes, un plan ne nécessitant aucune retouche.
Notes et références
- ↑ (en) William Ivins, Jr., Prints and Visual Communications, MIT Press, , 288 p. (ISBN 0262590026), p. 2
- ↑ (en) Eugene S. Ferguson, Engineering and the Mind's Eye, MIT press, .
- ↑ Cf. Joël Sakarovitch, Épures d’architecture. De la coupe des pierres à la géométrie descriptive XVIe – XIXe siècles [détail des éditions].
- ↑ J. Sakarovitch, Leçons de mathématiques données à l’École normale de l’an III, Dunod, , « La coupe des pierres et la géométrie descriptive », p. 531-532.
- ↑ Voir à ce sujet l'anecdote rapportée par Théodore Olivier, Applications de la géométrie descriptive aux ombres et à la perspective, Paris, Carilian-Gœury et Vve Dalmont, , « Préface » sur les élèves-artilleurs à Mézières.
- 1 2 (en) Mervyn Romans, Histories of Art and Design Education: Collected Essays, University of Chicago Press, , 224 p. (ISBN 184150131X), p. 229.
- ↑ (en) Maurice Rickards et Michael Twyman, The Encyclopedia of Ephemera : A Guide to the Fragmentary Documents of Everyday Life for the Collector, Curator, and Historian., Routledge, , 415 p. (ISBN 0415926483), p. 127
- ↑ ISO 7200:2004 « Documentation technique de produits — Champs de données dans les cartouches d'inscription et têtes de documents », sur iso.org, ISO, (consulté le ), p. 7.
Voir aussi
Bibliographie
- André Chevalier, Guide du dessinateur industriel : pour maîtriser la communication technique, Hachette, , 336 p. (ISBN 978-2-01-168831-6)
- Jean-Louis Fanchon, Guide des sciences et technologies industrielles : dessin industriel et graphes, matériaux, éléments de construction ou de machines…, La Plaine-Saint-Denis/Paris, Afnor/Nathan, , 623 p. (ISBN 978-2-09-161590-5 et 978-2-12-494183-4), p. 5-118
Articles connexes
Liens externes
- Ressource relative à la recherche :
- Portail du génie mécanique
- Portail de la production industrielle