Kirkham-Williams Racer
| Constructeur |
|
|---|---|
| Type | Racer |
| Premier vol | 1927 |
| Nombre construit | 1 |
| Moteur |
Packard X-2775 24 cylindres en X |
|---|---|
| Puissance | 1 250 ch |
| Envergure | 9,09 m |
|---|---|
| Longueur | 8,92 m |
| Surface alaire | 20,16 m2 |
| Nombre de places | 1 |
| Vitesse maximale (VNE) | 519,2 km/h |
|---|
Le Kirkham-Williams Racer ou Kirkham-Williams X est un hydravion de course des années 1920 fabriqué aux États-Unis pour participer à la Coupe Schneider de 1927.
Historique du projet
Le projet naquit en 1927 de l'initiative privée du lieutenant Alford J. Williams (US Navy) et du fabricant de moteur Kirkham avec le soutien de Packard Motors. Fabriqué dans les ateliers de Charles B. Kirkham à la Kirkham Products Company (Société de Long Island, qui fabriquait des moteurs d'avion ) l'avion était destiné à participer à la Coupe Schneider de 1927 qui devait se tenir à Venise[1].
Les autorités militaires américaines n'avaient pas enregistré l'avion avec les équipes officielles, néanmoins l'US Navy offrit le transport gratuit au racer Kirkham-Williams qui fut achevée peu avant l'annonce de la date de la course[1].
Conception et développement
Le Kirkham-Williams était un biplan à structure en bois recouvert de contre-plaqué. Seul le capot moteur était en duralumin[2]. Le fuselage donnait sur un poste de pilotage ouvert situé immédiatement à la sortie de l'aile, derrière le bord d'attaque.

Les ailes étaient rectangulaires avec des bords arrondis. Les ailes étaient raccordées aux surfaces supérieure et inférieure du fuselage et reliés entre elles dans la partie extérieure par une entretoise et des tirants en câble d'acier. Les ailes inférieures et supérieures, de taille sensiblement différentes, étaient disposés l'une au-dessus de l'autre. La partie supérieure étant plus grande en longueur et en largeur. L'empennage de queue de type classique était maintenu par des câbles d'acier en haut et en bas. L'élévateur monoplan était fixé au niveau de l'axe central du fuselage avec la dérive et s'étendait au-dessous de la queue.
Dans la configuration hydravion prévue pour la Coupe Schneider, le Kirkham-Williams était équipé de deux flotteurs reliés au fuselage par des entretoises et maintenus par des câbles en acier aux deux plans d'aile.
Dans sa configuration « terrestre » il était équipé d'un train d'atterrissage de type classique monté sur une structure tubulaire au niveau de la partie inférieure du fuselage avec les roues reliées par un essieu rigide. Dans la queue était disposé un sabot d'appui. Dans cette configuration terrestre, la dérive ne se prolongeait pas au-dessous de la borne de queue afin de ne pas toucher le sol.
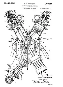
Le moteur Packard X-2775[3] était né de la « fusion » de deux moteurs V12 Packard 1A-1500 de 625 ch chacun disposés en position inversée l'un sur l'autre et reliés par un seul vilebrequin. Les deux moteurs étaient montés dans un carter commun et formaient un impressionnant moteur 24 cylindres à quatre rangées de cylindres en X, d'où la désignation du modèle. Ce moteur était, à ce moment-là, l'un des moteurs les plus puissants jamais construit avec 1200 [3] à 1250 ch[2]. Ce moteur sera réutilisé, et toujours sans succès, sur le Williams Mercury NR1-E pour participer à la Coupe Schneider de 1929.

Historique opérationnel

Arrivant à Venise quelques jours avant la course, le Kirkham-Williams, qui n'était pas assez préparé et n'avait pas fait assez d'essais pour espérer prendre part de manière satisfaisante à la course, dû abandonner[1],[2],[3]. Selon d'autres observateurs des raisons économiques pourraient être à l'origine de l'abandon de l'avion américain[4] alors que d'autres indiquent que l'avion était "en surpoids" lors de la Coupe Schneider et ne put sortir de l'eau.
Après cet échec à la Coupe Schneider, l'avion fut transformé et équipé d'un train d'atterrissage classique. L'avion établira dans cette configuration un record de vitesse mondial non officiel à 519,2 km/h (322,6 m/h), ce qui aurait représenté en son temps, le record de vitesse absolue[2],[4].
Opérateurs

Voir aussi
Développement connexe
Liste connexe
Article connexe
Bibliographie
Références
- 1 2 3 « The Navy's Schneider Cup Racers | U.S. Naval Institute », sur www.usni.org (consulté le )
- 1 2 3 4 (en) Charles A. Mendenhall, The early air racers in 3-views, 1909-1929, and famous European racers of the 30's, Pylon Publications, (ISBN 0916230031)
- 1 2 3 4 « packard | 1927 | 0684 | Flight Archive », sur www.flightglobal.com (consulté le )
- 1 2 « American airplanes: Ka - Ku », sur aerofiles.com (consulté le )
Liens externes
- « Гоночный самолет Kirkham-Williams Racer. США », sur alternathistory.com via Wikiwix (consulté le )
- http://www.letletlet-warplanes.com/2008/06/14/the-schneider-cup-racers/
- (en) « The Flying Boat Forum from www.seawings.co.uk », sur forumlaunch.net (consulté le )
- Maksim Starostin, Kirkham-Williams Mercury, in Virtual Aircraft Museum, http://www.aviastar.org/index2.html.
- Portail de l’aéronautique