Moteur à combustion et explosion

Un moteur à combustion et explosion, couramment abrégé en moteur à explosion[a] est un moteur à combustion interne à pistons alternatifs ou rotatifs, à allumage commandé ou non, dans lequel le front de flamme a une vitesse habituellement inférieure à celle du son.

Photographie d'un moteur W16 de Bugatti.
Le W16 est un moteur à combustion de 16 cylindres répartis sur deux rangées.

Le premier moteur à combustion à un cylindre a été réalisé par Eugenio Barsanti et Felice Matteucci en 1854. Le premier moteur à combustion à deux temps est breveté et réalisé par Étienne Lenoir en 1860[1]. Le principe du moteur à combustion à quatre temps est inventé par Beau de Rochas en 1862 et développé industriellement par Nikolaus Otto à la fin des années 1870. Suivent les perfectionnements de Gottlieb Daimler et Wilhelm Maybach[2], puis les inventions du moteur à boule chaude (1891) et du moteur Diesel (1892)[3].

Ce type de moteur est très largement utilisé pour la propulsion des véhicules de transport (automobiles, motos, poids lourds, bateaux, avions légers, etc.), pour de nombreux outils mobiles (tronçonneuses, tondeuses à gazon, etc.) et pour de nombreuses installations fixes (groupes électrogènes, pompes, etc.)[4].

Principes généraux

Un moteur à combustion interne et explosion est un moteur thermique qui transforme en mouvement rotatif l'énergie qui lui est fournie par la combustion rapide d'un mélange généralement constitué d'air et d'un carburant (essence, fioul, alcool, gaz, hydrogène, etc.). Cette combustion se fait à l'intérieur du moteur, d'où le nom de « moteur à combustion interne », et de façon très rapide, d'où le nom, parfois jugé impropre[b], d'« explosion ».

Le mouvement des pistons (gris) dans les cylindres (bleus) fait tourner le vilebrequin (rouge) par l'intermédiaire des bielles reliant les pistons au vilebrequin.

Un tel moteur comporte très généralement un ou plusieurs pistons ayant chacun un mouvement alternatif rectiligne à l'intérieur d'un cylindre fermé à son extrémité supérieure par une culasse[c]. Un système d'alimentation, comprenant généralement un carburateur ou un injecteur, apporte le carburant ou le mélange air/carburant dans la partie haute du cylindre. Comprimé par le piston, ce mélange s'enflamme et sa combustion rapide crée une forte pression, qui repousse le piston vers le bas du cylindre[5]. Ce mouvement rectiligne est transformé en mouvement circulaire par un système mécanique, l'embiellage, constitué d'un axe doté de manivelles, le vilebrequin, et d'une ou plusieurs bielles le reliant aux pistons[d].

Il existe de très nombreuses variantes de moteurs à explosion, qui, tout en utilisant les mêmes principes de base, peuvent présenter des différences notables, notamment relatives aux choix techniques suivants[6] :

  • allumage commandé ou non[7] : un moteur à explosion doté d'un système dédié à déclencher la combustion de son carburant sera dit "à allumage commandé". Dans ces moteurs, souvent qualifiés de moteurs à essence[e], le système d'allumage est généralement constitué d'un générateur électrique et d'une ou plusieurs bougies qui, en créant une étincelle à l'intérieur du cylindre, provoquent le début de la combustion du mélange air/carburant comprimé par le piston. Dans un moteur dépourvu d'un tel système, le mélange air/carburant s'enflamme spontanément sous la seule influence de la pression qui lui est appliquée : ce type de moteur est souvent qualifié de moteur diesel, du nom de l'inventeur de ce procédé.
  • cycle moteur à deux ou quatre temps[7] : dans un moteur à deux temps, la combustion du mélange a lieu à chaque mouvement descendant du piston. Dans un moteur à quatre temps, il n'a lieu que lors d'une descente sur deux ;
  • nombre, forme et disposition des cylindres et des pistons.
  • existence ou non, forme et nombre des soupapes contrôlant l'admission du mélange air/carburant et l'expulsion des gaz d'échappement.

Les choix retenus pas les concepteurs de moteurs à explosion dépendent de plusieurs facteurs : état de la technologie au moment de la conception, contraintes physiques (poids, dimensions linéaires, volume), performances recherchées (puissance pour la vitesse de pointe, couple pour l'accélération), nature du carburant utilisé, conformité avec les réglementations, notamment celles relatives à l'environnement, etc.

Moteur à quatre temps à allumage commandé

Il s'agit des moteurs à explosion dont le cycle de fonctionnement comporte quatre temps et dans lesquels la combustion est déclenchée par une source d'énergie externe fournie par un système d'allumage et se matérialisant généralement par une étincelle produite par une bougie.

Avec soupapes

Coupe d'un moteur à quatre temps à soupapes : les deux soupapes sont visibles au-dessus du cylindre, avec la bougie entre elles. L'échappement se fait côté gauche, l'admission côté droit.

Chaque cylindre est fermé par une culasse munie d'au moins deux soupapes : la première, la soupape d'admission, permet l'alimentation en mélange air/carburant du cylindre par le collecteur d'admission ; la deuxième, la soupape d'échappement, permet l'évacuation des gaz brûlés vers le collecteur d'échappement. Le principe de ces moteurs a été défini et breveté en 1862 par l'inventeur français Alphonse Beau de Rochas, considéré comme l'inventeur du moteur à quatre temps, et dont les travaux sont à la base de ce que les thermodynamiciens et les concepteurs de moteurs appellent le cycle de Beau de Rochas[8]. L'ingénieur allemand Nikolaus Otto a été le premier à fabriquer de tels moteurs de façon industrielle à partir de 1877[2].

Cycle à quatre temps à allumage commandé : 1 : admission, 2 : compression, 3 : combustion, 4 : échappement.

Le cycle de fonctionnement se décompose en quatre temps ou phases. Le mouvement du piston est initié par la combustion rapide du mélange de carburant et d'air (comburant) qui a lieu durant le temps moteur. C'est le seul temps avec un bilan de transformation d'énergie positif : les trois autres temps utilisent l'énergie ainsi transformée mais le bilan total est positif ce qui rend le fonctionnement cyclique possible.

Les phases successives du cycle d'un tel moteur sont les suivantes[8] :

  1. Admission d'un mélange d'air et de carburant pulvérisé, préalablement mélangé et préparé par divers composants (carburateur ou système d'injection indirecte) : ouverture de la (des) soupape(s) d'admission et descente du piston, ce dernier aspire ce mélange dans le cylindre à une pression de 100 à 300 mbar (moteur non-suralimentés dits « atmosphériques ») à 2 500 mbar environ pour un moteur suralimenté d'automobile de série (exprimé en pression absolue) ;
  2. Compression du mélange : fermeture de la soupape d'admission, puis remontée du piston qui comprime le mélange jusqu'à 30 bar et 400 à 500 °C dans la chambre de combustion ;
  3. Combustion[f] et détente aux environs du point mort haut (PMH) : moment auquel le piston atteint son point culminant et auquel la compression est au maximum ; la bougie d'allumage, connectée à un système d'allumage haute tension, produit une étincelle quelques degrés avant le PMH ; la combustion initiée qui s'ensuit constitue le temps moteur ; les gaz chauds à une pression de 40 à 60 bar repoussent le piston, initiant le mouvement ;
  4. Échappement : ouverture de la (ou des) soupape(s) d'échappement et remontée du piston qui chasse les gaz brûlés détendus dans le collecteur d'échappement.

Sans soupapes

Moteur à piston rotatif ou moteur Wankel

Cycle du moteur Wankel à piston rotatif.

Le moteur Wankel est un moteur à piston rotatif fonctionnant selon le cycle de Beau de Rochas, dans lequel un piston « triangulaire » convertit l'énergie issue de la combustion du carburant en une énergie mécanique de rotation[9]. Ce moteur comporte beaucoup moins de pièces mobiles et génère moins de vibrations qu'un moteur d'architecture classique. Il est également plus compact et plus léger. En revanche il présente certaines difficultés de fabrication (étanchéité, formes de certaines pièces, fortes températures de fonctionnement, etc.) et, s'il n'est pas turbocompressé, a un rendement médiocre. Ce type de moteur fut utilisé à partir du début des années 1960 sur certains modèles d'automobiles, notamment par les marques NSU[g], Citroën[h] et surtout Mazda[i]. Quasiment abandonné par le secteur automobile dans les années 2000, il est parfois considéré comme solution d'avenir comme moteur thermique dans les véhicules automobiles hybrides[10].

Moteur à chemises louvoyantes

Chemise louvoyante d'un moteur d'aéronef Bristol.

Dès le début des années 1900, une variante des moteurs à quatre temps est conçue et brevetée l'américain Knight, puis améliorée par Burt et McCollum[11] : dans ces moteurs, les soupapes sont remplacées par des chemises mobiles, dites « louvoyantes », découvrant des lumières[j]. Des moteurs de forte puissance de ce type ont été conçus et fabriqués pour l'aviation durant la Seconde Guerre Mondiale. Ils ont notamment équipé les avions Hawker Typhoon et Hawker Tempest[12], puis, après guerre, les Bristol Hercules ou encore Noratlas et Breguet 890 Mercure[13].

Moteur à quatre temps à allumage par compression

Le moteur à allumage par compression à quatre temps est également appelé moteur diesel ou Diesel[3], du nom de son inventeur, l'ingénieur allemand Rudolf Diesel qui le breveta en 1892. Comme le moteur à quatre temps à allumage commandé, il est constitué de pistons coulissant dans des cylindres fermés par une culasse équipée de soupapes commandées par un ou plusieurs arbres à cames. Mais il suit un cycle thermodynamique différent, qualifié de cycle Diesel, et son fonctionnement repose sur l'auto-inflammation du carburant (gazole, fioul lourd ou huile végétale) dans la chambre de combustion[14]. Sitôt le carburant injecté (pulvérisé) dans l'air comprimé, celui-ci s'enflamme presque instantanément, sans qu'il soit nécessaire de recourir à un allumage commandé par bougie[k]. Sur les anciens moteurs Diesel la pression d'injection était de 130 à 200 bar alors que dans les Diesel modernes « common rail » elle peut atteindre 2 000 bar, ce qui favorise une combustion plus complète et moins polluante.

Animation du fonctionnement d'un cylindre de moteur Diesel.

Les quatre phases du cycle Diesel à quatre temps sont[14] :

  1. Admission d'air par l'ouverture de la (des) soupape(s) d'admission et la descente du piston ;
  2. Compression de l'air par remontée du piston, la (les) soupape(s) d'admission étant fermée(s) ;
  3. Injection — combustion — détente : peu avant le point mort haut, on introduit, par un injecteur haute pression le carburant pour former un mélange instable avec l'oxygène de l'air comprimé. La combustion rapide qui s'ensuit constitue le temps moteur, les gaz chauds en expansion rapide repoussent le piston, libérant une partie de leur énergie ;
  4. Échappement des gaz brûlés par l'ouverture de la (des) soupape(s) d'échappement, poussés par la remontée du piston.

Ce type de moteur, initialement réservé aux machines lourdes, équipe une très grande partie des véhicules terrestres modernes (automobiles, autocars, camions, engins de chantiers, locomotives non électriques) ainsi que certains bateaux de transport. Il est également encore fréquemment utilisé dans des installations fixes (groupes électrogènes, pompes, etc.).

Moteur à deux temps à allumage commandé

Historique

Le premier moteur à deux temps fut imaginé et réalisé par Étienne Lenoir en 1859. Il utilisait un gaz d'éclairage. Il fonctionne selon le cycle de Lenoir. Dans sa version économique dotée d'un simple carburateur, son rendement est plus faible et il est plus polluant, mais d'une puissance et d'un couple nettement plus élevés (60 à 70 %) qu'un moteur à quatre temps de la même cylindrée au même régime ; il est demeuré longtemps et reste encore le moteur exclusif et performant des cyclomoteurs et de quelques motos sportives répliques de motos de compétition en GP et tout-terrain. Depuis 1990, on s'intéresse de nouveau aux moteurs à deux temps pour l'automobile mais en injection directe pneumatique[15], solution de plus en plus utilisée de nos jours sur les deux-roues de petite cylindrée et qui répond aux normes anti-pollution Euro 3.

Technique

Animation du cycle à deux temps :
1) admission, compression et explosion,
2) détente, transfert et échappement.

Les moteurs « deux temps » respectent le cycle de Beau de Rochas en utilisant les deux côtés du piston : la partie supérieure pour les phases de compression et de combustion et la partie inférieure pour assurer le transfert des gaz d'admission (et par voie de conséquence, d'échappement). Ils épargnent ainsi les mouvements (donc latence, frottements, etc.) de deux cycles non producteurs d'énergie et produisent davantage de couple et de puissance. Entre les deux systèmes de balayage existant pour les moteurs à deux temps (le système Schnürle – en anglais : Schuerle porting – ou en boucle et l'écoulement à sens unique appelé uniflux ou « équicourant »), des recherches récentes ont montré que le système à boucle est toujours meilleur que le système uniflux (ou équicourant).

La puissance théorique d'un moteur à deux temps est le double de celle d'un moteur à quatre temps, mais le fait de supprimer deux temps crée des difficultés car il faut expulser les gaz brûlés avant d'admettre l'air et cela dans un temps très court[l]. On doit effectuer simultanément l'échappement et l'admission au voisinage du PMB (point mort bas) avec le secours obligatoire d'une pression d'air supérieure à la pression atmosphérique fournie soit par une pompe de balayage attelée (alternative ou rotative), soit par une turbo-soufflante. 30 à 40 % de l'énergie créée par la course motrice est absorbée par les pompes de balayage attelées ; d'où l'utilisation des turbo-soufflantes (TS) qui utilisent l'énergie des gaz d'échappement, ce qui améliore le rendement global.

Moteur à deux temps à allumage par compression

Ce type de moteur est un moteur Diesel, donc à allumage par compression, fonctionnant selon un cycle à deux temps.

Moteur d'avion Jumo205 : Diesel à deux temps à six cylindres et douze pistons en opposition.

Il a été utilisé sur certains avions à partir de la fin des années 1920, par exemple dans les moteurs Junkers Jumo 205, Napier Nomad ou certains des moteurs conçus par Pierre Clerget. Les constructeurs de ce type de moteur mettaient en avant le faible risque d'incendie, le carburant (du fioul) ne pouvant s'enflammer s'il n'était pas compressé, et une augmentation de l'autonomie par rapport aux moteurs à essence de l'époque. Plusieurs constructeurs en ont fabriqués ou annoncés dans les années 1990 et suivantes pour des aéronefs[m], comme le britannique Wilksch[16], ou des automobiles, comme Renault[17]. Cette technologie est très peu utilisée pour les véhicules terrestres ou aériens. Elle est en revanche utilisée pour des installations fixes et pour la motorisation de navires de fort tonnage. Ainsi, par exemple, le moteur Wärtsilä RTA96C, réputé être parmi les plus gros moteurs à pistons jamais construits, équipe des navires de transport de fort tonnage, comme l'Emma Maersk[18]. Ce moteur à quatorze cylindres pour une cylindrée totale de 25 480 L produit une puissance de 80 080 kW et un couple de 7 000 000 Nm en fonctionnant à seulement 120 tr/min.

Carburants

Tout moteur à explosion utilise un carburant susceptible de provoquer une combustion rapide lorsqu'il est combiné avec l'oxygène présent dans l'air. Ce rapport de mélange est idéal pour des proportions de 1 gramme de carburant (essence ou diesel) et 14.7 grammes d’air, il est alors appelé mélange stœchiométrique (noté 1 :14.7 ou 1 selon son échelle de richesse). Cette réaction chimique, réalisée dans certaines conditions[n], dégage une forte quantité d'énergie dont une partie est transformée par le moteur en énergie mécanique. Les premiers moteurs à explosion ont utilisé une large variété de carburants, notamment du charbon pulvérisé ou du gaz de houille. Les carburants actuellement consommés sont essentiellement constitués d'hydrocarbures ou, dans une mesure très limitée, d'hydrogène (H2)[19]. L'hydrogène est stocké et utilisé sous forme compressée, tous les autres le sont sous forme liquide.

Les carburants à base d'hydrocarbures sont très généralement issus du pétrole et du gaz naturel, ressources fossiles non renouvelables. Ils peuvent également être constitués de produits issus de la biomasse (éthanol, huile, graisse, etc.) : ils sont alors appelés "biocarburants". Ils peuvent aussi être obtenus en mélangeant hydrocarbures d'origine fossile et biocarburants. Il existe de nombreuses variétés de carburants qui se différencient notamment par leur densité énergétique et leur capacité à résister à la compression avant auto allumage.

Le tableau ci-dessous donne quelques exemples des caractéristiques de certains carburants actuels[19].

Carburant Type Utilisation Renouvelable Densité énergétique spécifique (MJ/kg) Densité énergétique volumétrique (MJ/L)
Essence Liquide Automobile, aviation Non 44-48 32-35
Fioul ou gazole Liquide Automobile, poids lourd (camions, bus, cars), locomotives, machines fixes, navires Non 48 40
Gaz liquéfié (GNL/GPL) Liquide Automobile, poids lourd (camions, bus, cars) Non 38-50 25-29
Biogazole Liquide Automobile Oui 38 33-36
Huile (tournesol, ricin, olive) Liquide Véhicules lourds, locomotives, machines fixes, navires Oui 39 33
Hydrogène comprimé Gazeux Automobile, poids lourd (camions, bus, cars) Oui (si produit par électrolyse de l'eau) 120 5

Tous ces carburants, à l'exception de l'hydrogène, contiennent du carbone : leur combustion produit donc des oxydes de carbone qui ont des effets néfastes sur la santé humaine (CO) et la qualité de l'atmosphère (CO2)[o].

La combustion de l'hydrogène ne produit, elle, que de l'eau. Mais ce carburant n'est pas disponible naturellement : il faut le produire par reformage d'hydrocarbures ou par électrolyse de l'eau, procédés fortement consommateurs d'énergie généralement d'origine carbonée[20]. Seule l'électrolyse de l'eau peut être considérée comme une filière de production décarbonée si l'électricité utilisée est d'origine solaire, éolienne, hydraulique ou nucléaire.

Certains moteurs peuvent également utiliser des mélanges spéciaux, tels que le moteur d'avion Daimler-Benz DB 603, installé dans le véhicule de records de vitesse Mercedes-Benz T80 en 1939 et qui utilisait un mélange d'alcool méthylique (63 %), de benzène (16 %), d'éthanol (12 %), d'acétone (4,4 %), de nitrobenzène (2,2 %), d'Avgas (2 %) et d'éther (0,4 %).

Le bois, le charbon et autres combustibles solides sont utilisés pour des moteurs à combustion externe (machine à vapeur).

Systèmes fonctionnels complémentaires

Un moteur à explosion doit être complété de plusieurs équipements chargés d'en permettre le fonctionnement et d'en optimiser les performances et la longévité, dont certains des plus importants sont présentés ci-dessous.

Système de démarrage

Pour démarrer un moteur à explosion lorsqu'il est à l'arrêt, il faut une source d'énergie externe qui initie le mouvement des pistons jusqu'à ce qu'au moins l'un d'entre eux soit dans un temps moteur et produise une force capable d'assurer les autres temps avant le prochain temps moteur[p]. Le moteur fonctionne dès lors seul. L'énergie nécessaire au démarrage peut être générée manuellement ou apportée par un dispositif indépendant appelé démarreur.

Démarrage manuel

Ford T de 1908, avec sa manivelle de démarrage visible en bas de la calandre.

Le démarrage manuel est historiquement le premier à avoir été utilisé. Il peut être réalisé de plusieurs façons différentes, générant toutes un couple sur le vilebrequin et entraînant sa rotation :

  • démarrage des véhicules en les poussant ou en pédalant (deux-roues) ;
  • rotation imprimée à la main directement ou par l'intermédiaire d'une manivelle à l'hélice, sur les premiers avions à moteur ;
  • manivelle actionnée à la main, comme sur les automobiles du début du XXe siècle[21] ;
  • kick-starter actionné au pied sur les motos ;
  • lanceur à câble, notamment sur certains outils thermiques de jardinage (tondeuses, tronçonneuses, etc.) et certains moteurs hors-bord.

Démarrage par dispositif annexe

Vue éclatée d'un démarreur électrique pour automobile.

Pour les moteurs plus puissants, et également pour l'agrément des utilisateurs, plusieurs systèmes de démarrage faisant appel à un dispositif annexe ont été inventés :

  • à air comprimé : l'air contenu dans un réservoir sous pression active un moteur pneumatique qui entraîne le moteur thermique jusqu'à ce que celui-ci démarre.
  • à explosif : un petit réservoir contenant un mélange explosif est connecté à la chambre de combustion d'un cylindre. Le mélange est mis à feu et provoque la pression nécessaire à mettre le piston en mouvement.
  • électrique : un moteur électrique (démarreur), généralement alimenté par une batterie, est connecté, durant la seule période de démarrage, au vilebrequin qu'il met en mouvement. Ce dispositif, inventé en 1908 par l'américain Charles Kettering et proposé commercialement pour la première fois en 1912 par la marque Cadillac[21], est très largement utilisé dans les véhicules terrestres à moteur à explosion.

Système d'alimentation

Un moteur à explosion doit être alimenté de façon contrôlée et réglable en mélange d'air et de carburant. C'est le rôle du système d'alimentation, dont il existe deux grandes familles : les systèmes à carburateur et ceux à injection de carburant[22].

Alimentation en carburant et air par carburateur

Schéma de principe d'un carburateur (coupe).

C'est la solution équipant historiquement les moteurs à allumage contrôlé à deux comme à quatre temps[4]. Le carburateur est un organe mécanique qui assure en son sein le mélange air/carburant qui est ensuite aspiré par le moteur lorsque la soupape (ou la lumière) d'admission s'ouvre. Il est généralement constitué notamment d'une ou deux cuves, d'un gicleur pulvérisant l'essence et d'un papillon orientable réglant l'arrivée d'air. Il est alimenté d'une part en carburant par une pompe et une tuyauterie le reliant au réservoir et d'autre part en air par une tuyauterie lui transmettant l'air ambiant filtré. Le carburateur est actionné par l'accélérateur, ce qui règle la quantité de mélange, donc d'énergie, fournie au moteur. Il est très souvent également équipé d'un système, appelé starter, destiné à faciliter le démarrage et le fonctionnement du moteur tant que celui-ci n'a pas atteint sa température optimale de fonctionnement. Selon les configurations choisies par le concepteur d'un moteur un même carburateur peut alimenter plusieurs cylindres, ou, au contraire, chaque cylindre peut avoir son propre carburateur. Il existe une très grande variété de carburateurs, et de nombreux industriels européens, américains et asiatiques en ont fabriqué et en produisent encore.

Alimentation en carburant par injection

Injection directe mécanique (principe de fonctionnement).

C'est la solution équipant depuis leur invention les moteurs Diesel[23]. Dans un moteur Diesel, contrairement à un moteur à allumage commandé, seul l'air est admis dans la chambre de combustion en phase d'admission. Le carburant pulvérisé est injecté uniquement lorsque le piston a déjà fortement comprimé l'air préalablement admis : la température atteinte par l'air comprimé est alors suffisamment forte pour que le mélange air/carburant s'enflamme quasi instantanément. Un moteur Diesel a donc deux circuits d'alimentation : un pour l'air et l'autre pour le carburant, qui débouchent généralement en haut du cylindre, très proche l'un de l'autre. La méthode de création de pression pour injecter le carburant a évolué au cours du temps : initialement basée sur des systèmes à air comprimé, elle est remplacée ensuite par des dispositifs mécaniques, notamment celui inventé par Robert Bosch dans les années 1920, puis à contrôle électronique qui rendent possible la réalisation de petits moteurs Diesel adaptés notamment aux automobiles.

L'injection a aussi été utilisée, de façon limitée, dès le début du XXe siècle sur des moteurs à allumage commandé équipant des machines fixes, puis des avions, notamment certains construits par les frères Wright. C'est à partir de la Seconde Guerre Mondiale que l'injection commence à être plus largement utilisée pour augmenter les performances des moteurs d'avions puis d'automobiles de course, profitant des innovations de sociétés comme Bosch, Lucas et Bendix[24]. Des systèmes d'injection à commande électronique apparaissent à partir de la fin des années 1960 : ils permettent, à un coût limité, à la fois des gains de performances et une limitation des émissions de polluants, rendue nécessaire par les réglementations de plus en plus contraignantes en la matière[25]. Depuis cette époque, de très nombreux modèles automobiles de grande série avec moteurs à essence sont équipés d'injection.

Alimentation en air par compresseur

Un façon d'augmenter la puissance d'un moteur sans augmenter sa cylindrée est de lui fournir plus de mélange air/carburant à consommer[q]. L'injection joue ce rôle pour l'apport de carburant. Pour augmenter la quantité d'air fournie, on utilise généralement un compresseur, dont il existe deux grandes variantes[26] : les compresseurs mécaniques et les turbocompresseurs[r].

Le compresseur mécanique est un organe mécanique animé par le vilebrequin et la distribution du moteur ou par un moteur électrique, qui crée une pression sur l'air, lequel est ensuite injecté dans le carburateur ou dans la chambre de combustion. Il en existe de plusieurs natures : à pistons, à engrenages, à compression axiale, à compression centrifuge, etc.

Un turbocompresseur est réalisé par le couplage d'un compresseur mécanique et d'une turbine : le compresseur mécanique, au lieu d'être animé par le système de distribution du moteur, l'est par une turbine utilisant comme source d'énergie les gaz d'échappement produits par le moteur.

Système de distribution

Arbre à deux cames activant deux soupapes (principe de fonctionnement).

Constitué de diverses pièces mécaniques, notamment d'engrenages, de chaînes et de courroies, le système de distribution relie le vilebrequin à différents autres organes qu'il entraîne et, pour certains, synchronise avec les cycles du moteur (soupapes, allumage et injection notamment). Un élément important de ce système est l'arbre à cames : il s'agit d'un organe mécanique constitué d'un axe portant des cames. Il est destiné à transformer un mouvement de rotation en mouvement rectiligne alterné permettant l'ouverture et la fermeture des soupapes à un moment précis du cycle du piston. Les premiers moteurs utilisant cette technologie avaient un seul arbre à cames situé en bas des cylindres : il activait directement les soupapes des moteurs à soupapes latérales; et il agissait sur les tiges de culbuteurs des moteurs culbutés. Dans des dispositions plus modernes, l'arbre à cames et les soupapes sont situés en haut des cylindres : l'arbre, qualifié d'arbre à cames en tête, agit directement sur les soupapes. Les moteurs multicylindres, notamment ceux disposés en V, sont souvent dotés de deux arbres à cames en tête[s].

Système d'allumage

Dans les moteurs à allumage commandé, ce système amorce la combustion du mélange à un moment précis du cycle du piston intervenant juste avant l'arrivée du piston au point mort haut précédant la phase de combustion. L'allumage est généralement électrique : il produit un arc électrique à l'extrémité d'une bougie d'allumage située à l'intérieur de la chambre de combustion[27]. Les systèmes d'allumage se répartissent en deux grandes familles : allumage à magnéto et allumage à batterie.

Allumage à magnéto

C'est le plus ancien des systèmes d'allumage électrique[28]. Il ne nécessite pas de source d'énergie extérieure car c'est la rotation du moteur qui génère de l'électricité par l'intermédiaire d'une magnéto d'allumage, activée par le système de distribution. La magnéto est un organe électromécanique qui transforme une rotation en électricité. Elle assure plusieurs des fonctions nécessaires à l'allumage : génération d'un courant à basse tension, élévation à une haute tension (de l'ordre de 10 000 V au moins) et alimentation d'un autre organe électromécanique rotatif, l'allumeur[t], aussi appelé distributeur lorsqu'il est connecté à plusieurs bougies. Celui-ci fournit de façon séquentielle aux bougies les impulsions électriques nécessaires pour créer les étincelles d'allumage.

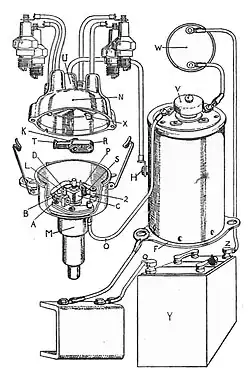
Allumage électromécanique par batterie pour moteur à quatre cylindres (1928) : batterie (Y), interrupteur (W), bobine (F), distributeur mécanique (A à U).

L'allumage par magnéto est encore utilisé sur des machines ne disposant pas de batteries, comme les tondeuses thermiques, les cyclomoteurs, certains moteurs hors-bord, ainsi que sur des avions équipés de moteurs à pistons.

Allumage à batterie

L'allumage à batterie utilise le courant de faible tension fourni par une batterie pour alimenter une bobine d'allumage qui assure le passage de basse en haute tension[u] et l'alimentation de l'allumeur. Deux variantes d'implémentation existent[29] :

  • système électromécanique : le distributeur est un organe électromécanique dont, comme dans les allumages à magnéto, la rotation est créée par le système de distribution du moteur ;
  • système électronique : les commandes et réglages de l'allumage sont gérées, en tout ou partie, par un système électronique. Cette configuration est une évolution des versions électromécaniques, dont il corrige certains défauts ou limitations, notamment fragilité des rupteurs du distributeur rotatif et avance à l'allumage fixe. Elle permet en outre un meilleur rendement du moteur[22] .Trois générations successives ont été conçues : rupteurs commandés par un transistor, puis suppression des rupteurs et allumage par effet Hall, enfin pilotage cartographique complet de l'allumage[v].

Un interrupteur est généralement interposé entre la batterie et la bobine pour « mettre le contact »[w]. Dans les machines dotées d'un démarreur électrique, cet interrupteur sert souvent aussi à l'activer.

Système de lubrification

Un moteur comporte de nombreuses pièces métalliques en mouvement, notamment les pistons dans les cylindres, qui doivent être lubrifiées pour limiter les pertes d'énergie, l'échauffement et l'usure liés à la friction entre pièces mobiles et fixes. Cette lubrification est généralement assurée par de l'huile. Dans la plupart des moteurs, un circuit fermé d'huile assure la lubrification automatique et continue des organes autres que les pistons. Ce même circuit sert à la lubrification des pistons des moteurs à quatre temps et des moteurs Diesel. Dans les moteurs deux temps autres que Diesel, la lubrification des pistons est assurée par de l'huile mélangée au carburant et brûlée en même temps que celui-ci[30]. L'huile ayant parcouru le circuit de lubrification se charge de particules métalliques et se dégrade progressivement sous l'effet de la chaleur qu'elle a absorbée[x] : il faut donc la changer régulièrement en effectuant une vidange. Les constructeurs de moteurs fournissent généralement des recommandations concernant la nature de l'huile à utiliser et les intervalles à respecter entre vidanges selon la nature de l'engin motorisé concerné et son usage[31].

Système de refroidissement

Lors des combustions répétées du mélange air/carburant, une partie importante de l'énergie produite se transforme en chaleur qui échauffe les pièces en contact avec la chambre de combustion (piston, cylindre, soupape, bougie, etc.) puis, par conduction, l'ensemble des pièces du moteur. Or la température du moteur doit, pour qu'il soit fonctionnel et pour assurer durablement son fonctionnement, rester inférieure à certaines limites : c'est le rôle du système de refroidissement[32]. Deux familles de solutions sont utilisées[33] : refroidissement par air et refroidissement par liquide[y].

Refroidissement par air

Moteur à refroidissement par air (Harley-Davidson, années 1920).

Le principe est d'utiliser le vent apparent pour refroidir le moteur d'un véhicule en mouvement[34] : en passant autour du moteur, l'air emporte une partie de la chaleur dégagée par celui-ci. Pour améliorer l'efficacité de ce système, les cylindres du moteur sont généralement équipés d'ailettes qui augmentent la surface d'échange de la chaleur avec l'air. L'adjonction d'un ventilateur peut également améliorer le refroidissement.

Le refroidissement à air est utilisé par l'industrie automobile depuis les premiers véhicules à moteur thermique. Il a longtemps été la référence pour les moteurs de motos, et été également largement utilisé pour les automobiles de petite cylindrée. Ce type de refroidissement a notamment été utilisé sur certaines Porsche, la Citroën GS, la 2 CV, la Volkswagen Coccinelle ou la Panhard PL 17. Il est encore très répandu sur les modèles actuels de deux roues motorisés de faible ou moyenne puissance, notamment les cyclomoteurs et les scooters. Le refroidissement par air est aussi très généralement employé pour les moteurs à pistons équipant les avions.

Refroidissement par liquide

Le principe est qu'un liquide de refroidissement, généralement à base d'eau[z], se déplace dans un circuit fermé entourant le moteur. Le liquide circule autour des cylindres et absorbe une partie de leur chaleur. Puis il est refroidi dans un échangeur de chaleur selon deux méthodes différentes[34].

Radiateur moderne, en aluminium.

Dans le refroidissement par air au moyen d'un radiateur, un radiateur est un réservoir en « nid d'abeille » équipé d'un faisceau de conduits courts et étroits et d'ailettes entre lesquels circule l'air et qui a le rôle d'un échangeur de chaleur air/eau. L'air peut être accéléré par un ventilateur placé devant ou derrière lui. Dans les moteurs les plus anciens, la circulation d'eau est assurée par thermosiphon : l'eau chauffée par le moteur monte vers le radiateur, placé en hauteur. Une fois refroidie, elle redescend vers le moteur. Dans les moteurs modernes, on utilise une pompe à eau. Un contrôle permanent de la température vise à maintenir le liquide dans des conditions permettant un refroidissement optimal[aa]. La régulation de cette température est généralement obtenue par une vanne thermostatique située dans le circuit de refroidissement, associée, parfois, à un ou plusieurs ventilateurs pilotés par un thermocontact qui ferme leur circuit d'alimentation électrique (réglé à la température maximale supportable en permanence par le moteur)[35].

Dans le refroidissement par eau : dans les moteurs marins, le radiateur est remplacé par un échangeur de chaleur eau / eau. L'eau extérieure absorbe une partie de la chaleur du liquide de refroidissement ayant traversé le moteur.

Caractérisation

Un moteur à explosion possède de nombreuses caractéristiques le définissant : rendement, puissance, couple, cylindrée totale, nombre de cylindres et de soupapes, mode d'alimentation en air et en carburant, type d'allumage et de distribution, etc.[36]. Les sections suivantes présentent de façon succincte certaines d'entre elles, leurs relations et leurs influences sur les performances du moteur.

Rendement

Le rendement d'un moteur est le rapport entre l'énergie mécanique délivrée et l'énergie thermique contenue dans le carburant consommé. Le cycle thermodynamique et certains paramètres de fonctionnement d'un moteur (taux de compression, température, etc.) donnent son rendement théorique. Le rendement réel du moteur est toujours inférieur à ce maximum théorique[37], notamment du fait des pertes thermiques ou mécaniques (friction), de l'efficacité imparfaite de l'admission et de l'échappement, ainsi que de l'énergie consommée par les équipements nécessaires à son fonctionnement tels que pompes (injection, refroidissement, huile), ou encore système d'allumage. Le rendement maximal pour les moteurs automobiles modernes est de 40 % environ pour les moteurs à allumage[38] et de 45 % pour les moteurs Diesel alors que les plus gros moteurs industriels dépassent 50 %, grâce à la cogénération[réf. nécessaire]. En effet, l'énergie nécessairement perdue suivant le cycle de Carnot peut être récupérée, par exemple pour réchauffer un autre fluide tel que l'eau chaude sanitaire sur les bateaux, améliorant sensiblement le bilan énergétique global de l'installation.

Dans le cas d'un moteur automobile qui fonctionne rarement à forte charge et de manière toujours transitoire, le rendement réel pratique est plus faible. Pour rouler à vitesse stabilisée à 120 km/h, la majorité des voitures n'a guère besoin de plus de 20 kW alors que les moteurs peuvent souvent en fournir deux à huit fois plus, ce qui conduit à un rendement pratique très dégradé. Du fait des pertes complémentaires liées à la transmission (98 % pour la boite manuelle par exemple) , aux périodes d'arrêt moteur au ralenti, le rendement réel pratique d'une voiture ne dépasse guère 12 %[39].

Cylindrée

La cylindrée d'un moteur est le volume total balayé par les pistons durant un cycle moteur. Elle est calculée à partir du diamètre d'un cylindre (l'alésage), de la distance parcourue par un piston (la course) entre son point mort haut (PMH) et son point mort bas (PMB), et enfin du nombre de cylindres constituant le moteur[36] :

avec :

  • Vm : volume de la cylindrée, exprimé en cm3 ;
  • A : alésage, en cm ;
  • C : course, en cm ;
  • N : nombre de cylindres.

La puissance est corrélée positivement à la cylindrée[40] : une augmentation de la cylindrée d'un moteur induit généralement une augmentation de sa puissance[ab].

Puissance

Résultats issus d'un banc de puissance : puissance et couple en fonction du régime moteur.

La puissance d'un moteur est sa capacité à transmettre de l'énergie en fonction du temps. Mesurée en watts (ou kilowatts)[ac], elle est souvent représentée par une courbe de puissance moteur[41]. Toujours supérieure à la puissance réellement disponible aux roues motrices d'un véhicule du fait des pertes dans la transmission, elle augmente avec la cylindrée et la vitesse de rotation du moteur[40],[ab].

Équations notables du calcul de la puissance :

  • puissance (HP) = couple (m kg) × rpm / 716 ;
  • puissance (HP) = couple (m daN) × rpm / 702,83 ;
  • puissance (HP) = couple (lb ft) × rpm / 5 252 ;
  • puissance (HP) = force (kg) × vitesse (km/h) / 273,8 ;
  • puissance (HP) = force (lb) × vitesse (mph) / 77,2 ;
  • puissance (W) = couple (N m) × rpm × π / 30 = couple (N m) × (tr/s) × 2 π

avec :

Couple

Le couple est la capacité du moteur à imprimer, augmenter ou maintenir une rotation au vilebrequin. Dans un véhicule terrestre, le vilebrequin met en mouvement la transmission, qui active les roues motrices[42]. L'unité légale utilisée pour mesurer un couple est le newton mètre (N.m), la littérature employant également parfois le kilogramme-force mètre (kg.m)[ad]. Puissance et couple ne sont pas indépendants : la puissance est le produit du couple par la vitesse de rotation[ae]. Le couple produit par un moteur dépend, en général, de sa vitesse de rotation.

C'est le couple qui permet de faire accélérer un véhicule. Lorsque le couple maximal est atteint à des régimes moteur peu élevés, le véhicule peut accélérer fortement sans avoir à atteindre des régimes élevés : c'est le réglage choisi, par exemple, par les constructeurs de motos "custom" privilégiant l'accélération par rapport à la vitesse de pointe.

La boîte de vitesses, lorsque le véhicule en est équipé, permet d’augmenter le couple sur les roues motrices tout en réduisant le régime moteur et réciproquement, selon l'objectif poursuivi (accélération/économie de carburant).

Taux de compression

Le taux de compression d'un moteur à pistons exprime le rapport entre le volume disponible au point mort bas et celui disponible au point mort haut[36]. Plus il est élevé plus le mélange est comprimé donc plus l'explosion est forte, donc difficile à gérer (cliquetis, choc mécanique, température, etc.) mais plus le rendement du moteur est élevé[43]. Ce taux de compression est typiquement compris entre 7 et 12[af] pour un moteur à allumage commandé, et entre 15 et 22 pour un moteur Diesel[36].

Régime moteur

Indication de la vitesse et du régime moteur sur un Renault FR1.

Le régime moteur, généralement exprimé en tours par minute (tr/min), correspond à la vitesse de rotation du vilebrequin. Le régime moteur maximal est celui qui peut être atteint quand on accélère au maximum et permet d'atteindre la vitesse maximale du véhicule.

Les moteurs utilisés en compétition (automobiles et motos) ont généralement des régimes moteur maximaux très élevés, au détriment de leur longévité. Ainsi, les moteurs de Formule 1 des années 2000, comme le moteur RS26 de Renault en 2006, atteignent 19 500 tr/min, mais doivent être fréquemment révisés, voire remplacés.

À contrario, le régime moteur des poids lourds ne dépasse guère les 3 000 tr/min, ce qui leur permet d'atteindre une très grande longévité. Leurs kilométrages peuvent atteindre le million de kilomètres.

Puissance spécifique

La puissance spécifique exprime la puissance maximale produite en fonction de la cylindrée. Elle est souvent exprimée en la rapportant au litre de cylindrée en kW/L ou en ch/L. Ainsi un moteur de 500 cm3 développant 33 ch a une puissance spécifique de 66 ch/L tandis qu'un 3 000 cm3 développant 120 ch n'en offre que 40. L'augmentation de la puissance spécifique est d'autant plus aisée que la cylindrée unitaire diminue (donc que le nombre de cylindres augmente) puisque la puissance augmente avec le régime. Or, un moteur de forte cylindrée unitaire fonctionnant rapidement développe des moments mettant l'ensemble, en particulier le piston, à rude épreuve, donc diminue sa fiabilité.

Un paramètre dérivé de la puissance spécifique est parfois utilisé : la puissance au litre par 1 000 tr/min (Plm), qui mesure de façon plus précise la performance du moteur. On trouve des moteurs de série procurant des Plm de beaucoup inférieurs à 15 ch (moteur sans suralimentation).

Comparaison des différents moteurs à explosion

Les moteurs à deux ou quatre temps, ainsi qu'à essence ou diesel, présentent des caractéristiques différentes qui, selon les usages visés, peuvent être des avantages ou des inconvénients.

Comparaison deux temps et quatre temps

Un moteur à deux temps est plus léger et contient moins de pièces mécaniques en mouvement qu'un moteur de même configuration à quatre temps. Il est donc plus facile et moins coûteux à fabriquer. Il a aussi, à cylindrée et régime moteur égaux, une puissance théorique double de celle de son homologue à quatre temps[ag]. Mais, en pratique, une partie du carburant et de l'huile transitant dans le moteur deux temps n'est pas brûlée : cette mauvaise combustion limite, sans l'annuler, l'écart de performances avec le moteur quatre temps. En outre, les hydrocarbures imbrûlés rejetés dans l'atmosphère engendrent une pollution supérieure à celle du moteur quatre temps. Ceci a conduit à la quasi-disparition des moteurs à essence deux temps pour les véhicules terrestres, à l'exception de certains modèles de très faible puissance. L'utilisation de l'injection et la limitation de la vitesse de fonctionnement du moteur peuvent limiter l'impact de ces inconvénients, comme par exemple dans les moteurs Diesel deux temps de certains navires de fort tonnage fonctionnant à quelques centaines de tours par minute.

Deux exemples de comparaison des moteurs à essence deux temps (2T) et quatre temps (4T)

Puissance/cylindrée : en 2001, Honda remporte le championnat du monde moto 500 cm3 avec la NSR 500, moto de course avec un moteur 2T de 498 cm3 délivrant 198 ch. En 2002, à la suite d'un changement de réglementation du championnat, Honda engage une RC211V, modèle 4T de 990 cm3 et 220 ch qui, à son tour, remporte le championnat du monde. Entre ces deux modèles, le poids a augmenté de 20 kg et la puissance n'a augmenté que de 11 % alors que la cylindrée a doublé : le rapport puissance/cylindrée du deux temps (396 ch/l) est très supérieur à celui du quatre temps temps (229 ch/l)[ah].

Pollution : une étude de 2007 menée par l'ADEME sur les deux roues motorisés montre qu'un cyclomoteur 2T à carburateur émet deux fois plus de monoxyde de carbone (CO) que son homologue 4T, et cinq fois plus d'hydrocarbures imbrûlés (HC) et d'oxydes d'azote (NOx). L'utilisation de systèmes d'injection et de pots catalytiques sur le moteur 2T élimine cet écart, le 2T émettant même alors moins de CO que le quatre temps[44].

Comparaison essence et Diesel

Un moteur Diesel a une puissance théorique comparable à celle de son homologue à essence, un rendement thermique supérieur, donc des consommations inférieures, et offre la possibilité d'utiliser des carburants moins onéreux. Mais il est plus lourd, pistons et cylindres devant notamment être dimensionnés pour résister à des pressions importantes, ce qui limite également le régime moteur par rapport à celui des moteurs à essence. Ces caractéristiques expliquent pourquoi ce sont des moteurs Diesel, et non essence, qui sont généralement employés pour des machines fixes puissantes, ainsi que pour motoriser locomotives et navires marchands : dans ces cas d'usage, la puissance nécessaire est obtenue par l'augmentation de cylindrée, créant des moteurs lourds et volumineux fonctionnant à bas régime avec une efficacité thermique élevée. L'utilisation importante de moteurs Diesel sur des automobiles est plus récente, Mercedes-Benz en inaugurant la tendance avec la 260 D (1936) : les véhicules Diesel ont représenté jusqu'à trois quarts des ventes en France à la fin des années 2000, cette proportion déclinant rapidement depuis[45]. Une étude de 2020 sur des automobiles récentes permet de comparer automobiles Diesel et essence selon différents critères[46] :

Essence Diesel Écart (%)
Consommation (L/100 km) 6,7 5,2 -22 %
CO2 émis (g/km) 151 136 -10 %
CO émis (mg/km) 434 52[ai] -88 %
NOx émis (mg/km) 20 57[ai] +185 %
PN23 émis (part/km) 1,6 10p11 5,8 10p10 -64 %
HC émis (mg/km) 19 8[ai] -57 %

Ces données montrent que les moteurs Diesel les plus modernes, équipés de pots catalytiques, de filtres à particules et de systèmes dépolluants à l'urée (AdBlue)[aj], ont de meilleurs résultats que les moteurs à essence sur la plupart des critères mesurés, à l'exception notable de l'émission d'oxydes d'azote, composés chimiques contribuant à l'effet de serre et aux pluies acides.

La réputation des moteurs Diesel a, par ailleurs, été altérée depuis le milieu des années 2010 par le dieselgate, série d'événements ayant révélé que plusieurs constructeurs automobiles avaient délibérément usé de méthodes frauduleuses pour permettre à certains de leurs modèles Diesel de réussir les contrôles d'homologation en vigueur à l'époque[47].

Géométrie et cylindres des moteurs

Une caractéristique importante des moteurs à explosion est le nombre et la disposition de leurs cylindres. En plus de 200 ans d'innovation, les industriels ont conçu et utilisé de très nombreuses configurations allant d'un seul à plus de vingt cylindres, ceux-ci étant disposés de façon très variable. Cette variété reflète la volonté d'optimiser les moteurs selon leur utilisation et différents critères : poids (important pour les machines portatives, les avions et les deux roues motorisés), puissance et rendement à faible ou forte charge, capacité à être refroidis par air (avions, motos), volume global, etc. Les sections suivantes donnent quelques exemples de ces configurations et de leurs applications historiques ou contemporaines.

Monocylindre

Les premiers moteurs à explosion sont monocylindres[ak], tel celui breveté en 1807 par le Suisse François Isaac de Rivaz[48], ou le premier moteur à deux temps, imaginé et réalisé par Étienne Lenoir en 1860[49], ou encore le moteur à quatre temps de Nikolaus Otto en 1876.

Cette architecture est la plus simple pour un moteur à explosion, et elle a continûment été utilisée jusqu'à présent. Parmi ses usages contemporains figurent notamment : les deux-roues motorisés de puissance faible (cyclomoteurs, scooters) ou moyenne, équipés de monocylindres généralement de 50 à 500 cm3[al] ; les machines de jardinage (tondeuses, débroussailleuses) ; des machines portatives (pompes, générateurs électriques) ; les petits moteurs pour le modélisme.

Mais elle a certaines limitations qui ont conduit dès la fin du XIXe siècle à lui préférer des configurations multi cylindres pour des moteurs de forte puissance, et tout particulièrement ceux fonctionnant à des régimes élevés[50].

Bicylindre

Les premiers moteurs à deux cylindres, communément appelés bicylindres, apparaissent dès la fin du XIXe siècle, tel le moteur Daimler de 1889[51], qui équipera notamment des automobiles Panhard et Levassor et Peugeot[52]. Les moteurs bicylindres ont continûment été utilisés depuis, notamment sur les motos et, plus rarement, sur des automobiles. Ils sont encore, dans les années 2020, largement présents sur les motos modernes de moyenne à forte cylindrée. Ils peuvent être disposés de différentes manières :

  • en V : configuration historique, par exemple, des motos américaines Harley-Davidson et Indian, ou encore des Moto Guzzi bicylindres ;
  • en ligne : configuration très fréquente sur les motos, notamment depuis le succès des marques anglaises, telle Triumph, qui l'utilisèrent avec succès à partir du milieu des années 1930 ; réapparue récemment sur des automobiles contemporaines, comme la Fiat 500 avec le moteur Twin Air ;
  • à plat : configuration historique des motos BMW depuis les années 1920[53], également utilisée historiquement sur certaines automobiles comme les Panhard Dyna X et Z, les Citroën 2CV et Ami 6, etc.

Trois cylindres et plus

Les moteurs à trois cylindres et plus peuvent être disposés en ligne, en V ou à plat, en étoile[am], etc. La recherche de puissances croissantes, notamment dans le secteur des transports, a conduit historiquement à des configurations avec une cylindrée et un nombre de cylindres croissants. Les évolutions récentes, influencées notamment par les réglementations environnementales, sont à un retour vers des cylindrées et un nombre de cylindres plus limités.

Cylindres en ligne

Vue éclatée de principe d'un moteur à quatre cylindres en ligne, avec double arbres à cames en tête.

Dans ce type de moteurs, les cylindres forment une ligne et activent un même vilebrequin. Cette configuration, historiquement la plus répandue dans l'automobile, le transport naval et les machines fixes, est également utilisée dans l'aéronautique : pour toutes ces applications, les moteurs sont généralement disposés longitudinalement. De nombreuses motos de moyenne à forte puissance utilisent aussi des moteurs en ligne de trois ou quatre cylindres[an], mais, sur les motos modernes, ceux-ci sont généralement disposés transversalement pour faciliter le refroidissement par air.

  • Automobiles : les premiers moteurs en ligne à quatre cylindres apparaissent à la fin du XIXe siècle, comme sur la Panhard et Levassor, engagée en 1896 sur l'épreuve Paris-Marseille-Paris. L'industrie automobile américaine utilise couramment des moteurs en ligne à six cylindres et plus à partir des années 1910, comme dans les Packard Six (1912) et Packard Eight (1924). Cette motorisation est aussi continûment utilisée dans des automobiles de grande série comme la Ford T, la Traction Citroën, la Renault 4, la Peugeot 404, ou encore, plus récemment, de nombreux modèles BMW série 3, etc.
  • Motos : le premier moteur à quatre cylindres en ligne, alors disposé longitudinalement, apparait en 1905 sur un modèle de la marque belge FN. De très nombreux modèles de motos ont utilisé et utilisent encore des moteurs en ligne comme la Triumph Trident (trois cylindres, 1968), la très célèbre Honda CB 750 Four (quatre cylindres, 1969), la BMW K 1600 (six cylindres, 2011), etc.
  • Aéronautique : les frères Wright effectuent leur vol historique de 1903 sur leur avion Flyer doté d'un moteur à quatre cylindres en ligne[54]. Jusqu'à la Première Guerre Mondiale, plusieurs constructeurs proposent des moteurs en ligne à quatre ou six cylindres en ligne à refroidissement liquide, parfois dérivés de moteurs d'automobiles comme les moteurs pour avions de Fiat et Renault. Des moteurs en ligne à six cylindres, souvent disposés de façon inversée[ao], sont développés durant la Seconde Guerre Mondiale et les années 1950. Parmi les avions contemporains, seuls certains modèles légers utilisent des moteurs en ligne.

Cylindres en V

Dans ce type de moteurs, les cylindres sont disposés dans deux plans distincts formant un V et activent un même vilebrequin. Plus compliqué à construire qu'un moteur en ligne de même cylindrée, un moteur en V présente l'avantage d'être plus court et plus rigide. Les moteurs en V de quatre ou, plus fréquemment, de six cylindres et plus sont très répandus sur les automobiles de forte puissance, les avions à propulsion classique et certaines machines fixes. Ils sont aussi présents sur quelques modèles de motos de compétition ou sportives.

Moteur Antoinette V8 (1909).
  • Automobiles : le quatre cylindres en V, fait son apparition en course à la charnière des deux siècles, sur des modèles Mors et Ader. Les Américains développent dès les années 1910 et pendant plusieurs décennies de gros moteurs en V à six puis huit cylindres et plus au couple très élevé et aux vitesses de rotation assez lentes, comme ceux installés sur les Packard Twin Six (V12, 1916). Plus récemment, Ford fait une large utilisation d'un V4 sur ses modèles Taunus à partir des années 1960. Parmi les modèles contemporains de série utilisant de tels moteurs, on trouve notamment la Porsche Panamera (V6 et V8), la Lexus LC 500h (V6), le monospace Honda Odyssey (V6), et parmi les sportives la Mercedes-AMG GT (V8), la BMW M5 (V10), l'Aston Martin DBS (V12), etc. Des moteurs V8, V10 et V12 sont ou ont également été utilisés en Formule 1.
  • Motos : des moteurs V4 sont utilisés en compétition sur des motos GP, ainsi que sur quelques modèles de série sportifs ou puissants, comme la Yamaha VMax.
  • Aéronautique : l'un des premiers V8 de l'histoire aéronautique, l'Antoinette, apparait en 1907[55]. La plupart des avions des forces alliées de la Première Guerre mondiale utilisent des moteurs en V de six, huit ou douze cylindres[56]. Ce type de moteurs continue d'être régulièrement utilisé pendant et après la Seconde Guerre mondiale[57]: c'est par exemple un V12 Rolls-Royce Merlin qui équipe les Spitfire. Parmi les avions contemporains, seuls certains modèles légers utilisent encore de tels moteurs[58].

Cylindres à plat

Dans ce type de moteur, les cylindres sont dans un même plan et disposés de part et d'autre de leur vilebrequin commun. Utilisée sur un véhicule terrestre, cette architecture permet d'avoir un centre de gravité assez bas. Il en existe deux grandes variantes : les moteurs boxer, les plus répandus, dans lesquels les pistons opposés sont à une distance variant avec le cycle moteur, et ceux, parfois aussi appelés « en V à 180° », où cette distance est constante.

  • Automobiles : les VW Coccinelle (1938) et plusieurs autres modèles de la marque utilisent des moteurs à plat de quatre cylindres ; plusieurs modèles de Porsche ont des moteurs à plat depuis la fin des années 1950 (Porsche 356 à quatre cylindres, 1959 ; Porsche 911 à six cylindres, 1964, etc.) ; dans les années suivantes, des moteurs à plat allant jusqu'à douze cylindres équipent des voitures de compétition ou sportives, comme la Ferrari 512 BBi (1981). Ce type de moteur est encore utilisé sur des voitures contemporaines, notamment par la marque Subaru.
  • Motos : si le bicylindre à plat est assez répandu, notamment dans la gamme BMW, les modèles de motos équipés de moteurs à plat de plus de deux cylindres sont assez peu nombreux. Parmi ceux-ci se trouvent notamment les Honda GL Goldwing (quatre puis six cylindres).

Cylindres en étoile

Sur un moteur en étoile, aussi appelé moteur avec cylindres en étoile ou moteur radial, les cylindres sont disposés dans un même plan autour d'un vilebrequin commun. Cette disposition a été essentiellement utilisée sur des avions, car elle permet de réaliser des moteurs au vilebrequin court, adaptés au refroidissement par air et faciles d'accès pour la maintenance. Il en existe deux grandes variantes : les moteurs fixes et les moteurs rotatifs.

  • Moteurs en étoile fixes : le moteur est fixe par rapport à la machine qu'il équipe et entraîne la rotation du vilebrequin. Les premiers moteurs de ce type apparaissent au début des années 1900, notamment avec le moteur Manly à quatre cylindres de 1903[59]. Ils seront développés et utilisés sur de nombreux avions jusqu'après la Seconde Guerre Mondiale, les plus fortes puissances étant atteintes par des moteurs aux cylindres disposés en plusieurs rangées. Le bombardier Convair B-36 Peacemaker, l'un des plus gros avions à moteurs à pistons jamais construit, fut ainsi équipé à sa sortie en 1944 de six moteurs Pratt & Whitney R-4360 à 28 cylindres en quadruple étoile.
  • Moteurs en étoile rotatifs : le vilebrequin est fixe par rapport à la machine qu'il équipe, et le moteur tourne autour, entraînant l'hélice[ap]. Ce type de configuration apparaît vers la fin des années 1900, avec par exemple le Gnome Omega à sept cylindres (1909). Cette configuration fut utilisée fréquemment en aviation jusqu'au milieu des années 1920, notamment durant la Première Guerre Mondiale. De très rares cas d'utilisation sont connus sur des motos, telle la Megola (années 1920).

Autres configurations

Plusieurs autres configurations de moteurs à explosion ont été inventées et utilisées (en H, en W, etc.) dont le fonctionnement est très semblable à celui des configurations plus courantes en ligne, à plat ou en V. Des variantes présentant des différences plus importantes existent également, notamment celle à pistons opposés ou antagonistes. Ces moteurs sont des moteurs à plat, mais avec deux vilebrequins et chaque cylindre est associé à deux pistons qui ont le même cycle de fonctionnement : ainsi, par exemple, ils sont ensemble en phase de compression. Ce type de moteur, très généralement Diesel à deux temps, a notamment été utilisé en aviation, avec par exemple le moteur Jumo 205 (années 1930), sur des blindés, avec par exemple le moteur Leyland L60 (années 1950), ou encore sur des vedettes et des locomotives, comme le moteur Napier Deltic (années 1950).

Avantages et inconvénients

Avantages

La généralisation des moteurs à explosion depuis le début du XXe siècle, particulièrement dans les transports, est due à une combinaison de caractéristiques qui leur ont permis de supplanter les solutions alors concurrentes, notamment les moteurs à vapeur, de rendre possible certains usages, comme les motos et l'aviation, et de permettre la diffusion massive de véhicules automobiles lourds comme légers. Parmi ces caractéristiques avantageuses :

  • une efficacité thermique meilleure que celle des moteurs à vapeur : dès le début du XXe siècle les moteurs à explosion, d'apparition alors très récente, ont des rendements supérieurs d'au moins 50% à ceux des moteurs à vapeur, qui bénéficient pourtant d'améliorations accumulées depuis plusieurs décennies ;
  • un très bon rapport puissance/poids et puissance/volume[60] : les moteurs à explosion progressent très rapidement au début du XXe siècle en fiabilité, compacité et en performances. En 1902, certains moteurs à explosion proposent déjà des puissances de ch/kg, et un moteur de 40 ch a un volume inférieur à 0,7 m3 ;
  • une capacité à démarrer rapidement et facilement, surtout après l'invention du démarreur électrique, contrairement aux moteurs à vapeur nécessitant un période de préchauffage pouvant atteindre plusieurs dizaines de minutes.

Ces caractéristiques expliquent pourquoi les moteurs à explosion, initialement critiqués pour leur manque de fiabilité, leur coût, leurs vibrations et le bruit émis[60], ont supplanté leurs concurrents à vapeur, d'abord dans les véhicules légers[aq], puis dans les véhicules lourds (navires[ar], locomotives[as]) et la plupart des machines fixes.

Inconvénients

  • Besoin d'oxygène : tous les moteurs à explosion ont besoin de brûler un mélange d'oxygène et de carburant. Ils ne peuvent donc être utilisés si la machine n'a pas accès à l'air ambiant ou à des réserves d'air (ou d'oxygène) comprimé. Ils sont également limités en performances si l'apport d'air est limité, ce qui a conduit, par exemple, à les remplacer par des turboréacteurs pour les aéronefs devant voler à haute altitude et/ou à haute vitesse. Pour les mêmes raisons, certains sous-marins sont dotés d'une propulsion nucléaire.
  • Pollution atmosphérique : à l'exception des moteurs à explosion à hydrogène, encore peu répandus, le fonctionnement de tout moteur à explosion génère et envoie dans l'atmosphère des produits qui participent au réchauffement climatique, comme le gaz carbonique ou les oxydes d'azote, ou nuisent à la santé humaine et animale, comme le monoxyde de carbone et les particules fines[19]. En 2019, le secteur des transports a ainsi été le deuxième secteur le plus producteur de gaz carbonique avec près du quart des émissions mondiales[61].
  • Utilisation de carburants non renouvelables : les hydrocarbures utilisés comme carburant sont pour l'essentiel issus du pétrole ou du gaz naturel, deux ressources non renouvelables.

Ces deux derniers inconvénients ont suscité la création de normes de plus en plus contraignantes imposées aux moteurs thermiques, notamment en Europe à partir de 1993 avec les normes européennes d'émissions concernant les véhicules motorisés. Ces normes ont conduit à la généralisation des pots catalytiques, de l'injection[at], des filtres à particules, et de divers autres systèmes de dépollution. Elles ont également engendré un mouvement appelé "downsizing" visant à limiter la puissance des moteurs, leur consommation et leurs émissions polluantes. En 2022, l'Europe a pris la décision d'interdire la commercialisation de véhicules neufs générant du gaz carbonique à partir de 2035[62] : ceci interdirait, de fait, la commercialisation de tout véhicule doté d'un moteur à explosion, sauf ceux fonctionnant à l'hydrogène.

Maintenance

Les moteurs à explosion doivent être régulièrement entretenus. La fréquence et le contenu des actions de maintenance sont généralement définis par le constructeur. Les intervalles entre interventions sont souvent exprimées en temps (ex. : tous les deux ans), en distance parcourue pour les véhicules terrestres (ex. : tous les 30 000 km), ou en heures de fonctionnement (ex. : toutes les 100 h de fonctionnement). Certaines machines, notamment automobiles, sont dotées d'un ordinateur embarqué qui indique les opérations de maintenance à réaliser en fonction de l'usage réel mesuré[63].

Le contenu typique de telles actions comprend : le changement de l'huile de lubrification, du liquide de refroidissement, des bougies, de divers filtres (huile, carburant, etc.) ou de certaines parties du circuit de distribution et d'alimentation[64],[65]. Sur les moteurs qui en sont dotés, un nettoyage et un réglage réguliers des carburateurs est recommandé[66], ainsi qu'un réglage du jeu des soupapes[67], ou du système d'allumage quand il n'est pas électronique.

Les moteurs soumis à de fortes sollicitations, comme ceux des véhicules de compétition, font l'objet d'actions de maintenance supplémentaires, pouvant inclure le changement de pièces internes du moteur (segments des pistons, etc.).

Notes et références

Notes

  1. L'utilisation du mot « explosion » fait l'objet d'un débat entre spécialistes, certains préconisant d'utiliser plutôt le terme « combustion rapide » , ou discutant des différences entre les mots « explosion », « détonation » et « déflagration ». L'usage courant étant d'utiliser le terme « moteur à explosion », c'est celui-ci qui est utilisé dans la suite de l'article.
  2. Une explosion ou détonation est une forme particulière de combustion pour laquelle la vitesse du front de flamme est au moins en partie supersonique. Dans les moteurs à allumage commandé, la détonation est un défaut de fonctionnement (cliquetis) ; normalement c'est une déflagration qui se produit au sein de ces moteurs.
  3. Ces moteurs sont aussi appelés « moteurs à pistons ».
  4. Le moteur Wankel est un cas particulier qui n'utilise pas le système « bielle-manivelle ».
  5. Ces moteurs consomment généralement un carburant à base d'essence, d'où l'appellation "moteurs à essence".
  6. Et non explosion, qui risquerait d'endommager la mécanique au niveau de la bielle et du vilebrequin.
  7. Notamment sur les modèles NSU Prinz, Spider et Ro 80, ce dernier modèle élu voiture de l'année en 1968.
  8. Notamment la Citroën GS Birotor, fabriquée de 1973 à 1975.
  9. Notamment sur les modèles Mazda R100, RX-2, RX-3, RX-4 puis les sportives RX-7 et RX-8.
  10. Deux manchons par cylindre en mouvement en haut et bas de direction contraire pour le manchon externe et l'interne sur les moteurs de type Knight, qui équipa notamment des voitures Willys, Daimler, Panhard, Voisin, Minerva, Peugeot. Un seul manchon sur les moteurs de type Burt-McCollum, avec un mouvement simultané en haut et en bas et à droite et à gauche.
  11. Les seules bougies présentes sur un moteur Diesel sont les bougies de « préchauffage » qui préchauffent les chambres de combustion (ou les préchambres suivant le type de Diesel) afin d'obtenir, lorsque le moteur est froid, une température suffisante pour permettre l'auto-inflammation du carburant. Ce système assure parfois également un « post-chauffage » visant à assurer la stabilité en rotation du moteur et la diminution des émissions polluantes lors des basses températures.
  12. Les gros moteurs à deux temps des navires, tournant à quelques centaines de tours par minute, n'ont pas ce problème, leur conception est d'ailleurs très différente de celle des véhicules terrestre.
  13. Un des arguments avancés par les constructeurs de tels moteurs pour avions est que le carburant pour moteurs Diesel est moins cher et plus facile à trouver que le kérosène.
  14. Ces conditions peuvent être la part relative du carburant et de l'oxygène, la pression , la température, etc.
  15. Le méthane (CH4) est le composé chimique naturel composant l'essentiel du gaz naturel. Sa combustion répond à la formule chimique suivante : CH4 + 2 O2CO2 + 2 H2O. La combustion de l'octane, principal composant de l'essence, se fait selon la formule suivante : 2C8H18 + 25 O2 -> 16 CO2 + 18 H2O. La combustion de l'hydrogène (H2) suit la formule suivante : 2 H2 + O2 → 2 H2O
  16. Les premières motocyclettes étaient équipées de pédales permettant de les démarrer en pédalant comme sur un vélo. Ce système est encore très généralement utilisé sur les cyclomoteurs. Les motos ont ensuite été équipées de "kick", levier au pied permettant de faire démarrer le moteur. Les motos modernes sont désormais équipées, dans leur immense majorité, de démarreurs électriques. Les voitures étaient initialement équipées d'un système de manivelle permettant de démarrer manuellement le moteur, système lui aussi remplacé ensuite par un démarreur électrique. Certaines machines motorisées légères, comme les tondeuses thermiques et certains moteurs hord-bord, sont équipées d'un lanceur à fil permettant le démarrage manuel de leur moteur.
  17. Il a également été essayé d'ajouter de l'eau ou de la vapeur d'eau dans le mélange gazeux pour que le mélange puisse être davantage compressé avant combustion. Voir Moteur à eau (en particulier la partie « Injection d'eau dans les moteurs à combustion ») et l'article dédié Injection d'eau dans les moteurs. Cette approche a été abandonnée.
  18. Un moteur ainsi équipé est qualifié de moteur suralimenté.
  19. La très grande majorité des moteurs modernes à quatre temps équipant des véhicules terrestres motorisés sont dotés d'arbres à cames en tête. Si l'arbre est unique, le moteur est souvent qualifié de SOHC (Single Over Head Camshaft). Si le moteur a deux arbres en tête, il est qualifié de DOHC (Double Over Head Camshaft).
  20. L'allumeur électromécanique est constitué d'un rotor, de rupteurs, aussi appelés « vis platinées » et d'une tête de répartition. Il est mis en rotation et synchronisé au cycle moteur par le système de distribution.
  21. Dans un véhicule automobile, la batterie délivre généralement une tension de 6 ou 12 V, alors que la tension nécessaire aux bougies est supérieure à 10 000 V. Pour les poids lourds, celle-ci est de 24 V.
  22. Dans les versions les plus modernes d'allumage électronique, il n'y a plus de pièces tournantes.
  23. Et, inversement, « couper le contact ».
  24. Le circuit de lubrification participe donc aussi au refroidissement du moteur. Sur certains moteurs, il est lui-même doté d'un système de refroidissement qui lui est dédié.
  25. Ces deux types de refroidissement peuvent être combinés pour un même moteur.
  26. Certains circuits de refroidissement utilisent de l'huile.
  27. Idéalement, pour un moteur à quatre temps, la température du liquide de refroidissement doit se situer de 95 à 110 °C. Pour un moteur à deux temps, la température du liquide de refroidissement doit se situer de 50 à 60 °C.
  28. 1 2 Sous réserve que cette puissance ne soit pas limitée par le système d'alimentation ou celui d'allumage.
  29. Pour des raisons historiques, une autre unité est également parfois utilisée : le cheval-vapeur (ch), qui vaut 735,5 W. Le monde anglosaxon utilise également parfois le horse power (HP), qui vaut 745,7 W.
  30. 1 N.m=0,101972 kg.m
  31. Pour obtenir la puissance P en watts, il faut multiplier le couple en N × m par la vitesse de rotation Ω exprimée en radians par seconde.
  32. Un taux ou rapport de compression de 7, souvent indiqué comme "7 à 1", veut dire que le rapport du volume au-dessus du piston à son point mort bas vaut 7 fois celui au point mort haut.
  33. Chaque piston du moteur à deux temps actionne en effet le vilebrequin tous les tours, contre seulement un tour sur deux dans le moteur à quatre temps.
  34. La moto qui a remporté le championnat GP en 2022 est à quatre temps avec un rapport puissance/cylindrée de l'ordre de 300 ch/l.
  35. 1 2 3 Avec dépolluant à l'urée.
  36. L'absence ou le mauvais fonctionnement de ces trois types de dispositifs dégrade substantiellement les résultats des moteurs Diesel.
  37. Les moteurs à vapeur, apparus au XVIIIe siècle, ont également longtemps été des monocylindres.
  38. Certaines motos des années 1990 ont même été équipées de monocylindres de 800 cm3, comme la Suzuki DR 800.
  39. La configuration en étoile ou radiale a plus particulièrement été utilisée dans l'aviation.
  40. Quelques modèles de motos ont été équipés de moteurs à six cylindres en ligne.
  41. Les têtes des cylindres étaient en bas, le vilebrequin en haut.
  42. Il ne faut pas confondre moteur rotatif et moteur à piston rotatif. Un moteur à piston rotatif, comme le moteur Wankel, est fixe par rapport à la machine qu'il équipe : c'est le piston qui est en rotation. Dans le cas d'un moteur rotatif, c'est la totalité du moteur qui tourne par rapport à la machine.
  43. L'un des derniers modèles d'automobile à vapeur a été fabriqué par la société américaine Doble durant la seconde moitié des années 1920.
  44. Les derniers navires à vapeur ont été construits juste après la Seconde Guerre Mondiale.
  45. La dernière locomotive à vapeur construite en France date de 1953. Le dernier transport par locomotive à vapeur en France eut lieu en 1974. Les locomotives sont de nos jours très généralement électriques ou diesel.
  46. L'injection a remplacé les systèmes à carburateurs sur la quasi-totalité des véhicules à essence sauf ceux de petite cylindrée.

Références

  1. Bellu 1993, p. 1-4.
  2. 1 2 Bellu 1993, p. 4-9.
  3. 1 2 Vance 2003, p. 11-12.
  4. 1 2 Crouse 1973, p. 4-8.
  5. Crouse 1973, p. 51-66.
  6. Crouse 1973, p. 78-99.
  7. 1 2 da Silva et Thibault 2011, p. 1-2 ; 61-62.
  8. 1 2 da Silva et Thibault 2011, p. 64-66.
  9. « Moteur à piston rotatif (Wankel) » (consulté le )
  10. « ESSAI - Mazda MX-30 R-EV : le moteur rotatif au service de l’électrique », (consulté le ).
  11. Ricardo 1953, p. 320-355.
  12. Simons 2013, p. 53-56.
  13. Pourquoi un moteur Bristol ?, noratlas-de-provence.com du (consulté le ).
  14. 1 2 da Silva et Thibault 2011, p. 66-68.
  15. (en) 2 Stroke Motorcycle Direct Injection, sur orbeng.com
  16. « WAM 3 Cylinder Diesel Aero Engines », sur appletreeinnov.co.uk (consulté le ).
  17. « Renault présente un prototype de moteur diesel deux temps », sur Caradisiac, (consulté le ).
  18. « Un très très gros moulin : le plus gros moteur diesel marin », sur ActuNautique (consulté le ).
  19. 1 2 3 da Silva et Thibault 2011, p. 78-84 ; 93-95 ; 101.
  20. « IFPEN | Tout savoir sur l'hydrogène », sur IFPEN (consulté le )
  21. 1 2 Vance 2003, p. 20-21.
  22. 1 2 da Silva et Thibault 2011, p. 85-90.
  23. Moon 1974, p. 64-72.
  24. Norbye 1988, p. 24-37.
  25. Norbye 1988, p. 67-77.
  26. MacInness 1984, p. 5-25.
  27. Pipe 1978, p. 279-284.
  28. Pipe 1978, p. 229-252.
  29. Ecole des Métiers Dijon Métropole 2024.
  30. Crouse 1973, p. 186-198.
  31. Collège Marie-Victorin 1987, p. 30.
  32. Collège Marie-Victorin 1987, p. 74-76.
  33. Crouse 1973, p. 199-210.
  34. 1 2 Pipe 1978, p. 105-118.
  35. « e) Le thermostat », ENSEEIHT (consulté le 16 janvier 2018).
  36. 1 2 3 4 Blot 2018, p. 4-7.
  37. da Silva et Thibault 2011, p. 74-78 ; 98-99.
  38. Toyota developpe de nouvelles motorisations plus efficientes et plus reactives, .toyota.fr du , consulté le
  39. (en) Advanced Technologies & Energy Efficiency, sur fueleconomy.gov
  40. 1 2 Blot 2018, p. 36-37.
  41. Blot 2018, p. 15-18 ; 32.
  42. Blot 2018, p. 11-16.
  43. Blot 2018, p. 23.
  44. « Catalogue en ligne Bruxelles Environnement (IBGE) - Leefmilieu Brussel (BIM) », sur document.environnement.brussels (consulté le )
  45. Alain-Gabriel Verdevoye, « Les ventes de diesels en chute libre en Europe », sur Challenges, (consulté le )
  46. IFPEN, « Etude Emissions Euro 6d-TEMP pour le MTE » [PDF], (consulté le ).
  47. « Dieselgate: chronologie d'un scandale né chez Volkswagen », Le Figaro, (consulté le ).
  48. Henri Michelet, L'inventeur Isaac de Rivaz 1752-1828 : Ses recherches techniques et ses tentatives industrielles, , p. 231.
  49. Jacques Payen, Les brevets de Lenoir concernant le moteur à combustion interne, vol. 16, Revue d'histoire des sciences et de leurs applications, , 374-380 p., chap. 16-4.
  50. Pipe 1978, p. 25-26.
  51. (en) Giancarlo Genta, Motor Vehicle Dynamics : Modeling and Simulation, Singapour, World Scientific, , 539 p. (ISBN 981-02-2911-9, lire en ligne), p. 26
  52. (en) Peter J. Ling, America and the Automobile : Technology, Reform and Social Change, 1893-1923, Manchester, UK, Manchester University Press, , 202 p. (ISBN 0-7190-3808-1, lire en ligne), p. 97.
  53. Florine Martet, « BMW : histoire du constructeur », 5 novembre 2012, sur lerepairedesmotards.com (consulté le 5 décembre 2015).
  54. Gunston 1993, p. 102-105.
  55. Gunston 1993, p. 97-122.
  56. Guston 1993, p. 123-149.
  57. Gunston 1993, p. 150-177.
  58. Guston 1993, p. 178-213.
  59. Gunston 1993, p. 99-104.
  60. 1 2 Lavergne 1902, p. 811-822 ; 872-875.
  61. « Répartition sectorielle des émissions de CO2 dans le monde », sur Chiffres clés du climat 2022, Commissariat général au développement durable (consulté le ).
  62. « Tout savoir sur l'interdiction de l'UE concernant la vente de voitures neuves à essence et diesel à partir de 2035 », sur Parlement européen, (consulté le ).
  63. « L'ordinateur prend en main le diagnostic, voire la réparation », Les Échos, (consulté le ).
  64. « La révision des voitures diesel détaillée opération par opération », sur revue-technique-auto.fr (consulté le ).
  65. « La révision des voitures essence détaillée opération par opération », sur revue-technique-auto.fr (consulté le ).
  66. Speedway.fr, « Fonctionnement et nettoyage d'un carburateur moto », sur Speedway (consulté le ).
  67. Speedway.fr, « Réglage du jeu aux soupapes », sur Speedway (consulté le ).

Annexes

Bibliographie

Document utilisé pour la rédaction de l’article : document utilisé comme source pour la rédaction de cet article.

En français

  • Serge Bellu, Les automobiles : Des origines à l'an 2000, Larousse, , 204 p. (ISBN 203 506 222 5). Ouvrage utilisé pour la rédaction de l'article
  • Pascal Blot, Le Moteur Thermique : Notions de base (Cours niveau BTS), Saint Priest, Eduscol, , 50 p. (lire en ligne). Ouvrage utilisé pour la rédaction de l'article
  • Collège Marie-Victorin, Mon Automobile, Québec, éditions de l'Homme, , 116 p. (ISBN 2-7619-0694-2, lire en ligne). Ouvrage utilisé pour la rédaction de l'article
  • William H. Crouse, Mécanique Automobile, Montréal, McGraw-Hill, , 568 p. (ISBN 0-07-09-2980-7, lire en ligne). Ouvrage utilisé pour la rédaction de l'article
  • Ecole des Métiers Dijon Métropole, « Allumage », Ecole des Métiers Ressources, Dijon, , p. 1-24 (lire en ligne [PDF]). Ouvrage utilisé pour la rédaction de l'article
  • da Silva et Thibault, Cycles thermodynamiques des machines thermiques (Cours niveau école d'ingénieurs), Grenoble, Institut Polytechnique de Grenoble, , 154 p. (lire en ligne). Ouvrage utilisé pour la rédaction de l'article
  • Gérard Lavergne, « L'Automobile en 1902 », Revue Générale des Sciences pures et appliquées, Armand Colin, vol. Treizième, , p. 811-829 ; 853-875 ; 916-930 (lire en ligne). Ouvrage utilisé pour la rédaction de l'article

Autres langues

  • (en) Arnold E. Biermann et Hermann H. Ellerbrock Jr., The design of fins for air-cooled cylinders [PDF], NACA Report no 726, 1939.
  • (en) Bill Gunston, The Development of Piston Aero Engines, Somerset, Patrick Stephens Ltd, , 232 p. (ISBN 1-85260-385-2, lire en ligne). Ouvrage utilisé pour la rédaction de l'article
  • (en) Hugh MacInness, Turbochargers, New York, Berkley Publishing, , 164 p. (ISBN 0-89586-135-6, lire en ligne). Ouvrage utilisé pour la rédaction de l'article
  • (en) John F. Moon, Rudolf Diesel and the Diesel Engine, Bath, Wayland, , 104 p. (ISBN 978-0-850-78130-4, lire en ligne). Ouvrage utilisé pour la rédaction de l'article
  • (en) Jan P. Norbye, Automotive Fuel Injection Systems : A Technical Guide, Somerset, Haynes Publishing, , 180 p. (ISBN 978-0-854-29761-0, lire en ligne). Ouvrage utilisé pour la rédaction de l'article
  • (en) Ted Pipe, Gas Engine Manual, Indianapolis, Theodore Audel & Co, , 408 p. (ISBN 0-672-23245-6, lire en ligne). Ouvrage utilisé pour la rédaction de l'article
  • (en) Harry Ricardo, The High-Speed Internal-Combustion Engine, Glasgow, Blackie and Son Ltd, , 466 p. (ISBN 978-0-216-89026-8, lire en ligne). Ouvrage utilisé pour la rédaction de l'article
  • (en) Graham Simons, Fighters Under Construction in World War Two, Barnsley, Pen and Sword, , 128 p. (ISBN 978-1-781-590-348, lire en ligne). Ouvrage utilisé pour la rédaction de l'article
  • (en) Bill Vance, Reflections on Automotive History : Volume 3, Ontario, Canada, Eramosa Valley Publishing, , 208 p. (ISBN 0-9698922-4-1, lire en ligne). Ouvrage utilisé pour la rédaction de l'article

Articles connexes

Liens externes

  • icône décorative Portail du génie mécanique
  • icône décorative Portail de l’automobile
  • icône décorative Portail de la moto
  • icône décorative Portail des camions
  • icône décorative Portail de l’aéronautique
  • icône décorative Portail des technologies
  • icône décorative Portail de l’énergie