Pont de Maxwell
Un pont de Maxwell est un type de circuit électronique dérivé du pont de Wheatstone permettant de mesurer la valeur d'une inductance inconnue grâce à un voltmètre ou galvanomètre, une résistance et un condensateur étalonné.
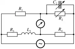
Soit le circuit ci-contre :

On cherche à être en présence du pont dit « équilibré », c'est-à-dire lorsque le courant circulant dans le voltmètre/ galvanomètre est nul. Or (loi d'Ohm en courant alternatif). On cherche donc à rendre la tension mesurée par le voltmètre nulle.
Le théorème de Millman donne lorsque cette tension est nulle (où Z est l'impédance complexe équivalente à R2 parallèle à C2) :
Soit en égalant parties réelles et imaginaires:
(le résultat est indépendant de la fréquence du générateur)
Notes et références
- [PDF] Les ponts de mesure, sur le site ressources.univ-lemans.fr, consulté le .
Articles connexes
- Portail de l’électricité et de l’électronique