Pont de diodes

Un pont de diodes ou pont de Graetz est un assemblage de quatre diodes montées en pont (montage similaire à celui d'un pont de Wheatstone) qui redresse le courant alternatif monophasé en courant continu, c’est-à-dire ne circulant que dans un seul sens[1]. C'est le montage le plus utilisé pour réaliser un redressement double alternance. Par extension, on désigne sous le nom de pont redresseur triphasé ou pont de diodes triphasé un ensemble de six diodes réalisant un redressement double alternance en triphasé.
Fonctionnement


La structure de ce montage peut être comparée à celle d'une pompe à double effet dont les quatre clapets seraient remplacés par quatre diodes.
En réalité, le pont de diode est un redresseur de courant. Le courant de sortie est toujours la valeur absolue du courant d'entrée. En revanche la forme de la tension de sortie dépend à la fois de la forme de la tension d'entrée et de la nature de la charge.
Lors de l'alternance positive de la tension d'entrée , seules les deux diodes ayant une tension d'anode supérieure à la tension de cathode conduiront. Les deux autres diodes ne remplissant pas ces conditions sont bloquées et ne laissent donc pas passer de courant. Pour l'alternance négative, ce sont les deux autres diodes qui conduisent.
Le pont de diodes est disponible en tant que composant électrique à part entière. Il comporte logiquement quatre broches : deux sont marquées ~ (pour la source alternative), une + et une - (pour la sortie redressée). La taille du pont dépend de la puissance qu'il est capable de supporter. Il est également possible d'en fabriquer un soi-même avec 4 diodes.
Avantages et inconvénients
Le montage est très économique. Les diodes bloquées ne sont soumises qu'à une tension inverse de .
Toutefois, la chute de tension dans le pont est égale à deux fois la tension d'une diode dans le sens passant soit, pour des diodes au silicium, une chute de tension d'environ 1,4 V. Le maximum subit donc une perte d'amplitude de 2,8 V, ce qui est gênant lorsqu'on veut redresser des tensions de faibles valeurs. La tension de sortie n'est pas réglable. Lorsque la tension d'entrée est inférieure au seuil des diodes, les diodes têtes-bêches n'étant pas passantes, il n'y a pas de tension de sortie, créant ainsi une « zone aveugle ».
On l'utilise aussi pour "banaliser" la polarité de branchement au niveau utilisateur pour un élément exigeant une alimentation en courant continu, en intercalant le pont de diodes entre cet élément et le connecteur de branchement accessible à l'utilisateur. Celui-ci peut alors utiliser une alimentation courant alternatif ou continu en ignorant la polarité. Par exemple alimenter une LED dans une automobile (12Vcc) ou un automate industriel avec une alimentation 24Vac.
Galerie
- Différents composants électroniques utilisés en pont de diodes
3 ponts de diodes.
Pont de Graetz de 30A 1600V, d'environ 4cm de côté.
Ils sont aussi utilisés dans l'électronique grand public...
...comme avec ce composant logé dans un chargeur USB
Composant électronique servant de pont de diodes.
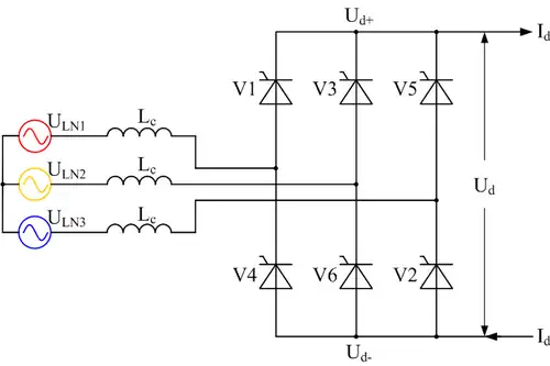
Application à une source triphasée
En triphasé, les diodes sont remplacées par des thyristors, et on peut ajouter suivant les besoins des inductances (bobines) de corrections. Ce ne sont plus des ponts de diodes à proprement parler, mais le principe de fonctionnement est identique.
Montage triphasé à 6 thyristors sans inductance
Montage triphasé à 6 thyristors avec inductance
La rectification triphasée permet de convertir une source triphasée alternative en une source continue.
Notes et références
- ↑ Fabrice Sincère, Cours d’Électrotechnique, 2e partie : Électronique de puissance, IUT Nancy-Brabois.
Liens externes
- Portail de l’électricité et de l’électronique