Sous-station de traction

Une sous-station de traction est située sur une ligne de chemin de fer électrifiée. Elle permet l'alimentation en énergie électrique d'une section de cette ligne. En général une ligne comporte plusieurs sous-stations de traction, ce qui permet la marche des trains qui captent l'énergie électrique entre une ligne de contact et les rails de roulement. Elles sont généralement raccordées à un réseau électrique alternatif à haute tension. Leur fonction est d'abaisser cette tension à une valeur utilisable par les engins moteurs et, dans certains cas, de modifier la fréquence de la tension ou de la convertir en tension continue.
Les différents systèmes d'électrification
Différentes formes d'électricité
Une première distinction est liée à la forme d'électricité utilisée, continue ou alternative. Sous la forme continue, l'électricité circule toujours dans le même sens. Sous la forme alternative elle change régulièrement de sens ce qui génère l'induction électromagnétique, base de l'effet transformateur et des machines tournantes à induction.
Rappelons quelques données électriques de base :
- la tension électrique (ou différence de potentiel) est la grandeur physique qui fait circuler l'électricité créant un courant électrique; la tension se mesure en volts (V) ou en kilovolts (1 kV=1000 V), l'intensité du courant se mesure en ampères (A) ou en kiloampères (1 kA=1000 A).
- la génération d'un courant par une tension dans un circuit fermé est liée à l'impédance de ce circuit selon les diverses versions de la Loi d'Ohm.
- les systèmes à tension et courant alternatifs sont caractérisés par la fréquence (nombre d'oscillations par unité de temps), mesurée en "périodes par seconde" ou hertz (Hz, unité normalisée) et par le nombre de phases, le plus souvent une (monophasé) ou trois (triphasé). Ils permettent d'utiliser le transformateur pour élever ou abaisser le niveau de la tension. Tension et courant alternatifs se représentent par la courbe sinusoïde et sont traitées mathématiquement par les fonctions trigonométriques.
- la puissance électrique est le produit mathématique de la tension et de l'intensité, elle se mesure en watts (W), mais le plus souvent pour les équipements de grande puissance en kilowatts (1 kW=1000 W) ou en mégawatts (1 MW = 1000 kW). La puissance d'une sous-station qui délivre du courant alternatif s'exprime en volts-ampères (VA) compte tenu du déphasage qui existe entre la tension et l'intensité.
Selon la forme d'électricité et les valeurs de tension utilisées, il existe plusieurs systèmes d'électrification.
- Électrifications sous tensions continues avec des valeurs de quelques centaines à quelques milliers de volts.
- Électrifications sous tensions alternatives, monophasée ou triphasée, avec des valeurs de plusieurs milliers ou dizaines de milliers de volts.
Une remarque de sémantique : de façon générale, la mauvaise habitude a été prise de dénommer les électrifications «à» ou «en» «courant continu» ou «courant alternatif». Alors que l'on fournit à la ligne de contact, donc aux engins de traction, une tension et que les dites électrifications sont désignées par la valeur de cette tension en volts ou en kilovolts (1500 V, 15 kV, etc.). Le courant ainsi distingué n'est que la conséquence de la présence d'un récepteur sous la dite tension. Il serait donc préférable de parler d'électrifications «à» ou «sous» «tension continue» ou «alternative».
Justifications des valeurs de tension
Pour les moteurs de traction
Pour des questions d'isolation électrique, dans la géométrie exiguë d'un moteur de traction, il est difficile de construire celui-ci pour plus de 2000 V. Sous tension alternative, il est possible de fournir ce niveau à partir d'une tension à la ligne de contact plus élevée en utilisant un transformateur à bord de l'engin de traction. D'où les valeurs élevées des tensions alternatives utilisées (3600 à 50 000 V avec quelques exceptions plus basses). Sous tension continue ce processus n'est pas possible, on doit donc fournir à la ligne de contact une tension de l'ordre de grandeur de la valeur de définition pour le moteur de traction, d'où des valeurs basses, inférieures à 2000 V. Pour les électrifications sous 3000 V, assez fréquentes, on avait à l'origine (années 1920) toujours deux moteurs en série, tournant sous 1500 V, et des dispositifs particuliers devaient être utilisés pour les auxiliaires, ce qui rendait les engins de traction plus lourds, plus chers et moins performants.
Pour la ligne de contact
Pour une puissance donnée à fournir plus la tension est élevée et plus l'intensité du courant est basse. Or les chutes de tension en ligne (ligne de contact, rails, sol, engins de traction) sont proportionnelles à cette intensité. D'où l'intérêt d'avoir des valeurs aussi basses que possible de l'intensité ce qui conduit à avoir des sections de fils et câbles plus faibles donc une ligne de contact plus légère et moins chère. C'est aussi ce qui a justifié les électrifications sous 3000 V permettant une ligne de contact plus légère que sous des tensions plus faibles justifiées par la limite à 2000 V.
Mais pourquoi des électrifications sous tensions continues ?
Au début du développement des grandes électrifications (années 1910-1920) le meilleur moteur pour la traction était le moteur à collecteur[1]. Celui-ci fonctionne idéalement sous tension continue mais aussi sous tension alternative quoique moins bien avec l'augmentation de la fréquence (Phénomène de commutation). À cette époque la fréquence pour le développement des réseaux électriques de transport et de distribution fut généralisée à 50 Hz en Europe et 60 Hz en Amérique du Nord, sous la dénomination «fréquence industrielle». Or on ne savait pas faire tourner un moteur à collecteur sous ces fréquences. D'où l'adoption de fréquences moins critiques pour ce type de moteur, en particulier 16,66 Hz ou 16 2/3 (50 / 3) et 25 Hz (50 / 2).
Dans les années 1950, après un demi-siècle d'expérimentation, on sut construire des engins de traction fonctionnant sous 50 Hz ce qui ouvrit la voie à des électrifications plus simples et moins chères. Ce système sera adopté au niveau international avec la tension de définition de 25 000 V.
À partir des années 1980, grâce aux développements de l'électronique de puissance, l'utilisation de moteurs à induction triphasés[2], généralement abandonnés soixante ans auparavant, a permis de faire fonctionner des engins de traction sous tous les systèmes existants.
Différents types de ligne de contact
Les engins de traction captent une tension électrique entre les rails et un conducteur isolé électriquement, partie d'un dispositif appelé «ligne de contact». Une seconde distinction entre les différents types d'électrification est liée à la nature de la ligne de contact.
Deux grandes catégories de lignes de contact : aériennes, au sol.
Lignes de contact aériennes
Grâce à un appareil de prise de courant (pantographe, perche), les engins de traction captent la tension entre, d'un côté, un ou deux fils de contact suspendus et, de l'autre côté, les rails. Pour avoir la résistance électrique la plus faible les fils de contact sont, généralement, en cuivre électrolytique à haut degré de pureté.
Plusieurs configurations peuvent être utilisées :
- Un fil de contact simple ou fil trolley : entre des supports rapprochés (de l'ordre de 20 m) le fil, sous son propre poids, forme une courbe en chaînette ce qui limite la vitesse des véhicules (50 à 60 km/h). C'est le système utilisé pour les tramways, les voies de gares, de garage et de triage. On utilise aussi le fil trolley régularisé qui est tendu par un système de contrepoids et permet des portées plus longues (50 m) et des vitesses jusqu'à 100 km/h.
- Suspension caténaire (du latin catena, “chaîne”) : pour régulariser au mieux leur hauteur par rapport aux rails, le ou les fils de contact sont suspendus, à intervalles réduit, à des fils ou câbles porteurs. Le ou les fils de contact, et dans certaines applications le porteur, sont généralement tendus par un système de contrepoids.
- Profil aérien de contact (PAC) ou ligne de contact rigide, constitué par un profil en alliage léger extrudé dans lequel est inséré le fil de contact en cuivre. L'encombrement vertical est moindre qu'avec une suspension caténaire, cette technique est, maintenant, souvent utilisée dans les ouvrages souterrains.
L'habitude a été prise, dans le monde du chemin de fer, de simplifier «ligne de contact à suspension caténaire» en «caténaire». Ce qui conduit à des emplois inexacts et abusifs lorsqu'il s'agit d'un simple fil trolley ou d'un PAC (certains parlent alors de “caténaire rigide”!). Quand il ne s'agit pas d'une suspension caténaire il serait donc préférable de parler de «ligne de contact».
Lignes de contact au sol
Constituées par un ou des conducteurs isolés disposés parallèlement aux rails de roulement et au contact desquels les engins de traction captent la tension au moyen de frotteurs. On utilise le plus souvent un troisième rail, latéral à la voie, mais dans certaines applications on peut avoir un quatrième rail, disposé entre les rails de roulement.
Ces systèmes sont souvent appliqués dans les réseaux urbains souterrains, de type “métro”, les lignes de contact aériennes présentant un encombrement important au-dessus des véhicules. Mais la présence d'un rail sous tension électrique à proximité des voies constitue un danger pour le personnel et le public (dans les gares et sur les passages à niveau). Pour cette raison, ces systèmes sont utilisés pour des basses tensions, inférieures à 1000 V, ce qui est généralement le domaine des tensions continues. Une exception a existé de 1928 à 1976, sur la ligne française Chambéry - Modane, avec un troisième rail sous tension continue de 1500 V.
Il faut citer aussi, pour mémoire, les systèmes d'alimentation par le sol pour des sections de tramways sans ligne de contact aérienne.
Électrifications non ferroviaires
Les véhicules électriques sur pneumatiques utilisent des systèmes d'alimentation similaires aux véhicules ferroviaires.
- Ligne de contact aérienne à deux fils : pour les trolleybus, la tension d'alimentation est appliquée entre deux fils isolés entre eux et par rapport à l'environnement.
- Ligne de contact au sol à deux conducteurs : pour les métros sur pneumatiques, la tension d'alimentation est appliquée entre les barres métalliques latérales de guidage, isolées entre elles et par rapport à l'environnement.
Différents systèmes
Il existe ainsi différentes définitions d'électrifications ferroviaires :
- Électrifications sous basses tensions continues (160 à 1200 V) avec ligne de contact au sol (3e ou 4e rail).
- Électrifications sous basses tensions continues (500 à 1200 V) avec ligne de contact aérienne.
- Électrifications sous moyennes tensions continues (1350 à 3000 V) avec ligne de contact aérienne.
- Électrifications sous moyennes tensions alternatives triphasées (725 à 3600 V - 16,7 Hz, 50 Hz) avec double ligne de contact aérienne.
- Électrifications sous hautes tensions alternatives monophasées (11 000 à 15 000 V), à fréquence spéciale (16,7 Hz, 25 Hz), avec ligne de contact aérienne.
- Électrifications sous hautes tensions alternatives monophasées (20 000 à 50 000 V), à fréquence industrielle (50 Hz, 60 Hz), avec ligne de contact aérienne.
Les systèmes de transport électrifiés non ferroviaires nécessitent également des sous-stations de traction :
- Trolleybus : électrifications sous basses tensions continues (400 à 600 V) avec double ligne de contact aérienne.
- Métros sur pneumatiques : électrifications sous basse tension continue (750 V) avec double ligne de contact au sol.
Principe de fonctionnement des sous-stations
Le but d'une sous-station ferroviaire est de convertir l'énergie électrique dans une forme acceptable pour les trains[3]. En général, les sous-stations sont connectées au réseau public de transport d'électricité qui fournit un système triphasé de tensions alternatives, à la fréquence industrielle de 50 Hz et à des niveaux de tensions élevés allant de 63 kV à 400 kV en France[4]. Le fonctionnement d'une sous-station dépend du système d'électrification utilisé[3].
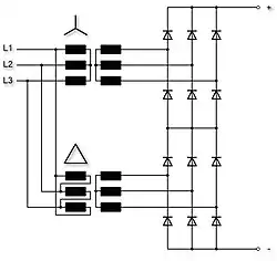
Sous-stations 1500 ou 3000 V CC

Les sous-stations continues doivent convertir un système de tensions triphasées alternatives à haute tension vers en une tension continu de plus basse tension. Historiquement cette conversion était réalisée à l'aide de commutatrices[5]. Aujourd'hui, les sous-stations sont équipées de redresseurs de tension qui sont des dispositifs d'électronique de puissance permettant une conversion de l'alternatif vers le continu. Les redresseurs généralement utilisés dans les sous-stations sont de type pont de diode (redresseurs non commandés) et plus spécifiquement sur le montage PD3. Ils se basent sur la capacité d'une diode à se bloquer lorsque la tension à ses bornes s'inverse[6].

L'inconvénient du montage redresseur PD3 est que la tension produite en sortie n'est pas parfaitement constante. Il existe une ondulation de tension ce qui signifie que la tension varie plus ou moins légèrement autour de sa valeur moyenne[6]. Pour limiter cette ondulation de tension, la sous-station réalise un redressement dodécaphasé[7]. Le système de tension triphasé en entrée de la sous-station est d'abord transformé en deux systèmes de tension triphasé, déphasés de 30°, à l'aide d'un transformateur triphasé Yyd. Cela permet aussi d'abaisser la tension. Les deux systèmes de tension triphasés sont ensuite fournis en entrée de deux redresseur de tension PD3 dont les sorties sont connectées en série. La tension résultante a donc une ondulation beaucoup plus faible, de l'ordre de quelques dizaines de volts[7] d'une fréquence égale à 6 fois celle d'entrée soit 300Hz d'où l'ondulation de l'épaisseur des conduites de gaz lorsque la protection électrolytique est défaillante.
Sous-stations 25 kV CA
Les sous-stations 25 kV alternatives sont beaucoup plus simples que les sous-stations continues. Elles consistent simplement en un transformateur monophasé connecté sur deux phases du réseau triphasé de transport d'électricité. Le transformateur permet d'abaisser le niveau de tension à 25 kV[7].
Le courant n'étant pris que sur deux des trois phases, la sous-station génère un déséquilibre des tensions sur le réseau de transport d'électricité. Ce déséquilibre est néfaste pour le gestionnaire du réseau de transport et doit donc être limité. Pour cela, des montages spécifiques de transformateur sont utilisés dans certaines sous-stations 25 kV alternative comme par exemple le montage VV ou Scott[8].
Le circuit de traction
Un engin de traction électrique est alimenté par un circuit électrique fermé, le circuit de traction comprenant les éléments suivants :
- une source fixe, la sous-station,
- un récepteur mobile, l'engin de traction,
- une ligne constituée par la ligne de contact, les rails et l'environnement immédiat de la voie.
Ce circuit est déformable avec le mouvement des trains.
La fonction «ligne» du circuit de traction
Son but est de relier la sous-station (la source) à l'engin de traction (le récepteur) en constituant un circuit fermé.
Dans le cas le plus courant les engins de traction sont à deux pôles électriques (tension continue ou alternative monophasée).
Les composants de la fonction «ligne» du circuit de traction
Ce sont des éléments conducteurs disposés le long des voies ou existants à proximité.
- La ligne de contact : c'est un ensemble de conducteurs isolés disposés parallèlement à la voie, elle constitue l'un des pôles électriques alimentant l'engin de traction dont c'est l'un des contacts d'alimentation par l'intermédiaire de ses appareils de captage (pantographe, perche, frotteurs, etc.).
- La voie : les rails en acier, donc conducteurs, constituent le deuxième contact électrique de l'engin de traction par l'intermédiaire de ses roues.
- L'environnement conducteur immédiat de la voie : le sol est plus ou moins conducteur et autour de la voie se trouvent des éléments métalliques conducteurs, supports de ligne de contact et de signaux, charpentes de bâtiments, clôtures, tuyauteries enterrées, etc. Ces différents éléments peuvent être traversés par des courants circulant entre la sous-station et l'engin de traction. Ce sont les courants vagabonds.
- La ligne de terre ou de mise aux rails, tendue en général entre les supports de ligne de contact aérienne et connectée aux rails par intervalles. Elle évite les tensions intempestives entre ces supports et l'environnement immédiat et canalise une partie des courants vagabonds.
Les rails, la ligne de terre et l'environnement conducteur constituent le second pôle électrique d'alimentation de l'engin de traction. Par facilité on a pris une autre mauvaise habitude en donnant à cet ensemble la fonction de «retour du courant», comme si le dit courant partait de la sous-station vers l'engin de traction pour revenir par les rails. Ce qui physiquement est inexact particulièrement en alternatif où le courant change continuellement de sens. En continu c'est exact dans le cas où la ligne de contact est connectée au pôle plus de la sous-station, ce qui n'est pas systématique (C'est, par exemple, l'inverse sur le réseau de tramways de Genève). Cette expression approximative devrait donc être évitée au profit de «fermeture du circuit de traction».
Dans le cas des alimentations triphasées avec ligne de contact à 2 fils, la fonction “ligne de contact” est doublée, c'est un système à trois pôles électriques.
Les courants vagabonds
Une partie du courant entre les sous-stations et les engins de traction circule donc dans l'environnement immédiat des voies. Il faut ajouter, en électrification sous tension alternative, les courants induits par la ligne de contact. Ces courants vagabonds peuvent atteindre 20 % du courant total alimentant les engins de traction.
Ils peuvent apporter des perturbations voire des dégâts.
La circulation de ces courants peut provoquer des différences de potentiel non négligeables, voire dangereuses, à des points de transition brutale de résistivité du milieu. D'où la nécessité de mettre à la terre les objets métalliques proches des voies électrifiées tels que les supports de lignes de contact et de signaux, les clôtures, les charpentes métalliques, etc. Le chapitre «mises à la terre» est un élément important du cahier des charges d'une électrification.
Le phénomène prend encore plus d'importance pour les électrifications sous tensions continues. Les basses tensions pratiquées (maximum 3000 V) conduisent à des intensités élevées pouvant atteindre plusieurs milliers d'ampères, ce qui amplifie les perturbations possibles. De plus ces courants continus peuvent provoquer des phénomènes d'électrolyse provoquant la corrosion de parties métalliques au contact de l'humidité voire le percement de conduites métalliques enterrées. Celles-ci doivent être l'objet de mesures de protection spécifiques.
Analyse du circuit de traction
Les calculs correspondant à cette section sont détaillés dans l'ouvrage Traction électrique [9], chapitre 10.1.3.
La sous-station applique une tension Uss entre la ligne de contact et les rails (donc l'environnement conducteur).
Entre la sous-station et l'engin de traction la ligne décrite ci-dessus présente une impédance Z variable avec la distance qui entraîne une chute de tension ∆U variable également. Au fur et à mesure que l'engin de traction s'éloigne de la sous-station la tension qu'il capte entre la ligne de contact et les rails diminue jusqu'à un minimum acceptable par le matériel.
La fiche UIC n° 600 (norme européenne EN 50-163) fixe les valeurs limites à respecter pour les différents types d'alimentation.
| Tensions en volts | Tension nominale | Minimum permanent | Chute de tension max | Maximum permanent |
|---|---|---|---|---|
| Tensions continues | ||||
| 600 V | 600 | 400 | 200 | 720 |
| 750 V | 750 | 500 | 250 | 900 |
| 1500 V | 1500 | 1000 | 500 | 1800 |
| 3000 V | 3000 | 2000 | 1000 | 3600 |
| Tensions alternatives | ||||
| 15 kV 16,7 Hz | 15000 | 12000 | 3000 | 17250 |
| 25 kV (50/60 Hz) | 25000 | 19000 | 6000 | 27500 |
Impédance du circuit de traction
La longueur du circuit de traction se mesurant en kilomètres, les calculs de chute de tension font appel à l'impédance kilométrique de ce circuit. Celle-ci est complexe à déterminer car elle porte sur la ligne de contact, les rails et l'environnement conducteur.
Sous tension continue, en régime stabilisé, cette impédance se limite à la résistance ohmique, on fait alors appel à la résistance kilométrique du circuit. Pour les applications courantes on peut retenir la valeur de 0,05 Ω/km.
Sous tension alternative, pour tenir compte des effets d'induction et de capacité, il faut travailler en grandeur complexe, le module exprimant la résistance ohmique et le terme imaginaire le déphasage. De plus l'effet de peau se traduit par une augmentation de la résistance ohmique avec la fréquence. De 16,7 à 50 Hz l'impédance kilométrique est multipliée par environ 2,5, ce qui a justifié le choix de la tension en ligne de 25 kV en 50 Hz au lieu de 15 kV en 16,7 Hz.
Chutes de tension en ligne
Produit de l'impédance du circuit de traction par l'intensité maximale débitée sur la ligne de contact cette grandeur permet de prévoir l'espacement entre les sous-stations et de déterminer leur implantation.
Caractéristiques des chutes de tensions
La chute de tension calculée en fonction du déplacement de l'engin de traction dépend de la configuration de la ligne et de son alimentation.
- Ligne à voie unique, une seule sous-station (alimentation en antenne) : depuis la sous-station la chute de tension croît linéairement jusqu'à un maximum ∆Ud à la distance d.
- Ligne à double voie, une seule sous-station, mise en parallèle des lignes de contact à l'extrémité opposée à la sous-station : la chute de tension croît selon une parabole jusqu'à un maximum ∆Ud/2 à la distance d.
- Ligne à voie unique, deux sous-stations (alimentation bilatérale) : la chute de tension suit une parabole centrée sur l'intervalle entre les sous-stations, avec un maximum ∆Ud/4 à la distance d/2.
- Ligne à double voie, deux sous-stations, mise en parallèle des lignes de contact au droit de chaque sous-station et au milieu de l'intervalle : la chute de tension suit deux arcs de parabole avec deux maximum ∆Ud/6 aux distances d/3 et 2d/3.
Intensités prises en compte pour le calcul des chutes de tension
À la puissance requise pour la traction il faut ajouter celle absorbée par les auxiliaires des engins de traction et des véhicules voyageurs ce qui donne la puissance totale.
| Type de train | Performance | Puissance kW | Intensité absorbée sous tension de ligne | |||
|---|---|---|---|---|---|---|
| Traction | Totale | 1500 V | 15000 V | 25000 V | ||
| Train de voyageurs 600 t 1 locomotive 6 MW 84 t | 140 km/h en palier | 1330 | 1880 | 1253 | 125 | 75 |
| Train de marchandises 700 t 2 locomotives 6 MW 84 t | 75 km/h en rampe de 27‰ | 5625 | 5725 | 3817 | 382 | 229 |
| TGV Réseau unité simple, 2 motrices 4400 kW, 8 remorques, plus de 383 t | 200 km/h en palier | 1784 | 2284 | 1523 | 152 | 91 |
| 300 km/h en palier | 5338 | 5838 | 234 | |||
Implantation des sous-stations
Le calcul des chutes de tension en ligne en fonction des caractéristiques de la ligne et du trafic assuré permet de déterminer les intervalles entre sous-stations pour respecter les minima de tension présentés plus haut.
| Intervalles entre sous-stations km | Puissance par sous-station MW ou MVA | |
|---|---|---|
| Continu 1500 V | 8 à 14 25 sur lignes à faible trafic | 3 à 12 |
| Monophasé 16,7 Hz 15 kV | 30 à 60 | 10 à 30 |
| Monophasé 50 Hz 25 kV | 30 à 60 | 10 à 60[10] |
Sous 50 Hz 25 kV les résultats sont identiques au 16,7 Hz 15 kV. Cela est dû à deux éléments :
- en 50 Hz, l'impédance est plus élevée, donc les chutes de tension plus importantes, ce qui a justifié le passage de 15 à 20 puis 25 kV;
- l'alimentation des sous-stations 50 Hz se faisant par ponction monophasée depuis le réseau triphasé, pour limiter le déséquilibre de celui-ci les sous-stations ne sont pas mises en parallèle. Elles sont séparées par une section neutre. C'est donc le schéma d'alimentation “en antenne” évoqué plus haut ce qui limite les longueurs de ligne de contact alimentées par une sous-station.
Notes et références
- ↑ Machine électrique#Machine à courant continu
- ↑ Machine électrique#Machines à courant alternatif
- 1 2 Christian Courtois et Jean Coumel, « Traction électrique ferroviaire - Dynamique ferroviaire et sous-stations », Systèmes ferroviaires, (DOI 10.51257/a-v2-d5501, lire en ligne, consulté le )
- ↑ Luc Lasne, Énergie électrique, Dunod, coll. « Sciences sup », (ISBN 978-2-10-077883-6)
- ↑ Traction électrique, Presses polytechniques et universitaires romandes [diff. Géodif], coll. « Électricité », (ISBN 978-2-88074-674-2)
- 1 2 Luc Lasne, Électronique de puissance, Dunod, coll. « Sciences sup », (ISBN 978-2-10-080935-6)
- 1 2 3 (en) R.J. Hill, « Electric railway traction. Part 3: Traction power supplies », Power Engineering Journal, vol. 8, no 6, , p. 275–286 (ISSN 0950-3366, DOI 10.1049/pe:19940604, lire en ligne, consulté le )
- ↑ Tsai-Hsiang Chen, « Criteria to estimate the voltage unbalances due to high-speed railway demands », IEEE Transactions on Power Systems, vol. 9, no 3, aug./1994, p. 1672–1678 (DOI 10.1109/59.336089, lire en ligne, consulté le )
- ↑ Traction électrique (Presses Polytechniques et Universitaires Romandes, Lausanne - 2008)
- ↑ P266/386_https://rer-eole-fr-uploads.s3.eu-west-3.amazonaws.com/app/uploads/2018/08/23120506/DAM_STIF_RFF_AVP_EOLE.pdf
Voir aussi
Articles connexes
Liens externes
- Portail du chemin de fer
- Portail de l’énergie
- Portail de l’électricité et de l’électronique