Système de transmission flexible en courant alternatif
Un système de transmission flexible en courant alternatif, plus connu sous l'acronyme anglais de FACTS (pour Flexible Alternating Current Transmission System) est un équipement d'électronique de puissance d'appoint utilisé pour contrôler la répartition des charges dans le réseau en améliorant ainsi la capacité de transit et en réduisant les pertes, pour contrôler la tension en un point ou assurer la stabilité dynamique des réseaux de transmission d'électricité et des groupes de productions qui y sont connectés. Il peut également filtrer certaines harmoniques et donc améliorer la qualité de l'électricité.
La libéralisation du marché de l'électricité et l'intégration d’énergies renouvelables intermittentes a pour conséquences que la production est parfois très éloignée des lieux de consommation, elle n'est également plus aussi prévisible qu'auparavant, les capacités de transit du réseau doivent donc être augmentées, les goulots d'étranglement du réseau aménagés. Le manque d'acceptation de l'opinion publique pour la construction de nouvelles lignes électriques à haute tension et de nouvelles centrales électriques incite les gestionnaires de réseau à construire des FACTS afin d'augmenter les capacités de transit du réseau.
Les FACTS sont très nombreux. Ils font toujours partie de la famille des compensations électriques actives, mais cette compensation est série, parallèle (shunt) ou hybride, c'est-à-dire série et parallèle à la fois. Ils sont principalement constitués de capacités et d'inductances pour générer la puissance réactive, ainsi que d'électronique de puissance ou de disjoncteurs pour interrompre et rétablir le courant au travers des premiers éléments. Un transformateur est parfois utilisé pour diminuer la tension à laquelle sont soumis les autres composants. Les types de FACTS les plus répandus sont les bancs de capacités séries (commutées mécaniquement ou par thyristors), les SVC, qui combinent capacité et inductance en parallèle à la ligne, les STATCOM et SSSC qui sont des sources de tension placées respectivement en parallèle et en série à la ligne.
Fonctions
Contrôle du transit de puissance


En temps normal les lignes électriques sont chargées dans une fourchette allant de un tiers à la moitié de leur capacité maximale. En cas de surcharge, une ligne peut atteindre sa limite, elle déclenche alors en quelques secondes, ce qui entraîne la surcharge des lignes avoisinantes qui déclenchent à leur tour, on a alors des déclenchements en cascade qui conduisent à une coupure d'électricité généralisée. Les FACTS tentent d'équilibrer la charge entre les lignes pour prévenir cette situation. Si un défaut a malgré tout lieu, il tentera de rééquilibrer la charge entre les différentes lignes pour arrêter la cascade de déclenchements[1].
De plus, un meilleur équilibrage des charges (comprendre courant) entre lignes réduit les pertes[2]. Dit autrement, ils permettent d'éviter la formation de boucle de courant[3]. En effet, les pertes prennent essentiellement la forme de pertes Joule et sont donc proportionnelles au carré du courant, en diminuant le courant par un facteur 2, on réduit les pertes par 4.
Les puissances active P et réactive Q transportées dans une ligne électrique en courant alternatif s'expriment comme suit pour une ligne sans perte[4] :
Où V1 et V2 sont les tensions aux bornes de la ligne, X la réactance de la ligne, et l'angle de transport, autrement dit le déphasage entre V1 et V2. Pour résumer, 3 paramètres sont importants : l'amplitude des tensions, l'angle de transport et l'impédance[5]. Pour les réseaux en courant alternatif, le contrôle lie la puissance active à la fréquence d'une part, et la puissance réactive au contrôle de la tension de l'autre[2].
Pour régler le transfert de puissance, on peut donc choisir de contrôler l'amplitude des tensions, la valeur de l'impédance ou l'angle de transport :
- Les condensateurs ou bobines montés en série permettent de changer la valeur de l'impédance. Les condensateurs série permettent de diminuer l'impédance des liaisons électriques et d'augmenter la puissance transmissible par ces liaisons (une liaison électrique haute-tension étant essentiellement inductive). D'une certaine manière, on peut dire qu'ils réduisent la longueur de la ligne[6]. À l'inverse, les inductances série augmentent l'impédance d'une liaison électrique, afin de mieux répartir les courants sur les différentes liaisons.
- Les condensateurs ou bobines montés en shunt permettent de changer l'amplitude de la tension en un point. En effet, les condensateurs shunts fournissent de la puissance réactive, et augmentent localement la tension du réseau. Tandis que les réactances shunt consomment de la puissance réactive, et diminuent la tension du réseau.
- Les déphasages créés par les UPFC ou les transformateurs déphaseurs influent sur l'angle de transport. Dans le cas, où plus de deux lignes sont en parallèle mais n'ont pas la même longueur « électrique », c'est-à-dire le même angle de transport, un réglage de ce dernier paramètre permet de rééquilibrer la charge[7]. Elle évite également les boucles de courant[8].
Dit autrement, les condensateurs et les bobines permettent au FACTS de fournir ou de consommer dynamiquement de la puissance réactive sur le réseau[9]. Ceci a pour effet d'augmenter ou de diminuer l'amplitude de la tension à son point de connexion, et par conséquent la puissance active maximale transmissible.
L'objectif est d'augmenter la capacité de transit de puissance en s'approchant des limites thermiques des lignes[2]. La mauvaise acceptation publique pour les lignes électriques, pour des raisons environnementales principalement, rend cet usage des FACTS de plus en plus répandu[10]. Il est bon toutefois de rappeler que le FACTS ne change pas cette limite thermique et ne peut donc augmenter indéfiniment la puissance électrique transportable d'une ligne électrique à haute tension. Les dispositifs FACTS ne remplacent donc pas la construction de nouvelles lignes. Ils sont un moyen de différer les investissements en permettant une utilisation plus efficace du réseau existant[2].
Contrôle de la tension en régime stationnaire
Les longues lignes ont tendance à avoir des surtensions à leurs extrémités en cas de faible charge, on parle d'effet Ferranti, et au contraire une faible tension en cas de forte charge. Pour maintenir une tension constante, ou du moins pour ne pas dépasser les limites imposées par la régulation, un FACTS monté en parallèle peut être intéressant[11].
La compensation est localisée dans des postes qui sont répartis à des endroits stratégiques sur la ligne. Puisque la compensation n'est pas répartie d'une façon uniforme, il est impossible de maintenir la tension à sa valeur nominale en tout point de la ligne. Il est donc important de bien sélectionner les endroits où la compensation shunt est installée pour éviter que la tension ne s'écarte trop de sa valeur nominale[2].
Si le SVC fonctionne en réglage de tension, le système de contrôle ajuste le courant dans le SVC de façon que courant et tension suivent une courbe caractéristique[2].
Stabilité dynamique
Dans le réseau, la génération d'électricité est assurée par des machines synchrones. Les défauts sur les lignes, les ouvertures et fermetures de sélecteur, les pannes de certains équipements peuvent faire osciller la puissance active des générateurs, concrètement les axes des générateurs se mettent à accélérer, d'autres à décélérer. Autrement dit, l'angle de transport se met à osciller. La capacité du réseau à retrouver son synchronisme, est appelée stabilité dynamique[12].
Les FACTS permettent de régler la tension et l'angle de transport rapidement et permettent ainsi d'amortir les oscillations de puissance active[9] et augmente ainsi la disponibilité et la fiabilité du réseau[9]. En mode transitoire, en cas de défaut, le temps de réaction doit être inférieur à 100 ms[1].
Qualité de l'électricité
Les fournisseurs d'électricité doivent assurer une bonne qualité de la tension, cela veut dire une fréquence et un niveau de tension aussi constants que possible, une forme d'onde sinusoïdale et enfin une symétrie entre phases. Cependant le réseau peut subir les défauts suivants[2] :
- les creux de tension et coupures brèves. (Leur durée peut aller de 10 ms à plusieurs secondes) après court-circuit dans le réseau.
- les variations rapides de tension (flicker).
- les surtensions temporaires ou transitoires (durée inférieure à 1 seconde).
- les interruptions courtes ou coupure brève (de 1/2 cycle à 3 secondes).
- un déséquilibre de tension.
Ces défauts peuvent venir du réseau lui-même ou des clients, occasionnels, comme les orages, ou récurrents, comme le démarrage de machines industrielles tel un four à arc[2]. Les FACTS limitent les effets des défauts et des défaillances de l'équipement grâce à leur contrôle de tension par exemple[2].
Au niveau de la forme d'onde des filtres sont souvent associés aux FACTS afin de limiter les harmoniques environnants ou créés par l'installation elle-même. Voir paragraphe filtres.
Limiter les courants de court-circuit
Certains FACTS, comme les TCSR et les IPC, dans certaines configurations, peuvent également limiter le courant de court-circuit[11].
Histoire
Les premiers FACTS sont apparus dans les années 1930 afin d'augmenter la capacité de certaines lignes ayant une forte impédance[13]. Les compensateurs montés en série sont utilisés depuis plus de 60 ans dans le monde[7].
Les premiers SVC sont apparus dans les années 1970 et ont été développés par l'EPRI[3]. Le premier a été mis en service au Nebraska en 1974 par General Electric pour stabiliser la tension devenue fluctuante à cause des laminoirs et des fours à arc environnants[2],[14]. C'est durant la même période que les thyristors ont commencé à être employés[10].
Les GTO sont commercialisés depuis la fin des années 1980[10]. Le premier TCSC a été construit en 1992 par ABB à Kayenta aux États-Unis, il a permis d'augmenter la capacité de transmission de la ligne de 30 %[14],[3]. Le principe du STATCOM a été inventé en 1976 par Laszlo Gyugyi. Le premier a été installé à Inuyama au Japon en 1991. Il a été commercialisé par Kansai Electric Power Corporation et Mitsubishi Electric Power Corporation. Le second a été installé à Sullivan au Nord-Est du Tennessee par Westinghouse Electric Corporation aux États-Unis en 1995[15]. Le principe de l'UPFC a été présenté en 1990 par Laszlo Gyugyi[16]. Le premier UPFC a été mis en service en 1998 au poste électrique de AEP Inez pour le compte d'American Electric Power[17],[3].
Dans le début des années 1990, le Royaume-Uni et la Norvège ont dérégulé leur marché électrique. Par la suite, les autres pays scandinaves et l'Europe en général a emboîté le pas. Aux États-Unis et en Amérique du Sud, le marché est également largement libéralisé. Alors que le réseau de transmission électrique est considéré comme un monopole naturel en Europe, l'Australie, la Nouvelle-Zélande et les États-Unis l'ont également partiellement libéralisé. Cela rend la prédiction des flux d'énergie beaucoup plus difficile. Il devient nécessaire de développer le réseau et de le rendre plus contrôlable avec des FACTS par exemple[18].
Dans le futur, l'utilisation de semiconducteurs à large bande comme le carbure de silicium ou le nitrure de gallium permettrait selon les études à la fois d'obtenir des composants ayant une plus haute tension et des pertes réduites par rapport à ceux actuels fabriqués en silicium[19].
Types de FACTS
Le terme FACTS désigne en fait une classe d'équipements qui regroupe une longue liste de sigles (anglophones en général) ; De manière synthétique on peut les classer comme suit[20] :
| Commande conventionnelle (électromécanique) | Dispositif FACTS (électronique de puissance) | ||
|---|---|---|---|
| RLC, transformateurs | À base de thyristors | À base de convertisseurs de tension (GTO, IGCT ou IGBT) | |
| Dispositif shunt | Compensateur shunt(L ou C): MSC ou MSR | SVC | STATCOM |
| Dispositif série | FSC | TCSC, TCSR (moins courant) | SSSC |
| Dispositif hybride | transformateur déphaseur (PST) | IPFC | UPFC |
| Autre dispositif hybride | HVDC Back-to-Back LCC | HVDC Back-to-Back VSC | |
Une construction à base d'électronique de puissance a l'avantage d'être beaucoup plus rapide qu'une construction mécanique, ce qui permet de réagir à des défauts transitoires[16] et de s'adapter instantanément à la charge. Ceux commutés mécaniquement sont lents, peuvent être commutés seulement quelques fois par jour et servent à corriger des problèmes prévisibles et souvent cycliques[10].
Les FACTS à convertisseurs de tension ont l'avantage d'être plus compacts que ceux à thyristors. Il y a donc moins souvent besoin d'agrandir les stations électriques et donc d'acheter du terrain, ce qui est un avantage[21].
Des convertisseurs montés en source de courant sont théoriquement possibles, mais sont moins intéressants économiquement et en matière de performances[10].
Parallèles
La compensation parallèle agit principalement sur la tension et en limite les oscillations[9]. Elle peut également limiter les oscillations de puissance active, mais est moins efficace dans ce rôle que la compensation série[22]. Elle fonctionne en source de courant[23]. Le choix de leur emplacement est déterminant[22].
- MSC (Mechanically Switched Capacitor) : condensateur commuté mécaniquement, parfois arrangé sous forme de filtre anti-harmonique. Permet de stabiliser la tension en cas de forte charge. (50 = MVAr = 500)[9]
- MSR (Mechanically Controlled Reactor) : inductance commutée mécaniquement. Permet de stabiliser la tension en cas de faible charge. (50 = MVAr = 500)[9]
- TSC (Thyristor-Switched Capacitor) : condensateur commuté par thyristors[16]. L’inductance d’atténuation présente en série, sert à limiter le courant en cas de fonctionnement anormal et à éviter la résonance avec le réseau à des fréquences particulières[2]. En pratique plusieurs capacités sont montées en parallèle, la connexion d'une ou plusieurs capacités de manière discrète permet de contrôler la valeur totale de la capacité connectée au réseau[10].
- TSR (Thyristor-Switched Reactor) : inductance commutée par thyristors[9].
- TCR (Thyristor-Controlled Reactor) : inductance contrôlée par thyristors[16]. Ainsi il ne consomme pas toujours l'intégralité de la puissance réactive possible.
Soit l'angle de retard des thyristors du TCR noté Le courant dans le TCR est:
- pour
et
- sinon
En utilisant une transformée de Fourier on trouve :
On peut calculer alors une susceptance équivalente avec cette valeur de la fondamentale du courant, on pose :
Par identification [10]:
Au delà de 90° le courant n'est plus parfaitement sinusoïdale, on a alors production d'harmoniques[10].
Pour alpha = 90°, la tension est en bleu, le courant en rouge
Pour alpha = 100°, la fondamentale du courant est en vert
Pour alpha = 130°, la fondamentale du courant est en vert
Pour alpha = 150°, la fondamentale du courant est en vert


- SVC (Static VAR Compensator) : compensateur d'énergie réactive shunt, dit aussi CSPR (compensateur statique de puissance réactive) ou statocompensateur, combinent TCR, TSC, bancs de capacités fixes et filtres d'harmoniques, dont le premier modèle a été installé en 1979 en Afrique du Sud[16], est le plus répandu des FACTS. Ils se comportent comme une susceptance variable connectés en shunt au réseau[10]. Ils permettent à la fois d'augmenter et de diminuer la tension, répondant ainsi aux exigences en cas de faible et de forte charge (50 = MVAr = 1000)[9].
Les SVC ont un temps de réponse de l'ordre de 30 à 40 ms ce qui est beaucoup plus rapide que les interrupteurs mécaniques dont le temps de réponse est d'environ 100 à 150 ms[9]. Par ailleurs, les FACTS à interrupteurs mécaniques sont peu flexibles et leurs coûts de maintenance élevés[6].
- TCBR (Thyristor Controlled Braking Resistor) : Ce type de compensateur connecté en parallèle est utilisé pour améliorer la stabilité du réseau pendant la présence des perturbations[16].
- STATCOM (Static Compensator) ou SVG (Static VAR generator) : il sert à compenser l'énergie réactive dans la ligne, il est branché en shunt.
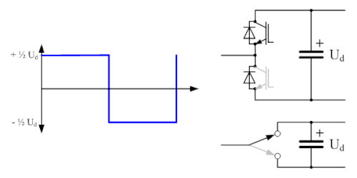
Il correspond basiquement en un circuit à courant continu, constitué dans sa plus simple forme par un condensateur, relié par l'électronique de puissance à la ligne. Cet ensemble se comporte comme une source de tension, en la réglant on peut contrôler l'échange de puissance réactive entre ligne et STATCOM. Ainsi, si la tension en sortie du STATCOM est plus élevée que celle de la ligne, le courant s'écoule dans la réactance vers la ligne apportant de la puissance réactive à celle-ci. La source de tension peut être à deux niveaux ou multi-niveaux. L'électronique de puissance peut être réalisée à l'aide de GTO, IGCT ou IGBT[25],[26].
STATCOM en détail[25]
Schéma équivalent d'un STATCOM[25]
Le STATCOM peut régler sa tension VT pour fournir ou absorber de la puissance réactive à la ligne. Il est capable de fournir son courant nominal, même lorsque la tension est presque nulle[27]
Un des avantages du STATCOM est de pouvoir fournir une quantité importante de puissance réactive même quand la tension du réseau est basse à l'inverse d'un SVC[28]. Son temps de réponse est également très faible[27].
| Paramètre | échange de puissance |
|---|---|
| VSTATCOM > Vligne | Puissance réactive envoyée vers la ligne |
| VSTATCOM < Vligne | Puissance réactive consommée par le STATCOM |
| Angle de transport du STATCOM > Angle de transport de la ligne | Puissance active envoyée vers la ligne |
| Angle de transport du STATCOM < Angle de transport de la ligne | Puissance active consommée par le STATCOM |
- D-Statcom : idem mais pour les réseaux de distribution.
Série
La compensation série agit principalement sur la réactance. Elle réduit ainsi le rapport de dépendance tension/charge, et peut influer sur la répartition de la charge entre différentes lignes[9]. Ses capacités d'amortissement des oscillations de puissance active sont bonnes[22]. Elle fonctionne comme une source de tension[23]. Le choix de leur emplacement n'est pas aussi sensible que dans le cas de compensation parallèle[22].
- FSC (Fixed Series capacity) est constitué d'une capacité qui peut être connecté ou non à la ligne. Influence la valeur de l'inductance de la ligne. Il permet aussi de limiter les résonances sous-synchrones[9].
- TCSR (Thyristor Controlled Serie Reactor) est constitué d'une bobine mis en série avec des thyristors, le tout mis en parallèle avec une autre bobine[2].

- TCSC (Thyristor Controlled Serie Capacitor) est constitué d'un condensateur mis en parallèle avec des thyristors et une bobine en série. Leur contrôle permet de faire varier la longueur électrique de la ligne. La bobine en série avec les thyristors se comportent comme un TCR, mais comme l'impédance de la capacité est inférieure à celle de la ligne, les harmoniques ne se propagent que très peu dans le réseau[10].


- TSSC (Thyristor Switched Serie Capacitor) est un TCSC qui ne peut être que connecté ou déconnecté.
- TSSR (Thyristor Switched Serie Reactor) est un TCSR qui ne peut fonctionner qu'avec un angle de retard de 90 ou 180°[2].
- TPFC (Thyristor Protected Series Capacitor) Fonctionne comme un FSC en influençant l'inductance de la ligne, à la différence qu'au lieu d'être protéger par des parafoudres, des thyristors sont utilisés pour shunter le courant en cas de besoin (QN = 401 MVAr)[9].
- SSSC (Static Synchronous Series Compensator) : compensateur série (réactances ou condensateurs). Ce type de compensateur série (Compensateur Synchrone Statique Série) est le plus important dispositif de cette famille. Il est constitué d'un onduleur triphasé, autrement dit une source de tension, couplé en série avec la ligne électrique à l'aide d'un transformateur, cela permet de faire varier la capacité ou l'impédance vues par la ligne. Le contrôle du déphasage entre cette source de tension et la tension de la ligne permet également d'influer sur le transit de puissance active. Mieux, si une source de puissance en courant continu est présente dans le SSSC, celui-ci peut compenser la résistance de la ligne, améliorant le ratio X/R ce qui augmente considérablement la puissance pouvant transiter sur la ligne. Ainsi un SSSC peut faire varier à la fois la puissance active et réactive indépendamment du courant traversant la ligne électrique contrairement aux FSC et TCSC[16],[32].
Hybrides (série - parallèle)




- UPFC (Unified Power Flow Controller) ; Il permet d'influer indépendamment sur la tension, l'impédance et le déphasage. Il peut également limiter le courant de court-circuit[16]. Le principe de l'UPFC consiste à dériver une partie du courant circulant dans la ligne pour le réinjecter avec une phase appropriée. Le convertisseur 1, connecté en parallèle, a pour fonction de prélever la puissance active et de la délivrer au convertisseur série 2. Ce dernier génère une tension Upq contrôlée en amplitude et en phase, qui est insérée dans la ligne[2]. Il peut être comparé à un transformateur déphaseur pouvant de plus jouer sur la puissance réactive[35]. Les UPFC sont les FACTS les plus sophistiqués et également les plus chers[36].
- IPFC (Interline Power Flow Controller) ; Il a été proposé en 1998. Il utilise des convertisseurs DC-DC placés en série avec la ligne à compenser[16]. Concrètement, il est utilisé dans le cas de lignes multiples reliées à un même poste. L'IPFC est formé de plusieurs SSSC, chacun d'eux fournissant une compensation série à une ligne différente[2]. L'IPFC permet de transférer de la puissance active entre les lignes compensées pour égaliser les transits de puissances active et réactive sur les lignes ou pour décharger une ligne surchargée vers une autre moins chargée. Les tensions injectées possèdent une composante en quadrature et une composante en phase avec les courants respectifs des lignes. La composante en quadrature permet une compensation série indépendante dans chaque ligne, alors que la composante en phase définit le niveau de puissance active échangée avec les autres lignes. Sur la liaison continue, le bilan est toujours nul[2].
- IPC (Interphase Power Controller) Il s'agit d'un dispositif de contrôle qui est composé de deux impédances par phase: l'une inductive et l'autre capacitive, chacune étant directement liée à une unité de déphasage. Les valeurs de ces impédances sont élevées afin de limiter les courants en cas de court-circuit. De par sa conception, l'IPC a les aptitudes suivantes

- TCPAR (Thyristor Controlled Phase Angle Regulator) ou TCPST (Thyristor Controlled phase-shifting transformer) ou SPS (Static Phase Shifters)[39] est un transformateur déphaseur dont le changeur de prises est réalisé à base de thyristors afin de lui permettre de répondre aux régimes transitoires. Les changeurs de prises mécaniques sont en effet trop lents pour cet usage. Il ne peut pas générer ou absorber de la puissance réactive mais peut la répartir entre les phases, c'est un des désavantages du système. Même si leur principe est clair, ce système reste pour l'instant à l'état de projet[40],[16].

- VFT (Variable frequency transformer) est un transformateur rotatif, il permet de connecter deux réseaux asynchrones entre eux. Ce faisant, il peut régler l'angle de transport[41]. C'est un transformateur triphasé à deux enroulements avec un secondaire tournant. General electric défend l'idée que ce système est très fiable et nécessite peu de maintenance à cause de sa faible complexité. En cas de défaut sur l'un des deux réseaux connectés, le transfert de puissance n'est pas interrompu. Il a pour défaut de consommer de la puissance réactive, il faut donc y ajouter des bancs de capacités. Par ailleurs, il n'est pas dynamique à cause de l'inertie de son axe[10].
- Transformateur Sen du nom de ses inventeurs, est un transformateur rotatif, il crée un impédance réglable en série sur la ligne, émulant ainsi soit une capacité, soit une inductance. Il permet également de régler l'angle de transport. Dispositif lent à la base, un changeur de prises à base de thyristor peut permettre, à la manière du TCPAR, de répondre aux phénomènes transitoires. Sinon un changeur de prises mécanique peut être construit[42].
- GUPFC (Generalized unified power flow controller) Consiste en deux convertisseurs : 1 monté en shunt, et deux montés en série sur deux lignes électriques différentes dans un poste électrique.
Il permet de contrôler la tension, ainsi que la puissance active et réactive transitant sur les deux lignes. La puissance active est échangée entre les convertisseurs séries et parallèle à l'aide d'un élément en courant continu commun[43].
Autres équipements assimilables
HVDC

Un HVDC dit « back to back » (littéralement: dos à dos, meilleure traduction: têtes-bêches), dont les deux extrémités sont sur le même lieu et qui ne comporte donc pas de ligne de transmission à courant continu, peut être assimilé à un FACTS, puisque son unique rôle est de commander le transit de puissance entre deux réseaux alternatifs. Dans ce cas, il peut être appelé GPFC (Grid Power flox controller)[44].
Ils peuvent être de deux types: soit à base de thyristors et donc commutés par les lignes, ce qu'on note « LCC » (line commutated converter), ils fonctionnent alors en source de courant ; soit à base d'IGBT et donc autocommutés, ils fonctionnent alors en source de tension d'où leur nom de « VSC » (voltage source converter). Ces derniers convertisseurs permettent de contrôler indépendamment la puissance active et réactive, qui sont corrélées respectivement à l'angle de transport et à la tension de la station[10].
Systèmes de stockage d'énergie
Les systèmes de stockage temporaire d'énergie ne sont pas à proprement parler des FACTS, mais peuvent leur être combinés ou associés et participer à la qualité du réseau électrique :
- BESS (Battery Energy Storage System) : stockage d'énergie par batterie ; Généralement, les unités BESS sont relativement petites mais permettent un échange de puissance élevée. Leur capacité à ajuster rapidement la quantité d'énergie à fournir ou à absorber est utilisée pour la stabilité transitoire[2];
- SMES (Superconducting Magnetic Energy Storage) : stockage d'énergie par inductance supraconductrice.



Le SMES sert principalement au contrôle dynamique des transits de puissance dans le réseau électrique[2].
- SCES (Super Capacitor Energy Storage) stockage d'énergie par supercondensateur ;
- KESS (Kinetic Energy Storage System) : stockage sous forme d'énergie cinétique ;
- CAES (Compressed Air Energy Storage) : stockage d'énergie par air comprimé.
Transformateur déphaseur
Bien que très différents des FACTS par leur technologie, les transformateurs déphaseurs ont un rôle analogue aux FACTS : contrôler les transits d'énergie dans un réseau électrique. Il s'agit de transformateurs assez classiques, dont le rapport de transformation est voisin de 1, mais dont les tensions d'entrée et de sortie sont déphasées d'un angle en général réglable. Le contrôle de cet angle permet de modifier le transit de puissance[45]. Ils sont abréviés PST (phase-shifting transformer) ou PAR (Phase angle regulator) s'ils sont contrôlés par des thyristors TCPST[46].
Les quadrature booster transformers, QBT sont également des transformateurs déphaseurs, mais dont le fonctionnement est légèrement particulier. La tension qu'ils apportent, UT, est en effet toujours orthogonale à la tension d'entrée : [45].
Synthèse
Le choix du type de FACTS doit être effectué en fonction de la configuration du réseau, aucune conclusion générale ne peut être faite. On peut toutefois lister les forces des différents systèmes[22] :
| SVC | STATCOM | CSC | TCSC | Transformateur déphaseur | UPFC | IPC | SSSC | HVDC | |
|---|---|---|---|---|---|---|---|---|---|
| Contrôle de la tension | +++ | +++ | + | + | + | +++ | + | + | ++ |
| Contrôle du transit de puissance (réseau maillé) | 0 | 0 | + | ++ | +++ | +++ | +++ | ++ | +++ |
| Stabilité dynamique (ligne point à point) | + | + | +++ | +++ | ++ | +++ | +++ | +++ | +++ |
| Amortissement des oscillations de puissance (ligne point à point) | + | + | +++ | +++ | ++ | +++ | +++ | ||
| Amortissement des oscillations de puissance (réseau maillé) | + | + | + | ++ | ++ | +++ | +++ |
En 2005, la puissance cumulée des FACTS installés dans le monde était d'environ 90 000 MVAR, répartie comme suit [20]:
| Type | Nombre | Puissance cumulée en MVA |
|---|---|---|
| SVC | 600 | 90 000 |
| STATCOM | 15 | 1 200 |
| Compensation série | 700 | 350 000 |
| TCSC | 10 | 2 000 |
| HVDC tête bêche | 41 | 14 000 |
| UPFC | 2-3 | 250 |
Construction
Types de semiconducteurs utilisés
À thyristors


Les FACTS de première génération utilisent des thyristors qui servent à enclencher et à déclencher les composants servant à consommer ou à fournir de la puissance réactive, concrètement les bobines et les condensateurs. Les thyristors sont enclenchés avec un certain angle d'allumage a et conduisent alternativement sur une demi-période. On définit l'angle d'allumage a à partir du passage par zéro dans le sens positif de la tension aux bornes du thyristor à allumer. L'angle de conduction est l'angle pendant lequel les thyristors conduisent. Un thyristor se met à conduire quand un signal de gâchette lui est envoyé et la tension à ses bornes est positive. Il s'arrête de conduire lorsque le courant qui le traverse s'annule. On dit qu'ils sont commutés par les lignes, à la fréquence du réseau[2].
Afin d'amorcer les thyristors, la commande d'amorçage doit être transmise de manière simultanée à un grand nombre de composants situés à des potentiels différents. La liaison doit donc être isolée électriquement. Deux méthodes sont utilisées : optique (à base de fibres) et magnétique. La technologie optique pouvant amorcer directement ou indirectement les thyristors. Dans la méthode indirecte, l'électronique de commande située à basse tension envoie une information à l'électronique sous haute tension, qui fournit la puissance nécessaire à l'amorçage de la tension aux bornes du thyristor. La méthode directe par contre utilise l'énergie de l'impulsion optique pour amorcer le thyristor à amorçage lumineux[47],[9].

Au niveau des caractéristiques les thyristors peuvent avoir à leurs bornes une tension allant jusqu'à 8 kV et peuvent conduire de manière continue un courant allant jusqu'à 4,2 kA[9].
À GTO ou IGBT
Les GTO et les IGBT, contrairement aux thyristors, peuvent s'ouvrir et se fermer quand bon leur semble, ils sont totalement contrôlés. Les éléments qui peuvent se commuter permettent en général d'obtenir de meilleures performances, d'avoir un meilleur contrôle des paramètres[48]. Ils permettent en particulier de réaliser des sources de tensions alternatives à partir d'une source de tension continue comme une capacité[10].


Les GTO permettent d'atteindre une fréquence de commutation d'environ 1 kHz, les IGBT jusqu'à 10 kHz[10]. Un autre avantage des IGBT par rapport aux GTO est qu'ils peuvent régler la variation de courant et des tensions, respectivement di/dt et dv/dt, cela rend superflu l'ajout d'une bobine pour limiter la montée du courant[49].
Pour obtenir un courant nominal élevé un IGBT est constitué de plusieurs puces montées en parallèle dans le même assemblage. La diode de roue libre permet d'assurer le passage du courant en sens opposé et d'éviter l'apparition d'une tension opposée. Si un IGBT est défaillant, il faut le court-circuiter pour permettre le fonctionnement des IGBTs sains restants, pour cela un interrupteur, typiquement un thyristor, doit être monté en parallèle avec les modules[49].
Les IGBT génèrent des pertes qu'on peut diviser en 2 catégories : pertes par conduction, pertes par commutation. Ces dernières sont assez importantes, l'IGBT ayant à ses bornes à la fois une haute tension et un courant important lors de sa commutation[50].
Trois stratégies existent pour connecter et contrôler les GTO et IGBT, soit à deux niveaux avec modulation de largeur d'impulsion, soit à deux niveaux avec commutation à la fréquence du réseau, soit une construction en multi-niveaux[10]. La modulation à largeur d'impulsion permet de reproduire une tension de fondamentale sinusoïdale avec seulement deux niveaux discrets de tension, la fréquence de commutation est plus élevée que celle du réseau. Outre son haut niveau d'harmonique, cette méthode a le défaut d'entraîner de forte perte par commutation. Il existe également une technologie où les semiconducteurs sont ouverts ou fermés seulement une fois par cycle, les pertes de commutation sont alors moins élevées, mais le transformateur doit être adapté en conséquence.
Transformateur
Un transformateur est souvent présent entre la ligne et l'électronique de puissance afin d'abaisser la tension vu par ces derniers composants. Ainsi l'isolation électrique pour le système de refroidissement et entre la partie haute tension et la partie contrôle, en basse tension, est limitée et donc plus économique[32].
Un autre avantage des transformateurs triphasés est de permettre de filtrer la troisième harmonique si leur couplage est étoile-triangle. Pour les TCR la logique est poussée plus loin, en installant un transformateur étoile-étoile-triangle (YNyn0d5), les TCR sont connectés au secondaire et au tertiaire. Dans ce cas, si les charges sont équilibrées les harmoniques 5 et 7 sont également filtrées[10].
Filtres
Les TCR sont caractérisés par une forte production d'harmoniques d'ordre 5, 7, 11 et 13[9].
Les TSC ne génèrent pas de distorsions[9],[10]. Bien que les condensateurs commutés par thyristors ne produisent eux-mêmes pas d'harmoniques, on a installé des réactances afin d'éviter l'amplification des harmoniques existantes dans le réseau[2].
Les MCR peuvent causer des harmoniques si le réacteur a un noyau de fer et qu'il sature[10]. Les FACTS utilisant des technologies multi-niveaux à IGBT typiquement causent peu d'harmoniques[10],[51].
Pour limiter ces harmoniques, ou celles venant de l'extérieur, des filtres passe-haut ou passe-bas sont installés pour les limiter. Ils sont connectés aux jeux de barres par l'intermédiaire de disjoncteurs[9].
Équations de la puissances avec FACTS
CSC
L'inductance du condensateur est notée XC. En présence d'un CSC, les formules de la puissance active et réactive transmise deviennent[52] :
SVC

La susceptance du SVC est notée BSVC[53].
SVG ou STATCOM
On peut aussi écrire, que la puissance apportée par le STATCOM vaut[10]:
Transformateur déphaseur
SSSC
Avec la tension V1 considérée égale à V2 [56]:
La puissance apportée par le SSSC vaut[57]
Avec la phase de la tension produite par le SSSC, les phases respectivement en entrée et en sortie de la ligne. Si le SSSC n'échange aucune puissance active avec le réseau la première équation donne :
Autrement dit, la tension du SSSC, la tension série injectée doit être toujours orthogonale au courant de la ligne pour assurer une pure compensation réactive.
IPC
UPFC
Aménagement en conteneur
Les STATCOM et les SSSC sont souvent[60] placés dans des conteneurs. Dans le détail, chez ABB et chez Siemens les convertisseurs IGBT, les capacités côté courant continu, le système de contrôle de l'installation et le système de refroidissement des convertisseurs est à l'intérieur, tandis que le transformateur, les bobines et les échangeurs de chaleur sont à l'extérieur[9]. Outre l'avantage de la standardisation pour le fabricant, et donc de réduction des coûts, de rendre un préassemblage possible ce qui limite le travail sur site, et de la limitation du bruit, un conteneur présente l'avantage permettre une relocalisation plus aisée du FACTS[32]. Cela est rendu possible grâce au faible niveau d'harmoniques des STATCOM et donc au faible risque de résonance avec le réseau préexistant. Il n'est pas nécessaire de redimensionner les filtres à chaque relocalisation[51].
Cela est un avantage car ces dispositifs sont souvent utilisés pour renforcer un réseau faible, or il est parfois difficile pour les gestionnaires de réseau de prévoir l'évolution de celui-ci à long terme. En cas de construction d'une centrale électrique dans les environs, le FACTS devient inutile et pourrait être réemployé ailleurs, le conteneur simplifie l'opération[61].
Commande
Pour un FACTS

Le système de commande est une partie essentielle des FACTS. Les SVC peuvent selon le cas être contrôlés en tension, en puissance réactive (apportée à la ligne), en amortissement des oscillations de puissance[9], ou en puissance active (transitant dans la ligne)[21]. Les STATCOM peuvent soit être contrôlés en puissance active et réactive, soit en tension et angle de transport[21].
En cas de défaut et de risque d'oscillations de la puissance, la boucle d'amortissement peut prendre le relais de la boucle de tension. Cette boucle d'amortissement est également appelée stabilisateurs des systèmes de puissance (PSS en anglais)[27].

Le moyen le plus classique de réaliser un PSS utilise le principe du « Lead-lag controller ». La boucle d'amortissement des oscillations de puissance du STATCOM se compose d'un bloc avance-retard "Gpc" permettant d'obtenir la compensation de phase optimale, et d'un bloc de gain "KST" assurant l'amortissement désiré. Comme pour le PSS, un filtre passe-haut, nommé "wash-out" en anglais, assure que la boucle d'amortissement des oscillations de puissance ne réagisse pas aux variations normales de son signal d'entrée. Un filtre de type passe-bas accompagné éventuellement d'un limiteur peut aussi être utilisée pour atténuer le gain à haute fréquence (impact du bruit)[63].
Ustabilisation = K * Filtre passe bas * Filtre avance et retardn * Filtre passe haut * signal entrée
Avec p la variable de Laplace et:
Dans le cas d'un UPFC on peut attribuer la commande d'un paramètre au STATCOM, par exemple la tension ou la puissance réactive, et un autre paramètre au SSSC, par exemple l'impédance de la ligne, la puissance active ou la compensation série[64]. Souvent le STATCOM commande la tension, le SSSC le flux de puissance, mais parfois une commande de la puissance réactive par le STATCOM et fixer une tension injectée fixe pour le SSSC s'avère plus approprié[63].
Pour plusieurs FACTS
Quand de nombreux dispositifs FACTS sont connectés ensemble dans un réseau complexe, interconnecté, si la coordination entre eux n'est pas suffisante, des effets indésirables peuvent apparaître pour la stabilité du réseau. Il est possible de voir apparaître ou s'amplifier des phénomènes de résonance sous-synchrone par la présence d'éléments capacitifs et inductifs dans les réseaux. Ces interactions sont normalement plus complexes dans les réseaux comportant une compensation série puisque des interactions avec plusieurs types de modes peuvent apparaître. Leur gamme de fréquence est très étendue puisque la fréquence peut être de quelques hertz comme elle peut être proche de celle du synchronisme. Ces interactions peuvent être de plusieurs types : interactions "harmoniques", effet de résonances sous-synchrones, interactions torsionnelles sous-synchrones et interactions de régulation. Les oscillations électromécaniques dans les systèmes de puissance surviennent dans une gamme de fréquence variant de 0.2 à 2,5 Hz. Elles correspondent à un échange, entre machines, d'énergie stockée dans les masses tournantes, c'est-à-dire d'énergie cinétique[27].
Pour éviter ces problèmes, des méthodes de commande synchronisée sont développées. Parmi les candidats en plus des méthodes linéaires traditionnelles on trouve des algorithmes minimax, la méthode linéaire quadratique décentralisée ou la méthode LMI. Ces méthodes utilisent en général les modèles petits-signaux, c'est-à-dire qu'elles étudient les petites variations autour d'un point d'équilibre[27],[63].
Applications particulières
Pour les applications générales se référer au chapitre fonctions.
Longues lignes
Les lignes à haute tension de grande longueur sont confrontées à deux problèmes : le premier est que leur angle de transport devient très important. Cela peut être problématique pour la stabilité des groupes de productions, de larges oscillations de puissance pouvant avoir lieu. Les FACTS sont alors utiles pour amortir ces oscillations. Ceux ayant des fonctions de déphasage permettent également de limiter l'angle de transport. Le second problème est lié au fait que les lignes électriques étant principalement inductive, elles consomment de la puissance réactive. Afin d'améliorer le transit de puissance, il est utile de placer un condensateur en série pour limiter cette impédance[65]. Un TCSC est très efficace pour limiter les oscillations de puissance comme sur la ligne liant le nord au sud du Brésil, qui a une longueur de 1 020 km et une tension de 500 kV[66].
Raccordement de fermes éoliennes
Les fermes éoliennes sont parfois éloignées des centrales électriques, elles peuvent alors être raccordées à un réseau faible qui risque d'avoir des problèmes de stabilité en tension et en puissance de court-circuit à cause de ce nouveau raccordement. Pour éviter cela, les FACTS permettent de stabiliser le réseau[67],[10].
Coût
La construction d'un FACTS permettant d'améliorer le transfert de puissance, il permet par la même occasion d'acheter de la puissance plus économique plus loin en lieu et place d'une puissance chère et proche. Il permet ainsi de réduire les coûts d'exploitation. L'estimation de la valeur de ce type de gain doit se faire au cas par cas[68],[10].
| SVC | STATCOM | CSC | TCSC | Transformateur déphaseur | UPFC | SSSC | TCTST | |
|---|---|---|---|---|---|---|---|---|
| Prix selon le CIGRÉ($/kVA ou $/kVAr) | 35-80 | 48-80 | 10-20 | 32,5-40 | 10-30 | 48-80 | 50-80 | 50-100 |
| Prix selon Siemens($/kVA ou $/kVAr) | 60-100 | 60-130 | 10-80 | 55-130 | 90-170 |
Note: Pour l'UPFC, il faut payer pour la compensation série et parallèle.
Globalement le coût du kVAR diminue avec la puissance de l'installation. Le prix des FACTS n'est cependant pas influencé que par la puissance de ceux-ci : le niveau de redondance, les conditions atmosphériques, sismiques, le choix du système de communication avec les dispatchings, le coût de l'acquisition du terrain, le coût de construction des bâtiments et les coûts d'adaptation des stations électriques existantes jouent également un rôle important[70].
Conséquences environnementales
Bénéfices
Un des avantages des FACTS sur le plan environnemental est d'éviter la construction de ligne à haute tension, comme expliqué dans le paragraphe Contrôle du transit de puissance, et donc leurs nuissances[3].
Résonances
L'introduction d'une capacité en série avec la ligne, qu'elle soit commutée mécaniquement ou par des thyristors, peut entraîner des résonances entre le FACTS et d'autres éléments du réseau. Celle étant la plus préoccupante est celle entre l'impédance de la ligne et la capacité pour des fréquences inférieures à la fréquence nominale du réseau. Cette résonance basse fréquence peut avoir pour conséquence de faire entrer en résonance des pièces mécaniques des générateurs des centrales et les endommager. On parle de résonance sous-synchrone[32].
Les SSSC n'ont pas ce problème à cause de l'inductance parasite introduite par leur transformateur[32].
Harmoniques
Comme traité dans la partie filtres, certains FACTS sont des sources d'harmoniques, si le filtrage n'est pas efficace cela peut diminuer la qualité de l'électricité.
Bruit
Les convertisseurs, les transformateurs, ainsi que leurs systèmes de refroidissement respectifs sont des sources de nuisances sonores. La construction en conteneur, la construction d'un caisson anti-bruit pour les transformateurs, des ventilateurs plus lents peuvent permettre de réduire cependant ce facteur.
Pollution électromagnétique
La commutation des convertisseurs dans les FACTS est une source de pollution électromagnétique et d'interférences radio notamment[71].
Si des bobines sont présentes, un champ magnétique est créé. Pour éviter des phénomènes d'induction dans le métal et donc d'échauffements, les bobines ne peuvent être placées dans un bâtiment en béton armé.
Pollution par l'huile et explosion
Les FACTS contenant des transformateurs en possède également les risques environnementaux liés à l'huile. Pour éviter la contamination des nappes phréatiques[72] en cas de fuite, les normes électriques[73] imposent la présence de bacs de rétention sous les transformateurs.. Par ailleurs l'huile minérale peut conduire à l'explosion du transformateur en cas d'incendie[74].
Fabricants
- ABB a à son catalogue des SVC Classic et light à 2 niveaux[75], des SC et des TCSC. Le groupe revendique avoir mis en service le TSC en 1972 et le premier SVC au monde en 1979. ABB a installé plus de 500 SVC dans le monde[76], ce qui représente environ 55 % du total[3].
- Siemens vend des compensateurs en série, en parallèle commuté mécanique (MSC), des SVC standard (40 < MVAr < 800) et surtout des VSC Plus (50 = MVAr = 500), utilisant une technologie à IGBT multiniveaux. Il déclare avoir construit 44 SVC Classic depuis 1982[77], 4 SVC Plus depuis 2009[78], 28 MSC[79], et au moins 43 FSC et TPFC[80]. Par ailleurs, Siemens a racheté fin 1997 son concurrent Westinghouse, qui avait été pionnier dans le secteur des FACTS en construisant les premiers SVC, STATCOM et UPFC[14],[81].
- Alstom propose à son catalogue des SVC, des STATCOM, des FSC, des TCSC et des MSCDN[82].
- General Electric déclare fabriquer des CSC depuis 1928 et en avoir vendu plus de 100 dans le monde. Elle vend également des VTF[41].
- American Superconductor propose des SVC modifiés, qu'elle commercialise sous le nom de DVC, et des STATCOM qu'elle commercialise sous la marque D-Var et des machines synchrones améliorées grâce à l'usage de supraconducteurs nommées SuperVAR. Le DVC est un produit comprenant des MSC mis en parallèle avec un STATCOM pour maîtriser les régimes transitoires. Elle déclare avoir installé 34 STATCOM dans le monde depuis 2000, principalement en Amérique du Nord[83],[67].
- Hyosung propose à son catalogue des FSC, MSC, MSR, STATCOM, SVC et des back-to-back[84].
- Toshiba propose des SVC et des STATCOM[85].
- Jema Energy propose des SVC et des STATCOM[86].
Notes et références
- 1 2 CIGRÉ 51 1996, p. 6
- 1 2 3 4 5 6 7 8 9 10 11 12 13 14 15 16 17 18 19 20 21 22 Rachida Haimour, Contrôle des Puissances Réactives et des Tensions par les Dispositifs FACTS dans un Réseau Electrique, Ecole Normale Supérieure de l’Enseignement Technologique d’Oran, (lire en ligne)
- 1 2 3 4 5 6 (en) Naresh Acharya, Arthit Sode-Yome et Nadarajah Mithulananthan, Facts about Flexible AC Transmission Systems (FACTS)Controllers : Practical Installations and Benefits, Pathumthani, Thailande, Asian Institute of Technology (lire en ligne)
- ↑ Haimour 2009, p. 36
- ↑ Dike 2008, p. 2-6
- 1 2 Song et Johns 1999, p. 14
- 1 2 Song et Johns 1999, p. 16
- ↑ CIGRÉ 183 2001, p. 48
- 1 2 3 4 5 6 7 8 9 10 11 12 13 14 15 16 17 18 19 20 (en) « Discover the World of FACTS Technology » (consulté le )
- 1 2 3 4 5 6 7 8 9 10 11 12 13 14 15 16 17 18 19 20 21 22 23 (en) « Introduction to Power Electronics – Applications in Electrical Power Systems and Generation » (consulté le )
- 1 2 CIGRÉ 51 1996, p. 7
- ↑ Song et Johns 1999, p. 19
- ↑ CIGRÉ 183 2001, p. 60
- 1 2 3 4 (en) « Developpement in AC & DC Transmission » (consulté le )
- ↑ Alibi 2009, p. 37
- 1 2 3 4 5 6 7 8 9 10 Alain Innocent Leka, Amélioration du transit de puissance par les dispositifs FACTS, Douala, ENSET, (lire en ligne)
- ↑ CIGRÉ 183 2001, p. 28
- ↑ CIGRÉ 183 2001, p. 44
- ↑ Cigré 269 2005, p. 128
- 1 2 (en) Xiao-Ping Zhang, Christian Rehtanz et Bikash Pal, Flexible AC transmission Systems : Modelling and Control, Heidelberg, Springer, , 552 p. (ISBN 978-3-642-28240-9, lire en ligne)
- 1 2 3 (en) Xia Jiang, Operating modes and their regulations of voltage-sourced converter based FACTS controllers, Troy, New York, Rensselaer Polytechnic Institute, (lire en ligne)
- 1 2 3 4 5 6 CIGRÉ 51 1996, p. 74
- 1 2 CIGRÉ 51 1996, p. 11
- ↑ CIGRÉ 51 1996, p. 20
- 1 2 3 CIGRÉ 51 1996, p. 21
- ↑ CIGRÉ 183 2001, p. 6
- 1 2 3 4 5 Jean-Christophe Passelergue, Interactions des dispositifs FACTS dans les grands réseaux électriques, Grenoble, Institut national polytechnique de Grenoble, (lire en ligne)
- ↑ CIGRÉ 183 2001, p. 18
- ↑ CIGRÉ 51 1996, p. 18
- ↑ Alibi 2009, p. 29
- 1 2 CIGRÉ 51 1996, p. 19
- 1 2 3 4 5 (en) Laszlo Gyusyu, Colin D. Schauder et Kalyan K. Sen, « Static synchronous series compensator: a solid-state approach to the series compensation of transmission lines », transactions on power delivery, IEEE, vol. 12, (lire en ligne, consulté le )
- 1 2 CIGRÉ 51 1996, p. 25
- 1 2 3 CIGRÉ 51 1996, p. 24
- ↑ CIGRÉ 51 1996, p. 26
- ↑ (en) D. Murali et M. Rajaram, « Active and Reactive Power Flow Control using FACTS Devices », International Journal of Computer Applications, vol. 9, no 8,
- ↑ CIGRÉ 51 1996, p. 59
- 1 2 CIGRÉ 51 1996, p. 22
- ↑ Alain Innocent Leka, à la différence de Jean-Christophe Passelergue, semble faire une distinction entre TCPAR et SPS, les différences, si elles existent, restent à clarifier
- ↑ Song et Johns 1999, p. 38
- 1 2 (en) « power delivery project », sur General Electric (consulté le )
- ↑ (en) Kalyan K. Sen et Mey Ling Sen, « Introducing the Family of “Sen” Transformers:A Set of Power Flow Controlling Transformers », Transactions on power delivery, IEEE, vol. 149, no 1,
- ↑ (en) Pavlos S. Georgilakis et Peter G. Vernados, « Flexible AC Transmission System Controllers: An Evaluation », Materials Science Forum, Suisse, Trans Tech Publications, vol. 670, , p. 399-406 (lire en ligne, consulté le )
- ↑ (en) « DEVELOPMENT OF FACTS FOR TRANSMISSION SYSTEMS » (consulté le )
- 1 2 3 4 CIGRÉ 51 1996, p. 23
- ↑ CIGRÉ 183 2001, p. 2
- ↑ (en) « High Voltage Direct Current Transmission – Proven Technology for Power Exchange » (consulté le )
- ↑ Song et Johns 1999, p. 39
- 1 2 Cigré 269 2005, p. 44-47
- ↑ Cigré 269 2005, p. 49
- 1 2 (en) Rolf Grünbaum, Bruno Halvarsson et Aleksander Wilk-Wilczynski, FACTS AND HVDC LIGHT FOR POWER SYSTEM INTERCONNECTIONS, ABB, (lire en ligne)
- ↑ CIGRÉ 51 1996, p. 28
- 1 2 CIGRÉ 51 1996, p. 30
- ↑ CIGRÉ 51 1996, p. 32
- ↑ CIGRÉ 51 1996, p. 34
- ↑ Alibi 2009, p. 48
- ↑ Alibi 2009, p. 47
- ↑ CIGRÉ 51 1996, p. 35
- ↑ CIGRÉ 51 1996, p. 36
- ↑ Chez Siemens, ABB, American superconductor...
- ↑ CIGRÉ 183 2001, p. 23
- ↑ (en) Ashish Dewangan, « HVDC Transmission with STATCOM », IOSR Journal of Engineering, vol. 2, , p. 1095-1101 (lire en ligne, consulté le )
- 1 2 3 4 Sami Ammari, Interaction des dispositifs FACTS avec les charges dynamiques dans les réseaux de transport et d'interconnexion, Grenoble, Laboratoire de Génie Electrique de Grenoble (lire en ligne)
- ↑ Song et Johns 1999, p. 62
- ↑ CIGRÉ 51 1996, p. 15
- ↑ CIGRÉ 183 2001, p. 20
- 1 2 (en) « Présentation des D-Var » (consulté le )
- ↑ CIGRÉ 51 1996, p. 49
- ↑ CIGRÉ 183 2001, p. 70
- 1 2 (en) Klaus Habur et Donal O’Leary, FACTS For Cost Effective and Reliable Transmission of Electrical Energy, World Bank with Siemens, (lire en ligne)
- ↑ (en) Groupe de travail C4.208, EMC within Power Plants and Substations, CIGRÉ, coll. « Brochure », , chap. 535, p. 245
- ↑ (en) T.V. Oommen, « Vegetable Oils for Liquid-Filled Transformers », IEEE Electrical insulation magazine, Raleigh,
- ↑ Norme CEI 61936-1
- ↑ « Risque d'explosion des transformateurs » (consulté le )
- ↑ (en) « STATCOM and beyond » (consulté le )
- ↑ (en) « SVC static var compensator » (consulté le )
- ↑ (en) « Reference List » (consulté le )
- ↑ (en) « References » (consulté le )
- ↑ (en) « Reference list » (consulté le )
- ↑ (en) « Reference list » (consulté le )
- ↑ (de) « Siemens übernimmt Kraftwerkssparte », Die Welt, (lire en ligne, consulté le )
- ↑ « FACTS : une solution adaptée aux défis de demain » [archive du ] (consulté le )
- ↑ (en) « Power quality solution », sur AMSC (consulté le )
- ↑ (en) « FACTS », sur hyosung (consulté le )
- ↑ (en) « FACTS », sur toshiba (consulté le )
- ↑ « Static VAR Compensator (SVC) - Jema », sur www.jemaenergy.com (consulté le )
Bibliographie
- (en) Task Force 38.01.06, Load flow control in high voltage power systems using FACTS controllers, vol. 51, CIGRÉ, coll. « Brochure »,
- (en) Groupe de travail 14/37/38/39.24, FACTS technology for open access, vol. 183, CIGRÉ, coll. « Brochure »,
- Sami Ammari, Interaction des dispositifs FACTS avec les charges dynamiques dans les réseaux de transport et d'interconnexion, Grenoble, Laboratoire de Génie Electrique de Grenoble (lire en ligne)
- Abdelaàli Alibi, Contrôle des Réseaux Electriques par les Systèmes FACTS : (Flexible AC Transmission Systems), Batna, Université de Batna, (lire en ligne)
- Rachida Haimour, Contrôle des Puissances Réactives et des Tensions par les Dispositifs FACTS dans un Réseau Electrique, Ecole Normale Supérieure de l’Enseignement Technologique d’Oran, (lire en ligne)
- (en) Xia Jiang, Operating modes and their regulations of voltage-sourced converter based FACTS controllers, Troy, New York, Rensselaer Polytechnic Institute, (lire en ligne)
- Alain Innocent Leka, Amélioration du transit de puissance par les dispositifs FACTS, Douala, ENSET, (lire en ligne)
- Jean-Christophe Passelergue, Interactions des dispositifs FACTS dans les grands réseaux électriques, Grenoble, Institut national polytechnique de Grenoble, (lire en ligne)
- (en) Yuong Hua Song et Allan T. Johns, Flexible AC transmission systems, Londres, institution of electrical engineers, (ISBN 0-85296-771-3, lire en ligne)
- (en) Groupe de travail B4.37, VSC TRANSMISSION, Cigré, coll. « Brochure », , chap. 269
- (en) Damian Obioma Dike, Index based reactive power compensation scheme for power regulation, (lire en ligne)
Articles connexes
Liens externes
- (en) Laszlo Gyugyi et Colin D. Schauder, « The unified flow controller: a new approach to power transmission control », transaction on power delivery, IEEE, vol. 10, no 2, (lire en ligne, consulté le )
- (en) « Groupe B4 du CIGRÉ, responsable des questions liées à l'HVDC et aux FACTS » (consulté le )
- Portail de l’électricité et de l’électronique
- Portail de l’énergie