Télégraphe de Cooke et Wheatstone

Le télégraphe de Cooke et Wheatstone est l'un des premiers systèmes de télégraphie électrique datant des années 1830, inventé par l'inventeur anglais William Fothergill Cooke et le scientifique anglais Charles Wheatstone. Il s'agit d'une forme de télégraphe à aiguilles, et du premier système télégraphique à être mis en service commercial. Le récepteur se compose d'un certain nombre d'aiguilles qui peuvent changer de position au moyen de bobines électromagnétiques pour qu'elles pointent des lettres sur un tableau. Cette caractéristique a été appréciée par les premiers utilisateurs qui ne souhaitaient pas apprendre de codes et par les employeurs qui ne voulaient pas investir dans la formation du personnel.
Dans les systèmes ultérieurs, le tableau de lettres a été supprimé et le code a été lu directement à partir du mouvement des aiguilles. Cette évolution s'explique par la réduction du nombre d'aiguilles, qui a permis d'obtenir des codes plus complexes. Ce changement a été motivé par la nécessité économique de réduire le nombre de fils télégraphiques utilisés, qui était lié au nombre d'aiguilles. Le changement est devenu plus urgent à mesure que l'isolation de certaines des premières installations se détériorait, rendant certains des fils d'origine inutilisables. Le système le plus réussi de Cooke et Wheatstone est finalement un système à une aiguille qui a été utilisé jusque dans les années 1930.
Le télégraphe de Cooke et Wheatstone a joué un rôle dans l'arrestation du meurtrier John Tawell (en). Quand on a su que Tawell était monté à bord d'un train pour Londres, le télégraphe a été utilisé pour avertir le terminus de Paddington afin que le criminel y soit appréhendé. La nouveauté de cette utilisation du télégraphe dans la lutte contre la criminalité a fait l'objet d'une grande publicité et a conduit à une plus grande acceptation et utilisation du télégraphe par le public.
Inventeurs

Le télégraphe est né d'une collaboration entre William Fothergill Cooke et Charles Wheatstone. Cette collaboration n'a pas été heureuse en raison des objectifs divergents des deux hommes. Cooke est un inventeur et un entrepreneur qui souhaite breveter et exploiter commercialement ses inventions. Wheatstone, quant à lui, est un universitaire qui ne s'intéresse pas aux entreprises commerciales : il a l'intention de publier ses résultats et de permettre aux autres de les utiliser librement[1]. Cette différence de point de vue conduit finalement à une dispute amère entre les deux hommes au sujet des revendications de priorité pour l'invention. Leurs différends ont même besoin d'un arbitrage, lors duquel Marc Isambart Brunel intervient pour Cooke et John Frederic Daniell pour Wheatstone. Cooke finit par racheter les intérêts de Wheatstone en échange d'une redevance[2].
Cooke avait eu quelques idées pour construire un télégraphe avant son partenariat avec Wheatstone et avait consulté le scientifique Michael Faraday pour obtenir des conseils d'expert. En 1836, Cooke a construit à la fois un système électrométrique expérimental et un télégraphe mécanique impliquant un mécanisme d'horlogerie avec une détente électromagnétique. Cependant, la plupart des connaissances scientifiques pour le modèle de télégraphe effectivement mis en pratique proviennent de Wheatstone. Les idées antérieures de Cooke ont pour la plupart été abandonnées[3].
Histoire

En , Cooke propose un projet de télégraphe mécanique à 60 codes aux directeurs du Liverpool and Manchester Railway[4]. Ce projet est trop compliqué pour leurs besoins, qui sont dans l'immédiat d'établir une simple communication par signaux entre la gare de Liverpool et une salle des machines pour le transport par câble, située au sommet d'une pente raide et traversant un long tunnel à l'extérieur de la gare. Le transport par câble dans les gares principales est courant à cette époque pour éviter le bruit et la pollution, et dans ce cas, la pente est trop raide pour que la locomotive puisse la gravir sans aide. Il suffit de quelques signaux simples, comme indiquer à la salle des machines de commencer à tirer. Il est ainsi demandé à Cooke de construire une version plus simple avec moins de codes, ce qu'il fait à la fin du mois d'[5]. Cependant, la société de chemin de fer décide d'utiliser à la place un télégraphe pneumatique équipé de sifflets[6]. Peu après, Cooke s'associe à Wheatstone[7].
En , Cooke et Wheatstone brevettent un système télégraphique qui utilise un certain nombre d'aiguilles sur un tableau pouvant changer de position pour pointer vers les lettres de l'alphabet. Le brevet recommande un système à cinq aiguilles, mais n'importe quel nombre d'aiguilles peut être utilisé en fonction du nombre de caractères à coder. Un système à quatre aiguilles est ainsi installé entre Euston et Camden Town à Londres le long d'une ligne ferroviaire en cours de construction par Robert Stephenson entre Londres et Birmingham. Il fait l'objet d'une démonstration réussie le [8]. Il s'agit d'une application similaire au projet de Liverpool : les wagons sont détachés à Camden Town et voyagent suivant la gravité jusqu'à Euston. Un système est donc nécessaire pour signaler à une salle des machines de Camden Town de commencer à remonter les wagons sur la pente jusqu'à la locomotive en attente. Comme à Liverpool, le télégraphe électrique est finalement rejeté en faveur d'un système pneumatique avec sifflets[9].
Cooke et Wheatstone connaissent leur premier succès commercial avec un télégraphe installé en 1838 sur le Great Western Railway, sur les 21 km entre la gare de Paddington et West Drayton. Il devient ainsi le premier télégraphe commercial au monde[10]. Il s'agit d'un système à cinq aiguilles et six fils[9]. Les câbles sont à l'origine installés sous terre dans un conduit en acier. Cependant, les câbles commencent à rapidement tomber en panne en raison de la détérioration de l'isolation[11],[12]. En guise de mesure provisoire, un système à deux aiguilles est utilisé sur trois des câbles souterrains encore en service, qui, bien que n'utilisant que deux aiguilles, présente un plus grand nombre de codes[13]. Comme le nouveau code doit être appris et non simplement lu sur l'écran, c'était la première fois dans l'histoire du télégraphe que des télégraphistes qualifiés sont nécessaires[14].
Lorsque la ligne est prolongée jusqu'à Slough en 1843, un système à une aiguille et deux fils est installé[15]. Cooke remplace également les câbles dans des tuyaux de plomb enterrés par un système moins coûteux et plus facile à entretenir consistant à suspendre des fils non isolés sur des poteaux en utilisant des isolateurs en céramique, un système qu'il brevette[16] et qui devient rapidement la méthode la plus courante[17]. Cette extension est réalisée aux frais de Cooke, car la compagnie ferroviaire n'est pas disposée à financer un système qu'elle considère comme encore expérimental. Jusqu'alors, la Great Western avait insisté pour avoir l'utilisation exclusive de la ligne et refusé à Cooke la permission d'ouvrir des bureaux télégraphiques publics. Le nouvel accord de Cooke donne au chemin de fer l'usage gratuit du système en échange du droit pour Cooke d'ouvrir des bureaux publics, établissant pour la première fois un service télégraphique public[18]. Un tarif forfaitaire d'un shilling est appliqué (contrairement à tous les services télégraphiques ultérieurs qui facturent au mot), mais de nombreuses personnes payent ce montant juste pour voir l'étrange équipement[19].
À partir de ce moment, l'utilisation du télégraphe électrique commence à se développer sur les nouveaux chemins de fer construits à partir de Londres. Le London and Blackwall Railway (en) (une autre système de traction à câble) est équipé du télégraphe de Cooke et Wheatstone lors de son ouverture en 1840, et beaucoup d'autres suivent leur exemple[12]. La distance à parcourir sur le Blackwall Railway (6 km) étant trop importante pour la signalisation à vapeur, l'ingénieur Robert Stephenson soutient fortement la solution électrique[20]. En , une ligne de 142 km de Nine Elms à Gosport est achevée sur le London and South Western Railway (en) — elle est bien plus longue que toute autre ligne jusqu'alors. L'Amirauté paye la moitié du coût d'investissement ainsi que 1 500 £ par an pour un télégraphe privé à deux aiguilles sur cette ligne pour la relier à sa base de Portsmouth, remplaçant finalement le télégraphe optique[21]. En , le financier John Lewis Ricardo (en) et Cooke créent l'Electric Telegraph Company. Cette société rachète les brevets de Cooke et de Wheatstone et établit solidement le commerce du télégraphe. En 1869, l'entreprise est nationalisée et fait partie de la General Post Office[22]. Le télégraphe à une aiguille connaît un grand succès sur les chemins de fer britanniques, et 15 000 postes sont encore utilisés à la fin du XIXe siècle. Certains sont restés en service jusque dans les années 1930[23].
Le télégraphe de Cooke et Wheatstone est largement confiné au Royaume-Uni et à l'Empire britannique. Cependant, il est également utilisé en Espagne pendant un certain temps[24]. Après la nationalisation du secteur télégraphique au Royaume-Uni, le Post Office remplace lentement les divers systèmes dont elle avait hérité, notamment le télégraphe Cooke et Wheatstone, par le système télégraphique Morse[25].
Médiatisation du télégraphe

Un homme suspecté de meurtre, John Tawell (en) est appréhendé grâce à l'envoi d'un message sur le télégraphe à aiguille entre Slough et Paddington le . On pense qu'il s'agit de la première utilisation du télégraphe pour attraper un meurtrier. Le message était le suivant :
« A MURDER HAS GUST BEEN COMMITTED AT SALT HILL AND THE SUSPECTED MURDERER WAS SEEN TO TAKE A FIRST CLASS TICKET TO LONDON BY THE TRAIN WHICH LEFT SLOUGH AT 742 PM HE IS IN THE GARB OF A KWAKER WITH A GREAT COAT ON WHICH REACHES NEARLY DOWN TO HIS FEET HE IS IN THE LAST COMPARTMENT OF THE SECOND CLASS COMPARTMENT[a] »
Le système Cooke et Wheatstone ne prenait pas en charge la ponctuation, les minuscules et certaines lettres. Le système à deux aiguilles omet même les lettres « J », « Q » et « Z », d'où les fautes d'orthographe de « just » et « Kwaker/quaker ». Cela cause quelques difficultés à l'opérateur de réception de Paddington qui demande à plusieurs reprises un nouvel envoi après avoir reçu « K-W-A », qu'il prend pour une erreur. Cela continue jusqu'à ce qu'un petit garçon suggère que l'opérateur d'envoi soit autorisé à compléter le mot, après quoi il est compris. Après son arrivée, Tawell est suivi par un détective jusqu'à un café voisin et y est arrêté. La couverture de cet incident par les journaux donne une grande publicité au télégraphe électrique et le fait connaître au grand public[26].
L'arrestation très médiatisée de John Tawell est l'un des deux événements qui ont attiré l'attention du public sur le télégraphe et ont conduit à son utilisation généralisée au-delà de la signalisation ferroviaire. L'autre événement est l'annonce par télégraphe de la naissance d'Alfred Ernest Albert, deuxième fils de la reine Victoria. La nouvelle est publiée dans le Times à la vitesse sans précédent de 40 minutes après l'annonce[27].
Fonctionnement du bloc ferroviaire
Le système de blocs de signalisation (ou block-système) est un système de sécurité des trains qui divise la voie en blocs et utilise des signaux pour empêcher un autre train d'entrer dans un bloc tant que le train déjà présent dans le bloc n'est pas parti. Le système est proposé par Cooke en 1842 dans l'ouvrage Telegraphic Railways or the Single Way[28] comme un moyen plus sûr de travailler sur des lignes uniques. Auparavant, la séparation des trains reposait uniquement sur un horaire strict, qui ne permettait pas de tenir compte des événements imprévus. La première utilisation du block-système remonte probablement à 1839, lorsque George Stephenson fait installer un télégraphe Cooke et Wheatstone dans le tunnel de Clay Cross (en) de la North Midland Railway (en). Les instruments spécifiques au fonctionnement par bloc sont installés en 1841[29]. Le block-système devient la norme et le reste jusqu'à aujourd'hui, sauf que la technologie moderne permet de remplacer les blocs fixes par des blocs mobiles sur les chemins de fer les plus fréquentés[30].
Fonctionnement

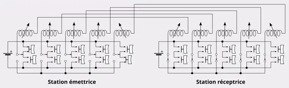
Le télégraphe de Cooke et Wheatstone consiste en un certain nombre d'aiguilles magnétiques que l'on peut faire tourner sur une courte distance, dans le sens des aiguilles d'une montre ou dans le sens inverse, par induction électromagnétique à partir d'une bobine d'excitation. Le sens du mouvement est déterminé par le sens du courant dans les fils télégraphiques. Le tableau est marqué d'une grille en forme de diamant avec une lettre à chaque intersection de la grille, et disposé de telle sorte que lorsque deux aiguilles sont alimentées, elles pointent vers une lettre spécifique.
Le nombre de fils requis par le système de Cooke et Wheatstone est égal au nombre d'aiguilles utilisées. Le nombre d'aiguilles détermine le nombre de caractères qui peuvent être encodés. Le brevet de Cooke et Wheatstone recommande cinq aiguilles, et c'est la configuration de leurs premiers modèles de démonstration. Le nombre de codes pouvant être obtenus entre 2, 3, 4, 5 ou 6 aiguilles est respectivement de 2, 6, 12, 20, 30 (et ainsi de suite)[31].
À l'extrémité d'envoi, il y a deux rangées de boutons, une paire de boutons pour chaque bobine dans chaque rangée. L'opérateur sélectionne un bouton dans chaque rangée. Deux des bobines sont ainsi reliées respectivement aux extrémités positive et négative de la batterie. Les autres extrémités des bobines sont reliées aux fils télégraphiques et, de là, à une extrémité des bobines à la station de réception. Les autres extrémités des bobines, en mode réception, sont toutes mises en commun. Ainsi, le courant circule dans les deux mêmes bobines aux deux extrémités et alimente les deux mêmes aiguilles. Avec ce système, les aiguilles sont toujours alimentées par paires et tournent toujours dans des directions opposées[32].
Télégraphe à cinq aiguilles
Le télégraphe à cinq aiguilles, avec vingt positions d'aiguille possibles, ne peut coder l'alphabet complet qu'avec six codes. Les lettres omises sont « C », « J », « Q », « U », « X » et « Z »[33]. Un important argument de vente de ce télégraphe est qu'il est simple à utiliser et ne nécessite que peu de formation de l'opérateur. Il n'y a pas de code à apprendre, car la lettre envoyée est affichée visiblement à l'opérateur émetteur et récepteur.
Lorsque apparaît la possibilité de déplacer une seule aiguille indépendamment, elle est tout de suite ajoutée. Cela nécessite un conducteur supplémentaire pour un retour commun, éventuellement au moyen d'un retour à la terre[9]. Cela augmente considérablement les plages de code disponibles, mais l'utilisation de codes arbitraires pourrait nécessiter une formation plus poussée de l'opérateur puisque l'affichage ne peut pas être lu à vue sur la grille comme les simples codes alphabétiques. Pour cette raison, la fonctionnalité supplémentaire n'est utilisée que pour ajouter des chiffres en pointant une aiguille sur le chiffre requis marqué sur le bord du tableau[34]. La nécessité économique de réduire le nombre de fils s'avère finalement être une motivation plus forte que la simplicité d'utilisation et conduit Cooke et Wheatstone à développer les télégraphes à deux aiguilles et à une aiguille[13].
.svg.png)
Télégraphe à deux aiguilles
Le télégraphe à deux aiguilles nécessite trois fils, un pour chaque aiguille et un retour commun. Le codage est quelque peu différent de celui du télégraphe à cinq aiguilles et doit être appris, plutôt que lu sur un écran. Les aiguilles peuvent changer de position vers la gauche ou la droite une, deux ou trois fois de suite, ou une seule fois dans les deux sens. L'une ou l'autre aiguille, ou les deux ensemble, peuvent être changées. Cela donne un total de 24 codes, dont l'un est occupé par le code d'arrêt. Ainsi, trois lettres sont omises : « J », « Q » et « Z », qui sont remplacées respectivement par « G », « K » et « S »[26].
À l'origine, le télégraphe est équipé d'une cloche qui sonne lorsqu'un autre opérateur demande de l'attention. Cette cloche s'avère si gênante qu'elle est retirée : le cliquetis de l'aiguille contre sa butée est suffisant pour attirer l'attention[35].
Télégraphe à une aiguille
Ce système est développé pour remplacer le télégraphe multifilaire défaillant de la ligne Paddington - West Drayton. Il ne nécessite que deux fils, mais un code plus complexe et une vitesse de transmission plus lente. Alors que le système à deux aiguilles nécessite un code à trois unités (c'est-à-dire jusqu'à trois mouvements des aiguilles pour représenter chaque lettre), le système à une aiguille utilise un code à quatre unités, mais dispose de suffisamment de codes pour coder l'alphabet entier. Comme dans le système précédent à deux aiguilles, les unités de code consistent en des déviations rapides de l'aiguille vers la gauche ou la droite en succession rapide. L'aiguille frappe une butée lorsqu'elle change de position, ce qui provoque une sonnerie. Des tonalités différentes sont prévues pour les mouvements à gauche et à droite afin que l'opérateur puisse entendre dans quelle direction l'aiguille s'est positionnée sans la regarder[23].
Codes
.svg.png)
Les codes sont affinés et adaptés au fur et à mesure de leur utilisation. En 1867, des chiffres sont ajoutés au code à cinq aiguilles. Ceci est réalisé grâce à l'ajout d'un sixième fil pour le retour commun, ce qui permet de déplacer une seule aiguille. Avec les cinq fils d'origine, il n'est possible de déplacer les aiguilles que par paires et toujours dans des directions opposées, puisqu'il n'y a pas de fil commun. De nombreux autres codes sont théoriquement possibles avec la signalisation à retour commun, mais ils ne peuvent pas tous être utilisés de manière pratique avec un écran d'indication de grille. Les chiffres sont intégrés en les marquant sur le bord de la grille en diamant. Les aiguilles 1 à 5, lorsqu'elles sont excitées vers la droite, pointent respectivement vers les chiffres 1 à 5, et vers la gauche vers les chiffres 6 à 9 et 0. Deux boutons supplémentaires sont prévus sur les postes télégraphiques pour permettre de connecter le retour commun à la borne positive ou négative de la batterie selon la direction dans laquelle on souhaite déplacer l'aiguille[38].
En 1867 également, les codes pour « Q » (
) et « Z » (
)[d] sont ajoutés au code à une aiguille, mais apparemment pas pour « J ». Cependant, les codes pour « Q » (
), « Z » (
), et « J » (
) sont marqués sur les plaques des télégraphes à aiguilles ultérieurs, ainsi que des codes à six unités pour la bascule aux chiffres (
) ou aux lettres (
)[40]. De nombreux codes composés sont ajoutés pour les commandes de l'opérateur, comme « attendre » et « répéter ». Ces composés sont similaires aux signes procéduraux que l'on trouve dans le code Morse où les deux caractères sont exécutés ensemble sans espace entre les caractères. Les codes de changement de chiffre et de changement de lettre à deux aiguilles sont également des composés, ce qui explique pourquoi ils sont écrits avec une barre supérieureShaffner 1859, p. 221.
Les codes utilisés pour le télégraphe à quatre aiguilles ne sont pas connus, et aucun des équipements n'a survécu. On ne sait pas quelles lettres étaient attribuées aux douze codes possibles[9].
Télégraphe à aiguilles français
L'administrateur en chef des télégraphes français Alphonse Foy rejette l'utilisation du code Morse en 1839. Il s'intéresse donc au système de Cooke et Wheatstone car les écrans télégraphiques à aiguilles utilisés par celui-ci sont adaptables aux symboles du télégraphe optique français. Louis Breguet se charge de l'adaptation (système à 2 aiguilles) qui prend le nom de télégraphe de Foy et Breguet ; la première ligne, entre Paris Saint-Cloud et Versailles, est mise en service en 1842.
Notes et références
(en) Cet article est partiellement ou en totalité issu de la page de Wikipédia en anglais intitulée « Cooke and Wheatstone telegraph » (voir la liste des auteurs).
Notes
- ↑ Traduction : « Un meurtre vient d'être commis à Salt Hill et le meurtrier présumé a été vu prenant un billet de première classe pour Londres par le train qui a quitté Slough à 19h42 ; il est en tenue de Kwaker avec un grand manteau qui lui descend presque jusqu'aux pieds ; il se trouve dans le dernier compartiment de la seconde classe[26]. »
- ↑ Shaffner 1859, p. 221 montre les codes à une aiguille pour « K » et « L » tels qu'indiqués dans ce tableau ; il semble néanmoins que ce soit une erreur. Huurdeman 2003, p. 68 et Guillemin 1877, p. 551 donnent ces codes selon un tableau, ainsi que des exemples d'instruments ayant survécu. En outre, les glyphes sont marqués sur la face de l'instrument, ceux de droite étant l'image miroir du glyphe correspondant de gauche. L'arrangement de Shaffner brise cette symétrie en miroir.
- ↑ Huurdeman 2003, p. 68 lit les traits du glyphe dans un ordre strict de gauche à droite, indépendamment de la longueur du trait. Cela ne peut pas être correct car cela conduit à des codes ambigus — par exemple « E » et « U » seraient tous les deux configurés en gauche-gauche-droite. De plus, la symétrie des glyphes suggère que les codes de droite (c'est-à-dire à partir de « M ») doivent être lus de droite à gauche, et non de gauche à droite (mais en observant toujours le trait court en premier). Shaffner, qui vivait à l'époque où ce télégraphe était encore en service et l'a observé en Angleterre, est la source du principe de l'exécution du trait court en premier[36]. Guillemin n'énonce pas le principe explicitement, mais on peut le déduire puisqu'il donne un autre code à la fois en coches et en chiffres[37].
- ↑ Shaffner ne donne pas d'explication claire sur la façon dont les glyphes
et
doivent être lus. Il dit que « chacune de ces lettres est composée de deux déviations dans chaque sens »[39], ce qui suggère qu'elles sont équivalentes au
et au
respectivement, et non un code différent.
Références
- ↑ Bowers 2001, p. 119.
- ↑ Bowler et Morus 2010, p. 403–404.
- ↑ Shaffner 1859, p. 185.
- ↑ Schaffner 1859, p. 190.
- ↑ Bowers 2001, p. 123.
- ↑ Burns 2004, p. 72.
- ↑ Bowers 2001, p. 124–125.
- ↑ (en) « The telegraphic age dawns », sur connected-earth.com (consulté le ).
- 1 2 3 4 Bowers 2001, p. 129.
- ↑ Huurdeman 2003, p. 67.
- ↑ Huurdeman 2003, p. 67–68.
- 1 2 Beauchamp 2001, p. 35.
- 1 2 Mercer 2006, p. 7.
- ↑ Kieve 1973, p. 32-33.
- ↑ Huurdeman 2003, p. 69.
- ↑ Kieve 1973, p. 32.
- ↑ Duffy 2003, p. 5.
- ↑ Kieve 1973, p. 31-32.
- ↑ Kieve 1973, p. 33.
- ↑ Kieve 1973, p. 30-31.
- ↑ Kieve 1973, p. 37-38.
- ↑ Mercer 2006, p. 8.
- 1 2 Huurdeman 2003, p. 67–69.
- ↑ Huurdeman 2003, p. 107.
- ↑ Kieve 1973, p. 76.
- 1 2 3 (en) « John Tawell: The Man Hanged by the Electric Telegraph », sur Université de Salford (consulté le ).
- ↑ Burns 2004, p. 78–79.
- ↑ (en) William Fothergill Cooke, Telegraphic railways : or, The single way recommended by safety, economy, and efficiency, under the safeguard and control of the electric telegraph, with particular reference to railway communication with Scotland and to Irish railways, Londres, Simpkin Marshall & Co., (lire en ligne).
- ↑ Kieve 1973, p. 33-34.
- ↑ Duffy 2003, p. 378.
- ↑ (en) Neil J. A. Sloane (dir.), « Oblong (or promic, pronic, or heteromecic) numbers: a(n) = n*(n+1) », sur Encyclopédie en ligne des suites de nombres entiers, OEIS Foundation, .
- ↑ Burns 2004, p. 75–77.
- ↑ Shaffner 1958, p. 201.
- ↑ Shaffner 1958, p. 204–207.
- ↑ Kieve 1973, p. 81.
- ↑ Shaffner 1859, p. 221.
- ↑ Voir Shaffner 1859, p. 204–205 pour le code avec cinq aiguilles ; Shaffner 1859, p. 226–229 pour celui à deux aiguilles ; Shaffner 1859, p. 221 pour celui à une aiguille (derniers codes publiés) et Huurdeman 2003, p. 68 pour celui à une aiguille (premiers codes utilisés).
- ↑ Shaffner 1859, p. 204–206.
- ↑ Shaffner 1859, p. 221-222.
- ↑ stkone, « Single needle telegraph - Zeigertelegraf », sur Flickr, (consulté le ).
Bibliographie
Bibliographie contemporaine aux développements du télégraphe de Cooke et Wheatstone
- (en) William F. Cooke, Telegraphic Railways or the Single Way, Simpkin, Marshall & Company, (OCLC 213732219).
- (en) Amédée Guillemin, The Applications of Physical Forces, Macmillan and Company, (OCLC 5894380237, lire en ligne).
- (en) Taliaferro Preston Shaffner, The Telegraph Manual, Pudney & Russell, (OCLC 258508686, lire en ligne).
Bibliographie synthétique postérieure
- (en) Ken Beauchamp, History of Telegraphy, IET, (ISBN 0852967926).
- (en) Brian Bowers, Sir Charles Wheatstone: 1802–1875, IET, (ISBN 0852961030).
- (en) Peter J. Bowler et Iwan Rhys Morus, Making Modern Science: A Historical Survey, University of Chicago Press, (ISBN 0226068625).
- (en) Russel W. Burns, Communications: An International History of the Formative Years, IEE, (ISBN 0863413277).
- (en) Michael C. Duffy, Electric Railways: 1880-1990, IEE, (ISBN 9780852968055).
- (en) G. R. M. Garratt, « The early history of telegraphy », Philips Technical Review, vol. 26, nos 8/9, , p. 268–284 (lire en ligne [PDF]).
- (en) Geoffrey Hubbard, Cooke and Wheatstone: And the Invention of the Electric Telegraph, Routledge, (ISBN 1135028508).
- (en) Anton A. Huurdeman, The Worldwide History of Telecommunications, Wiley-Blackwell, (ISBN 978-0471205050).
- (en) Jeffrey L. Kieve, The Electric Telegraph: A Social and Economic History, David and Charles, (ISBN 0-7153-5883-9, OCLC 655205099).
- (en) David Mercer, The Telephone: The Life Story of a Technology, Greenwood Publishing Group, (ISBN 031333207X).
- Portail des technologies
- Portail des télécommunications
- Portail de l’électricité et de l’électronique